【導讀】從幾百瓦到幾千瓦,數據中心的服務器和機架功率大幅提高。但高功率水平在多個服務器上分配會不可避免地產生較大的功率損耗,從而損害效率。將傳統的12V配電電壓轉換為48V可以緩解這個問題。
但是,提高配電電壓給保護電路的實施帶來了挑戰。保護電路是數據中心服務器、電信系統和網絡設備應用中的關鍵設計要求,因為系統組件必須能夠承受電壓應力并滿足電流需求。設計電源相關方案的工程師們對此倍感壓力,因為與此同時,他們還要在最小化電路板空間的同時,縮短從最初概念到最終產品之間的開發時間。
采用具有最少組件數量的解決方案可以解決空間受限的問題。另外,除了不斷被壓縮的產品上市時間表,工程師現在還必須考慮如何最大程度地減少設計工作量。新的解決方案需要為工程師提供完善的方式來解決關鍵的設計挑戰。本文將以MPS的MP5048為例進行介紹,MP5048是業界首個60V/15A集成式熱插拔解決方案。
設計挑戰
和許多通信基礎架構一樣,高可用性和高可靠性是數據中心系統設計的關鍵要素。可以插入服務器和存儲器等應用的模塊和PCB在電源入口處都需要保護/控制電路,通常稱為熱插拔控制電路。
具有熱插拔功能的解決方案允許將板卡插入帶電背板或從帶電背板上卸下,而不會干擾分配給其他板卡的電源。對這些系統的主要要求之一,是在任何異常瞬態事件(例如過壓、過載或短路)中將系統停機時間降至最低。為應對這些意外情形,系統工程師目前大多采用保護電路來管理浪涌、過載、短路和過壓事件,同時保護敏感負載以確保系統可靠運行。關鍵點在于,將故障降至應用的運行限制以內,并在故障清除之后立即恢復系統的正常狀態,而且,所有這些都無需任何人工干預。
預防系統停機的最佳方法是盡可能快地檢測、響應并糾正潛在的破壞性條件。傳統觀點認為,新型48V配電電壓系統的熱插拔保護電路應采用分立式元件。典型的分立式熱插拔解決方案結合了高壓控制器IC、MOSFET和采樣電阻器。這些組件管理背板和主板之間的功率流,防止小毛病和故障干擾系統其余部分的電源。但是,分立式解決方案具有一些眾所周知的缺點,包括:
● 需要更多的組件并占用更多的板空間。更多組件會引起對方案強健性和可靠性方面的擔憂。
● 不包含MOSFET的熱保護。其散熱設計通常超過安全工作區(SOA)的限制,而SOA可確保在極端情況下對設備的保護。
● 需要謹慎布局PCB。工程師必須了解開爾文電流檢測技術以正確并準確地監測和限制電流。
由于系統復雜性的增加和設計周期的縮短,設計資源愈發緊張。電源相關方案通常都被放在一邊,直至開發周期的后期。實際上,要解決上述的設計缺陷,只需很少的時間,并且只需有限的電源設計專業知識即可。因此我們迫切需要開發出可靠的熱插拔解決方案。理想的熱插拔解決方案將具有外形尺寸小、經濟高效且可靠的特點,而且只需最小的設計工作量。
創新型方法
相比傳統分立式解決方案,集成式解決方案具備多種優勢。例如,MPS的 MP5048即為具有集成MOSFET和采樣電阻的單片60V熱插拔解決方案。該器件采用小尺寸QFN(5mmx5mm)封裝,可在單硅片上處理全部15A電流。
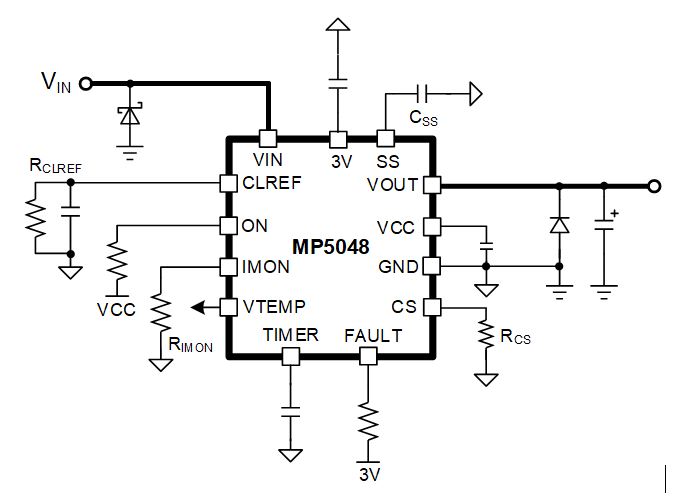
MP5048只需最少的外部組件,可以簡化系統和PCB布局設計(見圖1)。該熱插拔解決方案的基本設計分兩個步驟完成:
1. 將CLREF和CS引腳上的電阻接地,以設置電流限制和電流監測功能。
2. 選擇適當數量的電容器以調節軟啟動(以及其他計時器功能)。將關鍵組件集成到解決方案中,會降低人們對系統強健性和可靠性的擔憂。

圖1: MP5048典型應用電路
用 MP5048之類的集成式解決方案替代分立式解決方案還具有一個重要的優勢,由于采用了先進的單片工藝,電流監測器和限流精度可以得到很好的控制。這款特殊的器件可以在各種溫度條件下,在0A至15A范圍內實現精度低于3%的電流監測(見圖2)。

圖2: IMON增益精度 vs. 輸出電流和溫度
集成的MOSFET提供了片上溫度監測能力,可以關閉器件。一旦 MP5048進入過熱關斷狀態,將會在結溫降至過溫保護閾值之下后保持關斷狀態(鎖存模式)或嘗試重啟(自動重試)。這意味著工程師無需過度設計MOSFET或散熱設計,即可在極端故障條件下將器件保持在SOA限制內。
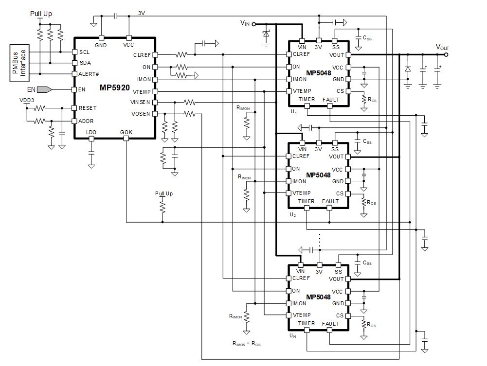
MP5048是一種通用的熱插拔解決方案,可以擴展以支持應用所需的任何電流范圍。即使 MP5048不具備PMBus能力,它也可以與熱插拔控制器(如MPS的MP5920)配對,從而為應用增加遙測功能(參見圖3)。

圖3:MP5048可以通過并聯的熱插拔控制器進行控制
通過遙測技術能夠讀取和報告電壓、電流、溫度和故障等實時信息,從而全面了解整個熱插拔解決方案的性能。這在測試和調試階段,甚至系統部署期間都非常有用,它使工程師能夠通過預測分析優化系統運行時間,同時在需要維修時可以得到更多數據,從而最大程度地減少停機時間。
通過內部MOSFET提供的電流監測能力,多個并聯的MP5048器件可在軟啟動期間主動平衡流經每個器件的電流。這樣可確保每個設備均等承載軟啟動電流,不會有某一個設備承載全部的軟啟動負載電流(見圖4)。在并聯器件之間均衡軟啟動電流,可以大大降低違反MOSFET SOA的風險,而熱能也可以更均勻地分布在PCB上。

圖4:三個并聯MP5048器件在軟啟動期間的均流
結論
將這些元素集成到諸如MP5048之類的集成式熱插拔解決方案中,可提供一種簡單、用戶友好且強大的解決方案,非常適合空間受限的48V數據中心應用。而單片式系統可以滿足當前的系統操作需求,消除重復性和勞動密集型工作,使工程師能夠應對不斷減小的空間限制以及緊迫的項目周轉時間。
來源:MPS
免責聲明:本文為轉載文章,轉載此文目的在于傳遞更多信息,版權歸原作者所有。本文所用視頻、圖片、文字如涉及作品版權問題,請聯系小編進行處理。
推薦閱讀:




