中心議題:
- 電路隔離的必要性
- 電路隔離器
解決方案:
- 選擇適合的電路隔離器件
本應用報告概述了高速數字電路中電子隔離的必要性、實施以及特性,討論了在一個隔離層上進行光、磁(電感)和電氣(電容)信號傳輸的優點和缺點,并對 ISO72x系列數字隔離器中使用的電容耦合技術作了特別的重點闡述。
1. 引言
隔離就是將一部分與其他部分中的非理想影響分離開來。在電子電路中,電介質通過阻斷直流電(DC)實現電路隔離。那么被隔離的電路如何在一個更大的電氣系統中運行呢?這個問題的答案便是本應用報告的主題。
隨著德州儀器(TI)和其他供應商推出的產品數量不斷增加,隔離信號的傳輸選項也隨之增加,從而使設計人員在產品選擇上變得更加復雜。本報告闡述了隔離器的重要特性,并說明了各產品之間的差異和相似之處。
在對電路隔離的必要性進行回顧之后,我們對電介質信號傳輸的三種方法以及模擬對數字隔離器進行了討論,并對每一類型數字隔離器的實例進行了描述和對比。
2. 電路隔離的必要性
隔離電路的主要原因是保護電路不受危險電壓和電流的損壞。在圖1的醫療應用實例中,即使是小量的AC電流也有可能造成致命的傷害,因此需要采用一個隔離層來保護病人。隔離還可對敏感電路進行保護,使其免于受到工業應用中出現的高壓損壞。圖2的工業實例僅為一個高壓測量法。將傳感器與實際高壓相隔離使得對低壓電路的測量成為可能。

圖1 電源和病人之間可能的電路通路

圖2 工業實例
[page]
保護原理是將高電壓電位(potential)隔離,其可能出現在各系統或電路中,如圖3中的線纜應用所示,其中的長距離可以將一個驅動器和接收機隔離。經過如此的長距離,接地可能處在不同電壓中。通過隔離,在隔離器而非敏感電路中形成電壓差。

圖3 設備之間的接地電壓差
如圖4所示,通過相對于其他電路組件而言的高阻抗,隔離中斷了由電路通路形成的環路。通過中斷該環路,噪聲電壓出現在隔離層上,而非出現在接收機或更為敏感的組件上。噪聲電壓的高電平可以由外部電流或電壓源(例如:電感馬達和閃電(lightning))耦合。

圖4 隔離中斷了由電路通路形成的環路
3. 電路隔離器
在允許通過電磁或光鏈路進行模擬或數字信號傳輸的同時,電路隔離器阻礙了各電路之間的低頻電流。數字隔離器傳輸二進制信號,模擬隔離器則在隔離層上傳輸連續信號。在模擬和數字隔離器中,工作和峰值額定電壓以及共模瞬態抗擾度均為這種隔離層的重要特性。當對數字信號進行隔離時,隔離電路的這些重要特性為輸入和輸出邏輯電壓電平、信號速率、數據運行長度以及自動防護響應。
傳統上而言,為滿足特殊需求時,變壓器、電容器或光電二極管晶體管及分立電路以輸入和輸出信號為條件。這種方法是有效的,但卻不能將其從一種應用轉移至另一種應用中。盡管這樣可能會保持模擬隔離器的情況,但市場中已經出現了新一代數字隔離器,其使用創新電路在超過100Mbps直流電信號速率的條件下對標準數字信號進行隔離。這些通用數字隔離器均具有其各自的優點和缺點。以下幾段內容將對各種不同技術進行介紹,并將具體產品同TI推出的新型 ISO72x系列產品進行對比。
3.1 光耦合技術
光耦合技術是在透明絕緣隔離層(例如:空氣間隙)上的光傳輸,以達到隔離目的。圖5顯示了一款數字隔離器的主要組件。該電流驅動器采用數字輸入,并將信號轉換為電流來驅動發光二極管(LED)。輸出緩沖器將光電探測器的電流輸出轉換為一個數字輸出。

圖5 基本光耦合機制
[page]
光耦合技術的主要優點是,光具有對外部電子或磁場內在的抗擾性,而且,光耦合技術允許使用恒定信息傳輸。光耦合器的不足之處主要體現在速度限制、功耗以及 LED老化上。
一個光耦合器的最大信號速率取決于LED能夠開啟和關閉的速度。從當前可供使用的產品來看,最快的光耦合器是HCPL-0723,其可以達到50Mbps 的信號速率。
從輸入到輸出的電流傳輸比(CTR)是光耦合器的一個重要特性,LED一般會要求 10mA的輸入電流,以用于高速數字傳輸。這種比率對用于驅動LED的電流和由光電晶體管產生的電流進行調節。隨著時間的推移,LED變得更為低效,同時要求更多的電流來產生相同等級的亮度以及相同等級的光電晶體管輸出電流。在許多數字隔離器中,內部電路控制LED驅動電流,并且用戶無法對逐漸下降的 CTR進行補償。LED的優勢減弱了,并且隨著時間的推移隔離器不再像以前那樣有效了。
3.2 電感耦合技術
電感耦合技術使用兩個線圈之間的變化磁場在一個隔離層上進行通信。最常見的例子就是變壓器,其磁場大小取決于主級和次級繞組的線圈結構(匝數/單位長度)、磁芯的介電常數,以及電流振幅。圖6顯示了一款具有信號調節電路模塊的變壓器。

圖6:電感隔離
電感耦合技術的優點是,可能存在的共模差異和差分傳輸特性。變壓器的精心設計允許噪聲和信號頻率重疊,但是會呈現出噪聲高共模阻抗和信號低差分阻抗。另一個優點是,信號能量傳輸可以為近100%的效率,從而使低功耗隔離器成為可能。
電感耦合技術的主要缺點是對外部磁場(噪聲)的磁化。工業應用通常要求磁場隔離,例如:馬達控制。數字變壓器傳輸中另一個缺點是數據運行長度。一個信號轉換器在某一頻率和振幅范圍內傳輸信號,并且其失真可以接受。需要數據運行長度限制或時鐘編碼來將該信號保持在可用變壓器帶寬內。采用電感耦合技術的通用數字隔離器要求信號處理隨同傳輸低頻率信號(1或0長字符)的方法共同對數字信號進行傳輸和重新構建。NVE公司/Avago(安華高)公司推出的 Isoloop,以及ADI(美國模擬器件公司)推出的iCoupler均使用了編碼功能,并提供了支持從DC到100Mbps運行范圍的數字隔離解決方案。
ADuM1100是ADI推出的iCoupler技術的一個例子。 ADuM1100使用一個基本的變壓器來實現在一個隔離層上傳輸信息。這種Isoloop技術(例如:HCPL-0900)使用一個如圖7所示的電阻器網絡來替換次級線圈。該電阻器由GMR(巨磁電阻)材料組成,這樣當磁場發揮作用時該電阻會發生變化。電路感應電阻的變化,并滿足其條件,以用于輸出。這種技術被首次引入市場時就切實地提高了AC性能,超過了現有光耦合器的性能。現在,隨著ADI最近推出了更多的數字隔離器以及TI ISO72x系列器件的推出,這些Isoloop器件的性能已經被超越。

圖7 GMR結構圖
3.3 電容耦合技術
電容耦合技術是在隔離層上采用一個不斷變化的電場傳輸信息。各電容器極板之間的材料是一個電介質隔離器,并形成隔離層。該極板尺寸、極板之間的間隔和電介質材料等都決定著電氣性能。

圖8 電容耦合
[page]
使用一個電容隔離層的好處是,在尺寸大小和能量傳輸方面的高效率,以及對磁場的抗擾度。前者使低功耗和低成本集成隔離電路成為可能;而后者使在飽和或高密度磁場環境下運行成為可能。
電容耦合技術的缺點是其沒有差分信號和噪聲,并且信號共用相同的傳輸通道,這一點與變壓器不同。這就要求信號頻率要大大高于噪聲預期頻率,這樣隔離層電容就呈現出信號的低阻抗,以及噪聲的高阻抗。使用了電感耦合以后,電容耦合就不能傳輸穩定狀態信號,并需要時鐘編碼數據。
3.3.1 TI推出的ISO721
TI推出的ISO72x系列隔離器采用電容耦合技術。電容耦合解決方案采用業經驗證的、低成本生產制造工藝,并對磁場具有內在的抗擾度。
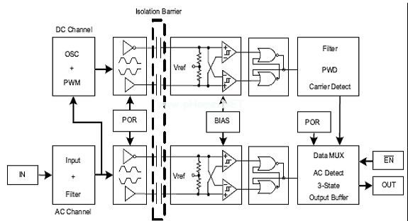
為了提供恒定信息的傳輸,ISO72x使用一個高信號速率和低信號速率通道來進行通信,如圖9所示。高信號速率通道未被編碼,并且其在一個單端到差分轉換之后的隔離層上傳輸數據。該低信號速率通道以一種脈寬調制格式對數據進行編碼,并在隔離層上差分傳輸數據,從而確保了恒定狀態的精確通信(1和0的長字符)。
單端邏輯信號在隔離層上的差分傳輸允許使用低電平信號和小耦合電容。這就呈現出對共模噪聲的高阻抗,并且,通過接收機的共模噪聲抑制,帶來了優異的瞬態抗擾度,也即信號電容耦合需要解決的主要問題。

圖9 ISO72x與ISO72xM的結構圖
3.4 隔離性能
三個主要標準驗證了對于隔離保護的必要性,其分別為UL 1577、IEC 60747-5-2和CSA。雖然每一種標準都稍有不同,但是均提供了一個對比隔離性能的標準。IEC、UL和CSA的測試證實了輸入和輸出之間電介質擊穿以外的電壓。運用這些標準非常簡單,因為測試標準和隔離方法無關。圖10顯示了隔離測試是如何將隔離器看作是兩端器件的。盡管每種器件的物理結構存在差異,但隔離測試卻是在電介質擊穿電壓上測定的。

圖10 將隔離器看作是兩端器件
UL 1577、IEC 60747-5-2、IEC 61010-1和CSA測試了ISO72x系列隔離性能。表1顯示了說明該三種隔離技術的這五個器件的隔離性能。

[page]
所有這三個測試,即UL、CSA和IEC,均對隔離層的質量進行了測試。UL和 CSA測試均為應力測試,其使用由廠商設置的規定時間對電介質擊穿電壓進行測試。在該測試期間,電介質的擊穿就是出現的一個故障。IEC測試使用一種被稱為局部放電的現象來探測電介質內的無效(void)。一個大電壓被應用于該器件中,其是由廠商定義的工作電壓的一個函數,然后被降低至另一個電壓電平,即 Vm。在該低壓應用中,對被測試器件進行電介質內的無效局部放電監控。這些無效會導致整個電介質的最終擊穿。
3.5 瞬態抗擾度
高轉換率(高頻率)瞬態可以破壞一個隔離層上的數據傳輸。該隔離層電容提供了一個如圖11所示的通道,使瞬態事件穿過隔離層,并破壞輸出波形。一個法拉第屏蔽可以使這種在光耦合器或電感耦合器中的位移電流的一部分遠離重要的輸出結構。

圖11 隔離層電容
在電容耦合解決方案中,法拉第屏蔽并非是一種可行的解決方案。除了瞬態以外,法拉第屏蔽還會阻塞用于數據傳輸的電場。為了提供瞬態抗擾度,ISO72x系列電容隔離器只傳輸fo信號(信號中僅代表最高頻率能量的數據信號)。這樣就允許有一個噪聲頻率高阻抗的小耦合電容。其他噪聲則來自在隔離層上傳輸數據的差分技術。圖9顯示了穿過電容隔離層的四個信號;兩個包含低信號速率信息,另外兩個包含高信號速率信息。通過使用差分技術,可以在真正的和補償信號中看到任何穿過隔離層的剩余共模瞬態,而且差分接收機對其進行了抑制。如表2所示, ISO72x系列的瞬態抗擾度和所有具可比性的高達25kV/us的器件一樣高。

3.6 自動防護
數據線電路和數字隔離器需要注意的一點就是輸入信號損耗的輸出狀態。輸入損耗可能出現在線纜斷開或直接從隔離器輸入端去除電源。自動防護是指在輸入損耗狀態下一個決定性的或已知的輸出狀態。ISO72x系列使用一個周期脈沖來確定輸入結構是否有電,并且是否正在工作。如果隔離器的輸出端在4us以后沒有接收到一個脈沖,那么該輸出被設置為一個高狀態。ADI推出的ADum1100也在 IC的輸出部分集成了一個自動防護電路。安華高科技推出的光解決方案(HCPL-0721及-0723)沒有提及自動防護,而電感GMR解決方案 (HCPL-0900)明確地描述了在電源排序期間輸出的不確定性質。
3.7 功耗
除了隔離層上信號傳輸的效率之外,輸入和輸出調節電路的設計同功耗的相關性最大。如表3所示,與電感或電容實例相比,光耦合器的功耗會更高。

[page]
3.8 可靠性
故障前平均工作時間(MTTF)是半導體設備可靠性的標準測量方法。對于數字隔離器而言,這種測量表示集成電路和隔離機制的可靠性。表4顯示了一款光、電感和電容數字隔離器的MTTF。與電感及光解決方案相比,ISO721非常可靠。

ADuM1100可靠性數據表沒有明確地說明MTTF,但是其提供了可靠性測試的結果。表5顯示了ISO721和 ADuM1100可靠性測試的參數。

3.9 外部磁場抗擾度
圖12對比了ADuM1100和ISO72x(沒有找到HCPL-0900的數據)的磁場抗擾度。相對來說盡管這兩個實例均對磁場有一定的抗擾度,但是 ISO72x提供了更大的裕度。如前面所述,光耦合隔離層電路對外部磁場具有內在的磁化抗擾度。

圖12 對外部磁場的敏感度
4. 本文小結
噪聲降低和噪聲保護使得隔離器在那些隔離器中斷接地環路并將接地電壓差隔離的電子電路中得到廣泛使用。設計人員現在擁有許多用來進行數字信號隔離的選擇,包括TI推出的ISO72x系列,其在信號速率、電介質擊穿電壓、瞬態抗擾度、功耗、磁場抗擾度以及可靠性等重要特性方面均表現不俗。表6對本報告中所討論實例的這些特性進行了總結。



