【導讀】隨著國防領域信息和監控需求的不斷增長,無線技術的普及性及其需求達到了前所未有的高度。在整個航空航天和國防工業,無線系統已部署于廣泛的應用之中,為單兵系統、無人系統控制、系統級健康、生命體征監控等眾多應用提供支撐。
國防界曾廣泛討論過增加通向戰士的數據流量的必要性問題。然而,無線通信已開始從根本上改變新一代系統的發展動向。增加數據流量、加強監控、無線革命和物聯網(IoT)(對于商業和工業領域二者實為同義詞),所有這些都將會對航空航天和國防市場產生同樣深遠的影響。
過去10年,隨著新波形、寬帶寬信號的出現,軍事通信系統多次升級,為增加通向戰士的數據流量創造了條件。目前,采用AD9361一類收發器的戰術電臺已能充分發揮軟件定義無線電(SDR)架構的優勢,根據需要實時適應戰區內的不同通信標準和協議。
帶寬更寬的數據鏈路不但可以實現向戰士傳輸數據,還可實現從戰士接收數據。這類數據可能包括實時視頻影像和資產跟蹤信息,將來還可能包括健康監控等功能以及慣性導航信息等。圖1所示為現代及新一代戰士可能使用的多種系統。

圖1. 士兵系統
隨著傳感器集成度的提高,隨著尺寸、重量和功耗(SWaP)的下降,將會有更多的傳感器集成到單兵系統中,以實現這些功能及類似功能。
傳感器的數量以及所產生的數據量都將要求使用無線互聯技術,要求先用短程數據鏈把數據聚合起來,然后再由戰術電臺把數據傳送回指揮中心,以便指揮機構對戰士進行監控并為其提供更好的支持。無人駕駛飛行器,尤其是無人機(UAV)的運用進一步推高了對無線數據的需求,同時也對頻譜的利用起著推動作用。在國防領域,目前有大量的各類飛行器在役,從Northrop Grumman公司全球鷹等大型平臺到Aerovironment公司大烏鴉無人機等小型平臺系統,應有盡有。對于這些飛行器和波形來說,無線網絡和衛星通信鏈顯然是一個主要要求。業內專門為這些系統制定了標準,包括小型無人機系統數字數據鏈(SUAS DDL)波形。借助這樣的波形,不但可以實現對小型無人機的控制,更重要的是,還能將機載傳感器網絡發來的數據和視頻信息傳到控制器。利用該網絡可以更加靈活、更加有效地收集現場情報。然而,這些平臺功率有限,并且在可用帶寬有限且要求多個系統在同一頻段工作的情況下,它們推高了對通信鏈中所用收發器的需求。
盡管國防工業在無人機系統領域處于領先地位,但大量報道顯示,許多商業系統和運營商計劃將來采用無人機技術,據報道,亞馬遜、谷歌等公司正在開發這些系統。諸如此類的商業活動同樣要求無線和安全數據鏈。隨著這一市場領域的發展,分配頻譜需求將繼續水漲船高,進一步推高對高級通信收發器的需求。
進一步深入航空航天領域,在如今商用飛機上,無線寬帶通信系統大行其道,如此一來,乘客就可在飛行途中通過WiFi訪問互聯網。目前,對這些服務的需求及其延伸必將延續下去,大量利用衛星通信以在全球實現寬帶連接。除這些發展動向以外,航空航天市場已開始主動尋求將無線技術引入一系列其他應用領域。業內已開始主動評估無線傳感器的應用價值,以期提高安全性和燃油效率。通過降低飛機重量,可以提高燃油效率。為此,對傳感器技術以及傳感器之間的互聯選擇也在進行嚴格審核。在現代高級軍用和商用飛機中,所用線纜可能多達100000條,長度可能超過470米,重量可能高達5700公斤,這還不包括結構固定點的基礎設施和導線,這些可能再增加30%。雖然用無線傳感器取代所有這些的可能性不大,但由企業、學術界和政府機構成立的合作組織航空航天飛行器系統研究所(AVSI)已著手對這種可能性展開研究。AVSI成立了一個工作組,專門研究無線航天電子內部通信(WAIC)技術,其目標是在不使用電纜和線束的情況下,把多種多樣的飛機傳感器相互連接起來。
盡管在這種應用中,無線傳感器無疑會減輕重量,傳感器網絡還能帶來其他好處,包括可再配置能力,可能還有利于提高安全性,但更重要的是,無線傳感器還能快速添加和升級傳感器,無需增加布線和基礎設施。對飛機上更多功能進行監控和調整的能力有可能大幅提高效率,因為可以實時調整發動機、熱管理系統等組件。此外,添加設備健康監控和額外的安全監控功能以后,可以更加密切地監控維修和保養需求,從而及早發現問題,并更加有效地安排維修工作。WAIC工作組列出了可能從該技術受益的多種系統:

在上述多個例子中,為飛機系統監控功能添加無線通信鏈是難上加難。為了切實有效,許多系統需要用電池供電,并且需要超長時間工作,甚至可能長達數年不更換。要在功率有限的環境中達到所需傳感器量,就要采用傳統電池以外的能源。用能源采集技術作為替代電源,有利于提高傳感器的靈活性,有利于改善SWaP。
從單兵系統到航空航天應用,上述所有例子都展現出對無線通信和傳感器與日俱增的依賴,一些需要解決的新問題也隨之而來。ADI公司正在努力為這些種類繁多的問題提供一個綜合性解決方案。改進型無線通信收發器是該解決方案的關鍵。除此以外,我們還在能源采集和傳感器領域展開了研究,同時致力于提高全部三種設備之間的互操作性。
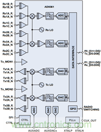
為了支持通信數據鏈,諸如AD9361一類的高度可配置收發器以及ADF7023 和ADF7024 等ISM頻段器件可為無線連接領域提供解決方案。AD9361和AD9364 均為高度可配置射頻到比特收發器,支持的通信鏈范圍為200 kHz至56 MHz,射頻頻率范圍為70 MHz至6 GHz。它們采用直接變頻架構,搭載有低噪聲放大器、混頻級、高速轉換器和數字信號處理算法(包括高級正交誤差校正算法),封裝尺寸為10mm2,為寬帶通信鏈提供了一個真正的射頻到比特解決方案。該器件已經廣泛應用在軍事通信領域,因為它們能支持動態再配置。類似地,因具備強大的軟件配置能力,還可針對許多其他通信數據鏈需求(與無人機部分所述要求相似)提供單一的解決方案。高度的可配置能力可實現真正意義上的軟件定義無線電(SDR),為將開發的一款硬件應用于多個系統創造了條件,尤其值得一指的是,其典型功耗不到1 W。

圖2. AD9361—寬帶收發器

圖3. ADF7023—ISM頻段收發器
ADF7023、ADF7024和ADF7242均為超低功耗集成式收發器,專門針對免許可的ISM頻段(433 MHz、868 MHz、915 MHz和2.4 GHz)而設計,具有特別的波形調制功能,頻移鍵控(FSK)或高斯頻移鍵控(GFSK),并具有較低的數據速率,ADF7024最高為300 kbps,ADF7242為2 Mbps。盡管這些器件不如AD9361靈活,但也集成了類似的功能,使器件能支持射頻到比特收發器。例如,ADF7024即可滿足這一要求,封裝尺寸僅為5 mm2,接收模式下功耗低至12.8 mA;在功率水平和長壽命至關重要的應用中,可以用來收發傳感器數據。
進一步增強傳感器技術與無線通信節點之間的融合,其必要性顯而易見,推動半導體工業走向兩大要素的整合,促使半導體工業提升密切整合這兩個要素的能力。要完全解決傳感器和物聯網難題,可以采用綜合性方法,配合使用多種器件,借助不斷增強的傳統型精密放大器和轉換器實現溫度、電流和電壓檢測。進一步說,采用MEM型陀螺儀和加速度計的眾多導航系統和健康監護系統具備監控單兵運動并進行跟蹤的潛力,也可用來監控系統振動,并在檢測到意外運動時確定系統健康狀況。
例如,ADIS16488A iSensor® 就是一款完整的全集成式高性能慣性系統,其中包括一個三軸陀螺儀、一個三軸加速度計和一個三軸磁力計,可以當作組件用在人員跟蹤系統或振動監控系統中。該系統以MEM技術為依托,提供了一款經濟型的運動跟蹤解決方案,可以置入或集成到設備之中,并通過無線通信系統接入單兵電臺,然后將數據傳回指揮中心,由此打造出一種全面的單兵跟蹤解決方案,尤其是在無GPS信號的環境中,有助于增加搜索和救援行動的便利性。

圖4. 可能的無線傳感器互聯系統
類似地,用于振動監控應用時,ADIi和MEM器件可實現機器健康分析功能,盡早發現可能出現的設備故障問題。由于對安裝位置要求較嚴,此類傳感器往往難以安放,但是,如果把低功耗電池供電型射頻收發器與傳感器結合起來,即可輕松解決器件安放的問題。在這種方案下,數據被傳輸到中央監控裝置,也可能通過蜂窩或衛星通信網絡傳回遠程監控站。
以上只是冰山一角,還可考慮采用基于多種技術的許多其他選項和檢測系統,但所有這些系統都依靠安全射頻通信來轉發數據。從整個航空航天領域和國防領域來看,無線網絡快速普及,數據監控和分發需求快步增長,如果無人系統的利用率達到預期,這一趨勢有望加速推進。采用無線技術的主要優勢是,可以同時提高效率、可再配置能力以及平臺的整體安全性。這些特點推動著ADI公司多種產品線朝著目標方向發展,為實現新一代系統目標提供了堅實保障。由于能夠運用安全性更高并且支持定制波形的商用技術,因此,物聯網必然會在現代和未來航空航天系統及國防系統中發揮關鍵作用。
本文轉載自亞德諾半導體。
推薦閱讀:


