【導讀】步進電機的可編程控制器直接控制,可使組合機床自動生產線控制系統的成本顯著下降。文章介紹了用PLC控制步進電機驅動的數控滑臺方法,伺服控制、驅動及接口以及步進電機PLC控制的軟件邏輯。
步進電機的可編程控制器直接控制,可使組合機床自動生產線控制系統的成本顯著下降。文章介紹了用PLC控制步進電機驅動的數控滑臺方法,伺服控制、驅動及接口以及步進電機PLC控制的軟件邏輯。
1 概述
在組合機床自動線中,一般根據不同的加工精度要求設置三種滑臺(1)液壓滑臺,用于切削量大,加工精度要求較低的粗加工工序中;(2)機械滑臺,用于切削量中等,具有一定加工精度要求的半精加工工序中;(3)數控滑臺,用于切削量小,加工精度要求很高的精加工工序中。可編程控制器(簡稱PLC)以其通用性強、可靠性高、指令系統簡單、編程簡便易學、易于掌握、體積小、維修工作少、現場接口安裝方便等一系列優點,被廣泛應用于工業自動控制中。特別是在組合機床自動生產線的控制及CNC機床的S、T、M功能控制更顯示出其卓越的性能。PLC控制的步進電機開環伺服機構應用于組合機床自動生產線上的數控滑臺控制,可省去該單元的數控系統使該單元的控制系統成本降低70~90%,甚至只占用自動線控制單元PLC的3~5個I/O接口及<1KB的內存。特別是大型自動線中可以使控制系統的成本顯著下降。
2 PLC控制的數控滑臺結構
一般組合機床自動線中的數控滑臺采用步進電機驅動的開環伺服機構。采用PLC控制的數控滑臺由可編程控制器、環行脈沖分配器、步進電機驅動器、步進電機和伺服傳動機構等部分組成,見圖1。
圖1
伺服傳動機構中的齒輪Z1、Z2應該采取消隙措施,避免產生反向死區或使加工精度下降;而絲杠傳動副則應該根據該單元的加工精度要求,確定是否選用滾珠絲杠副。采用滾珠絲杠副,具有傳動效率高、系統剛度好、傳動精度高、使用壽命長的優點,但成本較高且不能自鎖。
3 數控滑臺的PLC控制方法
數控滑臺的控制因素主要有三個:
3.1 行程控制
一般液壓滑臺和機械滑臺的行程控制是利用位置或壓力傳感器(行程開關/死擋鐵)來實現;而數控滑臺的行程則采用數字控制來實現。由數控滑臺的結構可知,滑臺的行程正比于步進電機的總轉角,因此只要控制步進電機的總轉角即可。由步進電機的工作原理和特性可知步進電機的總轉角正比于所輸入的控制脈沖個數;因此可以根據伺服機構的位移量確定PLC輸出的脈沖個數:
n= DL/d (1)
式中 DL——伺服機構的位移量(mm),d ——伺服機構的脈沖當量(mm/脈沖)
3.2 進給速度控制
伺服機構的進給速度取決于步進電機的轉速,而步進電機的轉速取決于輸入的脈沖頻率;因此可以根據該工序要求的進給速度,確定其PLC輸出的脈沖頻率:
f=Vf/60d (Hz) (2)
式中 Vf——伺服機構的進給速度(mm/min)
3.3 進給方向控制
進給方向控制即步進電機的轉向控制。步進電機的轉向可以通過改變步進電機各繞組的通電順序來改變其轉向;如三相步進電機通電順序為A-AB-B-BC-C-CA-A…時步進電機正轉;當繞組按A-AC-C-CB-B-BA-A…順序通電時步進電機反轉。因此可以通過PLC輸出的方向控制信號改變硬件環行分配器的輸出順序來實現,或經編程改變輸出脈沖的順序來改變步進電機繞組的通電順序實現。
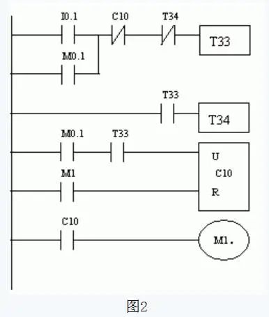
4 PLC的軟件控制邏輯
由滑臺的PLC控制方法可知,應使步進電機的輸入脈沖總數和脈沖頻率受到相應的控制。因此在控制軟件上設置一個脈沖總數和脈沖頻率可控的脈沖信號發生器;對于頻率較低的控制脈沖,可以利用PLC中的定時器構成,如圖2所示。脈沖頻率可以通過定時器的定時常數控制脈沖周期,脈沖總數控制則可以設置一脈沖計數器C10。當脈沖數達到設定值時,計數器C10動作切斷脈沖發生器回路,使其停止工作。伺服機構的步進電機無脈沖輸入時便停止運轉,伺服執行機構定位。當伺服執行機構的位移速度要求較高時,可以用PLC中的高速脈沖發生器。不同的PLC其高速脈沖的頻率可達4000~6000Hz。對于自動線上的一般伺服機構,其速度可以得到充分滿足。
5 伺服控制、驅動及接口
5.1 步進電機控制系統的組成
步進電機的控制系統由可編程控制器、環行脈沖分配器和步進電機功率驅動器組成,其結構見圖1。
控制系統中PLC用來產生控制脈沖;通過PLC編程輸出一定數量的方波脈沖,控制步進電機的轉角進而控制伺服機構的進給量;同時通過編程控制脈沖頻率——既伺服機構的進給速度;環行脈沖分配器將可編程控制器輸出的控制脈沖按步進電機的通電順序分配到相應的繞組。PLC控制的步進電機可以采用軟件環行分配器,也可以采用如圖1所示的硬件環行分配器。采用軟環占用的PLC資源較多,特別是步進電機繞組相數M>4時,對于大型生產線應該予以充分考慮。采用硬件環行分配器,雖然硬件結構稍微復雜些,但可以節省占用PLC的I/O口點數,目前市場有多種專用芯片可以選用。步進電機功率驅動器將PLC輸出的控制脈沖放大到幾十~上百伏特、幾安~十幾安的驅動能力。一般PLC的輸出接口具有一定的驅動能力,而通常的晶體管直流輸出接口的負載能力僅為十幾~幾十伏特、幾十~幾百毫安。但對于功率步進電機則要求幾十~上百伏特、幾安~十幾安的驅動能力,因此應該采用驅動器對輸出脈沖進行放大。
5.2 可編程控制器的接口
如伺服機構采用硬件環行分配器,則占用PLC的I/O口點數少于5點,一般僅為3點。其中I口占用一點,作為啟動控制信號;O口占用2點,一點作為PLC的脈沖輸出接口,接至伺服系統硬環的時鐘脈沖輸入端,另一點作為步進電機轉向控制信號,接至硬環的相序分配控制端,如圖3所示;伺服系統采用軟件環行分配器時,其接口如圖4。
6 應用實例與結論
將PLC控制的開環伺服機構用于某大型生產線的數控滑臺,每個滑臺僅占用4個I/O接口,節省了CNC控制系統,其脈沖當量為0.01~0.05mm,進給速度為Vf=3~15m/min,完全滿足工藝要求和加工精度要求。
免責聲明:本文為轉載文章,轉載此文目的在于傳遞更多信息,版權歸原作者所有。本文所用視頻、圖片、文字如涉及作品版權問題,請聯系小編進行處理。
推薦閱讀:




