【導讀】本應用筆記描述了傳輸門的用途和基本操作。本文解釋了如何使用傳輸門以的電路板面積投資來快速隔離多個信號,并且這些關鍵信號的特性下降可以忽略不計。DS3690 是示例設備。
本應用筆記描述了傳輸門的用途和基本操作。本文解釋了如何使用傳輸門以的電路板面積投資來快速隔離多個信號,并且這些關鍵信號的特性下降可以忽略不計。DS3690 是示例設備。
傳輸門是一種模擬開關,可以選擇性地阻止信號傳輸。在本應用筆記中,我們將定義傳輸門的含義、其基本操作和終目的。例如,DS3690 器件用于隔離多個信號,并且對電路板面積的投資,并且這些關鍵信號的特性下降可以忽略不計。
基本操作
傳輸門或模擬開關被定義為一種電子元件,它將選擇性地阻止或傳遞從輸入到輸出的信號電平。該固態開關由 pMOS 晶體管和 nMOS 晶體管組成??刂茤艠O以互補方式偏置,使得兩個晶體管要么導通,要么截止。
當節點 A 上的電壓為邏輯 1 時,互補邏輯 0 被施加到低電平有效節點 A,從而允許兩個晶體管導通并將 IN 處的信號傳遞到 OUT。當節點 A 上的低電平有效電壓為邏輯 0 時,互補邏輯 1 被施加到節點 A,關閉兩個晶體管并在 IN 和 OUT 節點上強制形成高阻抗狀態。這種高阻抗條件代表 DS3690 通道可能向下游反映的第三種“狀態”(高、低或高阻抗)。
原理圖(圖 1)包括 IN 和 OUT 的任意標簽,因為如果這些標簽顛倒,電路將以相同的方式運行。該設計提供真正的雙向連接,且不會降低輸入信號的質量。

傳輸門的示意圖。
傳輸門的常見電路符號描述了電路操作的雙向性質(圖 2)。

電路符號。
傳輸門有什么用?
傳輸門通常用作邏輯電路的構建塊,例如 D 鎖存器或 D 觸發器。作為獨立電路,傳輸門可以在熱插入或移除過程中將一個或多個組件與實時信號隔離。在安全應用中,它們可以有選擇地阻止關鍵信號或數據在沒有適當的硬件控制授權的情況下傳輸。
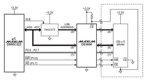
圖 3 中的連接方案旨在隔離微處理器和內存組件之間的 I/O 總線,以防內存被移除。SRAM 物理安裝在可移動存儲卡上;DS3690 傳輸門用于隔離通過連接器路由的各種信號。
什么是傳輸門?

DS3690的典型應用電路。
SRAM 的接地連接通過連接器反饋,以拉低 DS3690 芯片使能(低電平有效 CE)引腳。安裝存儲卡后,此操作將啟用傳輸門。
DS3690 有什么獨特之處?
大量獨立通道減少了組件數量
DS3690 具有 26 個獨立通道,具有當今市場上的總線寬度。大多數商用傳輸門都配置為容納 2、4 或 8 個離散信號。以圖 3 為例,當卡被移除時,該 SRAM 需要隔離 25 個離散信號。使用傳統的 8 位傳輸門,設計人員必須放置四個獨立的組件來隔離該 SRAM,從而顯著增加終組件數量和專用 PC 板面積。
小封裝節省電路板空間
DS3690 采用 5 mm x 11 mm TQFN 封裝,僅需 55 mm? 的 PC 板面積即可完成整個總線隔離工作。如果設計人員選擇了 8 位傳輸門,則激進的封裝是每個占用 51.5 mm? 的 SSOP。考慮到信號布線的余量,四個 8 位組件將占用超過 200 mm? 的空間來完成與單個 DS3690 相同的功能。
免責聲明:本文為轉載文章,轉載此文目的在于傳遞更多信息,版權歸原作者所有。本文所用視頻、圖片、文字如涉及作品版權問題,請聯系小編進行處理。
推薦閱讀:






