【導讀】著能源需求的擴大,電流和電壓值也會上升。在許多應用中,更高的電壓變得更為常見,即使在獨立應用中也是如此。具有更高電壓的應用都被認為存在危險,包括電動汽車 (EV),能源基礎設施應用,例如直流快速充電 (DCFC)、太陽能、儲能和不間斷電源 (UPS)。
著能源需求的擴大,電流和電壓值也會上升。在許多應用中,更高的電壓變得更為常見,即使在獨立應用中也是如此。具有更高電壓的應用都被認為存在危險,包括電動汽車 (EV),能源基礎設施應用,例如直流快速充電 (DCFC)、太陽能、儲能和不間斷電源 (UPS)。
在與高壓設備進行人機交互時,電流隔離是必要的,并由安全標準定義,以確保安全運行。創建隔離有多種方法,具體選擇哪種取決于應用、技術要求或適用標準。這篇技術文章將探討不同的方法,并討論如何為應用選擇合適的方法。
什么是隔離?
通常稱為“電氣隔離”,意思是沒有金屬接觸,目的是隔離功能部分或電氣電子電路,以防止電流在它們之間流動。
圖1.電氣隔離原理
隔離的主要原因之一是保障安全;當人員可能與供電設備交互時,這一點尤為重要。提供適當的隔離可確保任何用戶,即使在發生嚴重故障的情況下,也不會接觸到危險電壓。
隔離通常由適用于應用的安全標準定義。該定義可能只涉及擊穿電壓,也可能包括對物理隔離(“爬電距離和間隙”)的要求。
除了保護用戶,隔離還可以分開電路的低壓 (LV) 和高壓 (HV) 部分,并在過濾共模噪聲方面發揮作用。由于沒有金屬傳導路徑,接地電流無法循環,從而消除了隔離電路中與接地環路相關的噪聲。
除了保護人員,隔離還可以保護高價值電路元件和子系統免受電路其他區域的災難性故障造成的損壞。
隔離的方法
雖然隔離使不同的電路部分保持分離,但信號需要跨越隔離邊界,因此需要使用諸如光耦合器或者數字隔離器,在保持隔離等級的同時允許傳輸信號。
最常見的方法是使用一個集成了LED和光敏晶體管的光耦合器。這項技術已有50多年歷史,并繼續在隔離器件市場占據主導地位,份額約為85%。
數字隔離器可以是磁性的或電容性的,雖然這些技術相對較新,但售出的隔離器件中大約有七分之一是數字隔離器。它們在特定應用(尤其是汽車)中特別有價值,這些領域的增長將使得數字隔離器在未來占有更大的市場份額。
各種隔離技術的比較
每種技術因性能和價格各異,適合的應用領域也有所不同。
“傳統”光耦合器器件使用環氧樹脂或硅凝膠提供>400μm的相對穩健的隔離距離 (DTI),符合EN 60950的要求。然而,隨著時間的推移,這些器件的運行和性能會相對下降,并且溫度不穩定。它們的預期壽命也相對較短,約為10年,并且很少有符合車規 AEC 標準的。
光耦合器通常不太適合多通道設計,因為這需要很大的空間。然而,從積極的方面來說,光耦合器由于使用光來傳輸,因此沒有 EMI/EMC 問題,并且它們不需要調制信號,從而降低了電路設計的復雜性,同時節省了空間和成本。
兩種片上數字技術(磁性和電容性)的性能相似。明顯的區別在于,磁性器件使用磁場通過20μm聚酰亞胺絕緣體傳遞信號,而電容式器件使用電場穿過SiO2隔離屏障。
隨著時間和溫度的變化,這兩種數字技術都能帶來更快的傳播和性能,預期壽命約為20年,是光耦合器的兩倍。它們還提供更高的共模瞬變抗擾度 (CMTI),在100kV/μs左右。
不利的一面是,數字器件的DTI僅為20μm 左右,無法滿足EN60950的要求。它們還需要信號調制,因為它們不能通過DC,并且在使用這些器件時必須考慮EMC/EMI的設計。
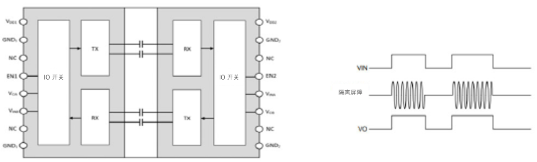
安森美 (onsemi) 的Digi-Max?技術提供了一種獨特的數字隔離器類型,稱為片外電容式。它使用500μm的陶瓷基板作為電容器,將其與初級和次級芯片分開,因此稱為“片外”。金屬層沉積在陶瓷基板的兩邊以構建電容器,提供 0.5 mm 的隔離距離。通常,兩組電容器用于差模通信,以幫助消除共模噪聲。
圖3.片外數字隔離器在單獨的陶瓷基板上構建電容器,具有多種優勢
片外隔離器的工作原理與片上解決方案類似。使用開關鍵控 (OOK),這樣當輸入信號為低電平時,施加到電容器的信號不會被調制,因此輸出保持低電平。當輸入為高電平時,調制信號通過電容器,導致輸出上升。
圖4.數字隔離器使用開關鍵控 (OOK) 跨隔離邊界傳輸信號
Digi-Max技術在電容器上多路復用數據,因此多通道并行數據可以作為串行數據流傳輸。這免去了使用多個電容器的需要,從而減小了解決方案的尺寸。
故障防護操作
就本質而言,隔離器件在使用過程中可能會遇到電氣過載 (EOS)。然而,關鍵的考慮因素是它們是否仍然安全。為了說明這一點,我們將兩個器件(一個安森美Digi-Max隔離器和類似的競品器件)都暴露在 VDD 和接地端之間的擊穿限制電壓下。
正如預期的那樣,兩個器件都失效了。然而,在開封之前,它們都經過了絕緣測試。競品器件在大約2.76kV時失效,而安森美的Digi-Max數字隔離器在60秒內保持了數據表中標定的5kV性能。這清楚地表明,使用Digi-Max,即使在發生嚴重的EOS事件后,隔離屏障仍然完好無損,即使出現功能故障,保護仍然存在。
為什么使用陶瓷材料?
片外使用陶瓷材料來制造電容器,作為隔離屏障和信號傳輸介質,使用開關鍵控 (OOK) 技術從一端傳輸信號到另一端。
在 EOS/ESD 損壞其中一個 IC 的情況下,片外隔離結構使用陶瓷材料保護絕緣屏障。
使用陶瓷材料制作隔離電容器有幾個優點。陶瓷材料是良好的電絕緣體和熱絕緣體,具有較低的導電性和導熱性。火焰從初級側傳播到次級側幾乎是不可能的,因為陶瓷材料具有高熔點并且耐熱。它們經久耐用,具有相當出色的耐用性、硬度和強度。陶瓷具有化學惰性,因此不會與其他化學物質發生反應。簡而言之,在制造隔離電容器時,沒有任何材料可以與 SiO2 材料相媲美。
使用哪種技術?
如果只需要單通道或雙通道解決方案,光耦合器通常是理想解決方案。如果需要輕松滿足 EMC 要求,或成本是關鍵考慮因素,光耦合器也是理想選擇。
但是,如果應用需要較長的使用壽命(>10 年),或隨時間和溫度的變化保持穩定性能,則數字隔離器是理想技術。它們也更適合高通道數應用和需要雙向通信的應用。由于很少有光隔離器符合 AEC 標準,因此幾乎所有汽車隔離器都是數字隔離器。
Digi-Max 技術提供與其他數字隔離器一樣的各種性能優勢和特性,而且不會因 EOS 事件發生安全故障。此外,由于獨特的電容器結構,它還可以提供與光耦合器器件相同水平的可靠性。
圖5.技術總結
隔離是許多設計中的一個關鍵方面,并且與許多技術一樣,設計人員有多種選擇。盡管光耦合器已經存在了很長時間,但它有一些局限性,尤其是在汽車應用中。如今的數字隔離器克服了許多這些問題并符合AEC標準。
憑借獨特的片外結構,安森美的Digi-Max數字隔離器 為設計人員提供了另一個關鍵優勢,即使在發生災難性EOS事件后也能保持原有的隔離等級。
本文轉載自:安森美
免責聲明:本文為轉載文章,轉載此文目的在于傳遞更多信息,版權歸原作者所有。本文所用視頻、圖片、文字如涉及作品版權問題,請聯系小編進行處理。
推薦閱讀:
如何使用托管型以太網交換機為 IIoT 實現安全的時間敏感網絡







