【導讀】隨著智能汽車、物聯網和移動設備的快速發展,MIPI總線技術已經成為現代電子系統中不可或缺的一部分。MIPI(Mobile Industry Processor Interface)協會自2003年成立以來,一直致力于開發移動及相關產品的接口標準。如今,MIPI標準不僅在智能手機中廣泛應用,還在汽車、物聯網等領域發揮著重要作用。本文將介紹MIPI總線的核心技術、應用場景以及測試解決方案。
隨著智能汽車、物聯網和移動設備的快速發展,MIPI總線技術已經成為現代電子系統中不可或缺的一部分。MIPI(Mobile Industry Processor Interface)協會自2003年成立以來,一直致力于開發移動及相關產品的接口標準。如今,MIPI標準不僅在智能手機中廣泛應用,還在汽車、物聯網等領域發揮著重要作用。本文將介紹MIPI總線的核心技術、應用場景以及測試解決方案。

圖1. MIPI標準族在汽車中的應用
MIPI總線在汽車領域的應用場景
在汽車領域,MIPI標準的應用范圍不斷擴大,涵蓋了攝像頭、音視頻傳輸、無線互聯、車載網絡、存儲和傳感器等多個場景。隨著自動駕駛和智能座艙技術的發展,MIPI標準的重要性愈發凸顯。例如,MIPI的C-PHY、D-PHY和M-PHY等物理層標準,為高級輔助駕駛系統(ADAS)和智能座艙中的高清視頻傳輸提供了技術支持。

圖2. MIPI多個物理層規范信號特征一覽
MIPI D-PHY:靈活的物理層標準
MIPI D-PHY是一種可擴展的物理層標準,廣泛應用于相機和顯示器接口。它支持差分(高速)和單端(低功耗)模式,能夠在傳輸大量數據或節省電力之間靈活切換。D-PHY接口支持單工或雙工配置,并可根據需要配置多個數據通道。

圖3. MIPI D-PHY信號示意圖
D-PHY信號包括高速模式(HS mode)和低功耗模式(LP mode)。在高速模式下,數據信號通過差分傳輸,信號擺幅約為200mV,支持高達4.5Gbps的數據速率。而在低功耗模式下,信號切換為單端模式,信號擺幅為1.2V,最大速率為10Mbps。
MIPI協會為D-PHY制定了一致性測試規范(CTS),以確保不同設備之間的互操作性。測試內容包括數據通道和時鐘通道的信令測試、時序要求以及HS和LP模式之間的切換測試。
MIPI C-PHY:高帶寬的三相符號編碼
C-PHY是MIPI聯盟推出的另一種物理層標準,采用三相符號編碼,通過三條信號線實現更高的信道容量。與D-PHY的差分信號不同,C-PHY的每個符號可以傳輸約2.28比特的數據,顯著提高了帶寬利用率。

圖4. MIPI C-PHY高速信號實例
C-PHY的數據通道由A、B、C三根線組成,每個符號通過三線編碼實現更高的數據傳輸效率。C-PHY同樣支持HS和LP模式,并具備與D-PHY類似的模式切換特性。
C-PHY的一致性測試標準(CTS)也已更新至2.1版本。測試內容涵蓋發射機的電氣特性、時序要求以及數據傳輸的完整性。

圖5. MIPI C-PHY 端到端數據傳輸過程
針對MIPI D-PHY多條差分總線的測試,需要利用三根或四根探頭完成對數據和時鐘信號的探測,如果時鐘是連續時鐘,至少需要三根探頭完成探測,如果時鐘是Normal非連續時鐘,需要四根探頭完成測試;然后利用 D-PHY Tx物理層一致性測試軟件完成全自動化測試。
大多數情況采用左下圖的連接方式。待測物是一個完整的系統,里面包含D-PHY的Controller和Device,探頭在不破壞系統工作狀態的情況下,連接待測物并測量信號質量;如果被測的芯片,可能采用右下圖的連接方式,芯片通過評估板來測量信號質量,只有一個D-PHY controller 芯片和一些外圍電路,通過評估板上的SMA接頭將信號引出。需要在評估板外接一塊終端板(Termination Board)來提供D-PHY的動態端接,探頭連接在端接板上的測試點進行信號觀測。

圖6. MIPI D-PHY信號連接方式選擇

圖7. D-PHY和C-PHY測試配置
MIPI M-PHY:面向高性能存儲的接口
隨著自動駕駛和智能座艙對數據存儲需求的增加,MIPI M-PHY作為一種高性能存儲接口,逐漸成為車載存儲的首選標準。M-PHY支持多種工作模式和速率,適用于通用閃存存儲(UFS)等應用。
M-PHY定義了LANE作為單向傳輸通道,支持差分信號傳輸。它采用NRZ和PWM兩種信令模式,并支持多種速率的GEAR模式。M-PHY還具備靈活的省電模式和突發數據傳輸特性。
泰克公司提供的M-PHY測試解決方案能夠滿足最新的CTS標準要求,支持多種信號類型和速率的測試。其自動化測試軟件和硬件設備能夠有效降低測試難度,提高測試效率。

圖8. MIPI M-PHY在車載存儲上的應用
下圖給出了M-PHY架構的示意圖。

圖9. M-PHY架構的示意圖
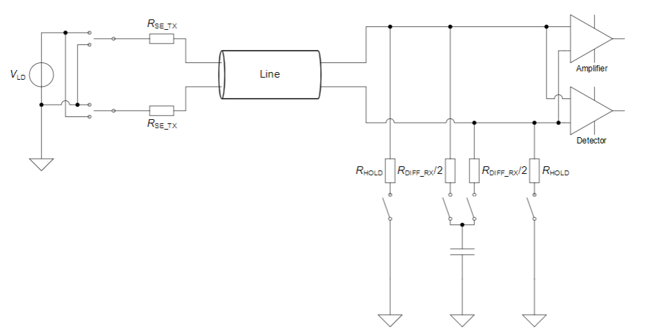
如上所述,在LINE上傳輸的是差分信令信號,其差分的正向或者負向電平標記為DIF-P或者DIF-N;但在差分線上也存在有M-RX保持的差分零電壓狀態,記為DIF-Z;而LINE上的電壓處于浮動狀態或沒有模組驅動時記為DIF-Q。在進行數據傳輸時,只有DIF-P以及DIF-N的狀態,DIF-Z只在上電以及省電狀態下存在。

圖10. M-PHY端接示意圖
如上圖所示,M-TX發射機通過RSE-TX進行端接驅動,但在SLEEP以及STALL狀態下也存在更高阻抗RSE-PO-TX。作為接收機則不需要一直保持端接,但在HS-MODE高速狀態下必須端接,這點也類似與D-PHY及C-PHY,具備可切換的端接形式。如果M-RX進行了阻抗端接那么DIF-P狀態可以標記為DIF-PRT,否則就是DIF-PNT,對于DIF-N狀態也是如此進行標記。
M-PHY除了進行差分的信令傳輸以外,它的信令模式也包含了NRZ以及脈寬調制PWM兩種模式。對于PWM調制模式,其特性就是自帶時鐘屬性,因為每一個傳輸的符號中都包含了信號的跳變,也就是每個符號中都包含了DIF-P以及DIF-N的狀態。如下圖所示:

圖11. M-PHY PWM信令模式示意
對于M-PHY來說,與D-PHY以及C-PHY類似,以突發進行數據傳輸,包含了HS-MODE高速模式以及LS-MODE低速模式。而取決于LS-MODE采用什么樣的信令格式,M-PHY的模組又分為TYPE-I及TYPE-II模式,兩種模式互斥:
TYPE-I, LS-MODE采用PWM信令模式,需要共享的參考時鐘;
TYPE-II,LS-MODE采用NRZ信令模式,記為“SYS”模式,需要共享的參考時鐘。
M-PHY中的每個模組支持的多種以GEAR命名的速率,考慮到EMI的問題,每個GEAR包含了兩個速率;GEAR的速率會相對與上一個GEAR翻倍,并向下兼容所有GEAR的速率。完全的工作模式和選項如下圖所示:

圖12. M-PHY MODULE功能選項列表
M-PHY信號由于存在Type-I以及Type-II兩種LS-MODE,所以在狀態機上有一定區別,但是在傳輸上都包含兩種模式:HS-MODE以及LS-MODE;其中包含了數據傳輸的BURST狀態以及不同模式的省電狀態。在HS-MODE中的省電狀態為STALL狀態,而在LS-MODE中為SLEEP狀態。因此每個模式總結起來包含如下所列的狀態:
HS-MODE: STALL, HS-BURST
LS-MODE (Type-I MODULE): SLEEP, PWM-BURST
LS-MODE(Type-II MODULE): SLEEP,SYS-BURST
簡要的來說,M-PHY的狀態機如下圖中的Type II M-TX的示例,實際上對于M-PHY的每個狀態機都包含了5個不同的省電(SAVE)狀態,如圖中藍色狀態所示;同時狀態機中也包含LINE-REST狀態來進行特殊的狀態打斷;而在HS-MODE以及LS-MODE也如上所示,有自身的省電狀態以及數據突發傳輸狀態。

圖13. M-PHY狀態機示例-Type-II M-TX
泰克自動化測試軟件通過簡單快捷的五步操作完成對軟件的設置,同時還提供了很大的靈活度方便不同的客戶需求,比如快捷的測量項目和測試速率選擇、自定義的信道甚至均衡濾波器的引入、各個測試項的測試設置、自定義眼圖模版導入等等,使得客戶在不同的應用場景以及產品研發的不同階段可以進行不同程度的測試和調試。

圖14. 靈活的M-PHY測試軟件
同時整個測試方案還支持單端、差分等不同測試連接、并可采用泰克的Trimode三模探頭P76xx或者P77xx系列進行靈活的連接:

圖15. M-PHY Tx靈活的連接方式部分示例
除了一致性軟件以外,泰克的M-PHY解決方案還包含了功能強大的調試工具SDLA軟件以及抖動與眼圖分析軟件DPOJET,使得客戶可以在調試的時候直接采用自動化測試軟件背后的這些工具進行更為靈活的均衡、信道模擬、眼圖和抖動分析與推算:

圖16. 靈活的抖動眼圖及鏈路模擬工具包
MIPI A-PHY:面向長距離傳輸的SerDes標準
MIPI A-PHY是一種針對汽車應用的長距離串行器-解串器(SerDes)物理層接口,能夠實現長達15米的高速數據傳輸。A-PHY支持多種數據速率,并具備高性能、低功耗和高可靠性的特點。
A-PHY關鍵技術優勢
長距離傳輸:支持長達15米的連接。
高性能:支持高達16Gbps的數據速率。
功能安全:滿足汽車功能安全標準(ASIL)。
高抗干擾能力:具備優異的電磁兼容性。
A-PHY可直接有效地承載MIPI CSI-2和DSI-2協議,短期內,可通過橋接芯片實現A-PHY,D-PHY/C-PHY的共存組網,以降低生態系統的復雜性和成本,如下圖:

圖17. A-PHY可直接有效地承載MIPI CSI-2和DSI-2協議
未來,攝像機,SoC和顯示器等終端可本地支持集成的A-PHY并消除橋接芯片,如下圖,攝像頭像素流通過A-PHY利用CSI-2直接傳輸到ECU。ECU對疊加圖形進行圖像信號處理,并將視頻流發送到一個或多個顯示器。這時可以使用MIPI DSI-2或VESA DP/eDP通過A-PHY傳輸數據:

圖18. 攝像頭像素流通過A-PHY利用CSI-2直接傳輸到ECU
A-PHY的出現是由于當前汽車應用的DPHY/CPHY不能解決應用中的一些問題。而且APHY的定義也是非常清楚,先替代橋接芯片,然后去掉橋接芯片。除汽車用途外,該規范還將非常適合物聯網和工業等應用。
泰克公司的MIPI測試解決方案
泰克公司作為全球領先的測試測量設備供應商,提供了一系列針對MIPI總線的測試解決方案。其產品包括高性能示波器、自動化測試軟件和探頭,能夠滿足從研發到生產的全場景測試需求。
泰克MIPI測試解決方案特點
自動化測試軟件:支持多種MIPI標準,簡化測試流程。
高性能示波器:提供高帶寬和高精度測量。
靈活的探頭選擇:適用于多種信號類型和測試環境。
例如,對于M-PHY的整體測試方案,由泰克MSO/DPO70000 DX/SX示波器、探頭以及整個測試套件構成,大致的測試方案構成如下所示:

圖19. 泰克M-PHY40/50自動化測試方案大致構成
總的來說,泰克的M-PHY自動化測試方案覆蓋了最新的M-PHY50測試標準,解決工程師靈活的測試需求,讓工程師在進行M-PHY測試過程中降低學習、使用成本,并具備優異的調試能力,使得產品在最短的時間內得到完善的設計、測試和投放。
泰克公司為A-PHY提供全面的測試解決方案,涵蓋發射機和接收機測試。其測試軟件支持多種速率和信令模式,能夠滿足不同應用場景的需求。

圖20. A-PHY測試解決方案
結語
MIPI總線技術在智能汽車、物聯網和移動設備中的應用不斷拓展。隨著技術的不斷演進,MIPI標準將繼續為高性能、低功耗的數據傳輸提供支持。泰克公司憑借其先進的測試解決方案,為工程師提供了強大的工具,助力MIPI技術的開發和應用。
免責聲明:本文為轉載文章,轉載此文目的在于傳遞更多信息,版權歸原作者所有。本文所用視頻、圖片、文字如涉及作品版權問題,請聯系小編進行處理。
推薦閱讀:
低成本變頻技術賦能洗碗機 BLDC電機能效提升30%的解決方案
破局者登場!中國芯企"逆向突圍"造90%性能怪獸,ARM斷供反成催化劑?




