- 斷電延時繼電器典型電路
- 斷電延時繼電器控制線路分析
- 斷電延時繼電器使用注意事項
- 采用雙穩態極化電磁繼電器
- 選擇線圈的工作電壓較高的電磁繼電器
- 采用1繞組閉鎖型繼電器
時間繼電器是一種延時功能由電子線路來實現的控制器。根據控制場合可選擇使用如:通電延時型A;斷電延時型F;星三角延時型Y;帶瞬動輸出的通電延時型C;間隔延時型G;往復延時型R;斷開延時信號型K等規格以滿足所需控制場合。在上述延時類型應用中,在許多場合都需要用斷電延時型繼電器進行控制。
例如需要控制一臺電機,要求在按下停止按鈕需要延時一段時間后,電機再重新啟動工作,則就需用到斷電延時繼電器來實現以上功能。所謂斷電延時繼電器,是當時間繼電器線圈通電時,各延時觸頭瞬時動作,而線圈斷電以后觸頭呈延時置位工作狀態,當所設延時到達后,延時觸頭又恢復為初始狀態。斷電延時型因其工作狀態(在延時過程中不需外接工作電源)以及控制觸點在斷電延時過程中吸合觸點(常開觸點變為接通狀態應保持接通狀態;常閉觸點變為斷開狀態,應呈保持斷開狀態)轉換特殊性(與常規通電延時型時間繼電器觸點工作狀態正好相反)來滿足其控制要求。斷電延時型時間繼電器由最早分離器件構成(延時精度低、延時時間短);現用相應可編程定時集成電路或CMOS計數分頻集成來完成延時,與之相比,具有延時精度高,延時時間長的特點。以此滿足斷電長延時的控制場合。
典型電路
斷電延時繼電器整體構成包括斷電延時繼電器電源部分(經降壓、整流、濾波)以提供斷電延時繼電器內置瞬動電磁繼電器和2繞組閉鎖型R復位線圈工作);二次電源部分(供斷電后延時部分與2繞組閉鎖型S置位線圈工作);延時工作部分(可編程定時集成或CMOS計數分頻集成);驅動部分;執行繼電器部分組成(圖1)。

圖1控制框圖

圖2分立器件原理圖
[page]
由V2P溝道場效應管、V3、V4三極管以及繼電器為主要器件構成的斷電延時型繼電器示于圖2。如下:端加入工作電源后,C1~C5都按其回路完成充電過程(充電時間應參照產品規定的時間)。同時內部2繞組閉鎖繼電器R復位線圈得電工作(虛框內轉換觸點4與6由電源接通轉為斷開狀態,4與8接通),相應外部觸點進行轉換端接通,呈延時工作狀態)。
當工作電源呈斷電時,則相應繼電器進入延時工作狀態。對V2P溝道場效應管而言,隨著C4經R6、RP2的放電,致使其源極S電壓不斷降低(在通電狀態時,因UGS較小,ID為零,V2為截止工作狀態),根據場效應管相應轉移特性(漏極電流ID與柵源電壓VGS間的關系曲線)當VGS電壓達到VGS(Th)(開啟電壓)時,V2導通。隨著V2導通,則漏電流ID經R4產生相應電壓降,使V3三極管導通工作,最終致使V4也導通。當V4導通后,C5電容器上的儲能將使2繞組閉鎖繼電器置位線圈通電工作,使延時觸點又恢復原始狀態,從而完成了斷電延時工作。
該電路的缺點是延時參數不易于設定,通常要對RP2調整(控制C4放電回路)、RP1調整(確定V2柵極電壓),并對C4、C3電容容量參數進行計算,再加上器件的離散性使延時誤差較大,調整也不方便,現在基本上很少使用。
集成CD4060構成的延時電路示于圖3。該電路核心延時由CD4060構成,延時設定由RP1與配置的C3來設定。內部2繞組閉鎖繼電器采用DC24V(采用較高工作電壓的繼電器,可降低其驅動電流,使驅動部分較為簡單)。端加入工作電源,V1三極管工作,使其R復位線圈吸合工作,內部觸點回至原始狀態。C2、C4完成充電工作。

圖3CD4060集成原理圖
當工作電源斷電時,則進入相應的斷電延時工作狀態。IC○12引腳因C1放電在R3產生一個電平經R4加至○12引腳清零引腳清零,使其延時開始,延時時間經Q4~Q14(根據需求延時時間)來驅動V2工作,待延時到達后經VD7使其振蕩停止。根據延時情況,對C2電容可進行相應的增大或減小(通過并聯來完成C2的容量的增大或減小)C4電容來完成S置位線圈的工作。
該線路特點是延時設定方便,延時精度高,產品調整簡便,目前使用較為廣泛。
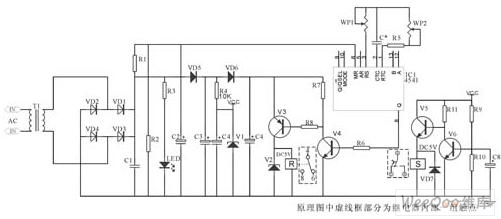
集成IC4541構成的延時電路示于圖4。

圖4IC4541集成原理圖
該電路核心部分由IC4541構成,延時設定由RP2、C*設定,A-B端根據需求接相應高、低電平(設定端)內部2繞組閉鎖繼電器采用DC12V(因繼電器工作電壓與IC4060組成延時電器要低,則為保證其驅動則分別由V6、V7、V1、V3構成)。其中C2為二次儲能器件,可根據延時的長短予以調整,C4為完成S置位線圈工作。
總之采用由相應集成電路來完成延時的斷電延時繼電器,通常在選擇集成上應考慮功耗低,閉鎖繼電器選擇工作電壓較高的繼電器,從而使繼電器在斷電延時過程中的電能耗最小,以保證延時精確并可靠的工作。
工作時序圖(圖5)中延時t為在工作電源斷開后,延時分斷觸點延時時間;如在延時過程中加入復位信號,則延時結束。
[page]
使用器件
因斷電延時繼電器控制觸電觸點轉換要求,通常采用雙穩態極化電磁繼電器(又稱為2繞組閉鎖型繼電器)來完成和滿足其觸點轉換要求。其內部線圈以及觸點見圖所示。該繼電器內部擁有置位線圈S和復位線圈R,是一種可以保持置位狀態或復位狀態的閉鎖結構繼電器。當置位線圈S中有電流流過時,由內部鐵芯、磁體、銜鐵組成線圈和工作氣隙組成磁路內產生磁通,并在工作氣隙內建立起磁場,產生電磁吸力,吸引銜鐵。在線圈中的電流達到一定值(即動作值)時,產生的電磁吸力足以克服磁體吸力和接觸簧片產生的阻力時,驅動銜鐵組動作,銜鐵組兩端推動卡推動接觸簧片,使動合觸點組閉合和動斷觸點組斷開,從而完成觸點轉換,并保持置位狀態。當斷電延時結束后,此時復位線圈R有電流流過(置位線圈已無電流),工作狀態于置位線圈工作相同,在最終使閉合的動合觸點斷開、斷開的動斷觸點又重新閉合。在此使用時應注意置位線圈S與復位線圈R的極性。
鑒于斷電延時繼電器的應用場合,通常在選用內部閉鎖型繼電器時,應參考下列條件為選擇標準:功耗低、靈敏度高、大負載、高絕緣耐壓、耐振動與沖擊;只有如此才能保證斷電延時工作可靠。尤其在耐震動和抗沖擊方面,因其自身內部結構特殊性,所以與之相配套的斷電延時型繼電器在安裝使用時,應注意其方面,以避免閉鎖型繼電器觸點因振動或沖擊造成觸點誤轉換。
在繼電器工作電壓選擇上,如同功耗的繼電器,原則上選擇線圈的工作電壓較高的電磁繼電器,這樣可以減小加至置位線圈S和復位線圈R電流動作值,從而保證了電磁繼電器在延時后加至復位線圈的動作電流滿足其額定所需動作值,也充分保證了觸點工作的可靠轉換。
在有些斷電延時時間繼電器中,內部執行繼電器也有采用1繞組閉鎖型繼電器,該繼電器擁有一個線圈(S、R)并用),是一種可根據外加電壓極性切換并保持置位或復位狀態的閉鎖繼電器。但因自身工作線圈外加電壓極性必須切換,則使控制線路較為復雜,目前基本上很少使用。通常采用2繞組閉鎖型繼電器,使內部控制線路簡單,且工作可靠。
控制線路分析
用于電機制動電路示于圖5。

圖5電機控制電路
正常起動過程:按起動按鈕SB2→KM1通電,主觸點KM1閉合,電機工作,KM1輔助常開觸點自鎖,KM1輔助常閉觸點斷開;KT通電,KT常開延時打開觸頭閉合,KM2斷電。
制動過程:按下停止按鈕SB1→KM1斷電,KM1主觸點斷開,電機脫離電源,KM1輔助常閉觸點恢復閉合,KM2通電,接入直流電源,制動開始,同時KM1輔助常開觸點又恢復斷開,則KT線圈呈斷電狀態,延時開始,待所設延時時間到達后,KT的延時斷開常開觸點恢復斷開,KM2失電,切斷直流電源,制動結束。
在時間繼電器控制線路中,應對其工作電源以及涉及觸頭在相應控制線路中應規范化,以便于更好的反映其在工作中的使用。
使用注意事項
•繼電器電源電壓應在允許電壓波動范圍內工作,通常為額定值85%~110%;直流電壓峰值紋波系數不大于5%。如繼電器工作電源有強的感性負載頻繁工作,則應考慮在繼電器工作電源端增加和使用浪涌吸收裝置,以承受較高的(1500V)的浪涌電壓,防止繼電器電源擊穿燒毀。
•繼電器在使用時,電源接通時間必須大于1s,以便使繼電器內部二次電源有充足的能量儲備而保證在斷開電源后按預設時間接通或分斷負載;如需使用繼電器外部復位信號功能,則接通持續時間不小于50ms,以保證其復位功能正常工作,嚴禁在復位信號端接入電源、有源信號或接地,否則會損壞繼電器。
•繼電器電源回路一般情況下是高阻抗的,因此在具體使用上應保證切斷電源后漏電流要盡可能小,以免產生相應的感應電壓而呈假關斷引起誤動作(斷電延時后延時時間到但繼電器出現不釋放的現象)。為避免上述情況發生,對斷電延時型電源端殘留電壓應小于額定電壓的7%,而通電延時型所允許的殘留電壓小于額定電壓的20%。
•斷電延時繼電器因內部采用2繞組閉鎖繼電器,該繼電器與通常繼電器相比較而言,適應環境能力較差,尤其在強磁場、高沖擊振動場所對其影響更為突出,所以在使用時應盡可能避免在上述環境中使用。
•在控制負載上,不要用其直接控制大容量負載(內部所用2繞組閉鎖繼電器通常負載能力不強)應在額定允許情況下使用,并考慮負載形式和留有相應的裕量。
•繼電器在使用環境、安裝形式、溫度、濕度、污染等級等方面要求應按繼電器所規定的要求下工作。
隨著時間繼電器在自動控制領域的廣泛應用,不僅常規的通電延時時間繼電器使用越來越多,而且斷電延時型繼電器也頻繁在特定的場合得以應用,以此滿足控制之需。所以具有延時精密高、斷電延時長、可控制較大負載、抗干擾能力強等特點的斷電延時型繼電器定會在自動控制領域中起到更為重要的作用。



