【導讀】在設計LED驅動電路時必須要充分考慮并做好保護措施,從而提高電路的可靠性,降低故障發生率, 本文下面就LED驅動電路的防護進行簡單的探討。希望能幫助到工程師朋友們。
LED燈具有高效、可靠、低耗能等特點,有著非常廣泛的用途,常用來做照明、顯示、信號燈等等。 但由于LED使用環境的復雜性,尤其是當LED是用在戶外時,其驅動電路非常容易遭受到過電壓和過電流的沖擊而造成故障或損壞,引發不必要的財產損失甚至是人員傷亡,因此在設計LED驅動電路時必須要充分考慮并做好保護措施,從而提高電路的可靠性,降低故障發生率, 下面就LED驅動電路的防護進行簡單的探討。
LED驅動電路一般由幾個部分構成, 包括AC輸入、整流,、DC/DC轉換、等模塊, 根據各個模塊電壓和電流及可能遭受到的浪涌情況的不同需要分開來做有針對的防護。
1、LED驅動電路浪涌保護應用

在交流電源AC輸入端浪涌保護方案,可以采用壓敏電阻(MOV) 或加氣體放電管(GDT/SPG)組合來進行設計。在有接地的情況下,可以采用如圖1差共模同時防護的理念,在L-N之間并聯壓敏電阻(MOV),可以有效地抑制差模所產生的浪涌過電壓,起到對后級電路保護,在L/N-PE之間分別采用MOV 或MOV+GDT/SPG對地的電路連接方式可以有效的將共模浪涌能量泄放到大地, 防止浪涌引入到后級電路而造成損壞;如果在電源沒有接地線情況下,如圖2則在L-N線間可直接并聯壓敏電阻進行差模防護即可。為了避勉MOV保護元件在防護失效之后,出現短路失效著火燃燒的可能性,可以使用TMOV或PMOV進行保護。針對上面 MOV交流耐受電壓選擇至少要高于線路最大交流工作電壓1.2~1.4倍,以避勉誤動作,在有同時使用放電管GDT/SPG時,放電管擊穿電壓的下限值必須至少高于電路的最大峰值電壓,耐受電流必須根據自身浪涌等級的需求選擇不同電流等級,以符合于浪涌測試標準的要求。
2、AC/DC后防護電路示意圖

在有交流經過整流后,后端直流電路中的芯片對過壓和過流非常敏感,芯片易受損壞,如圖3所示,經整流之后并聯瞬態抑制二極管TVS, 在有過壓產生時,TVS會以皮秒級的反應速度動作而把過高電壓鉗制在一個安全的范圍內,從而保護后端芯片免受過壓的沖擊。異常電流可以通過在電路中設計自恢復保險絲PPTC進行防護,PPTC在過流產生時阻抗能迅速的變大,從而有效地阻斷異常電流,直至故障排除PPTC就可繼續恢復低阻狀態,使電路能繼續恢復到正常工作狀態。TVS選用時截止電壓一般為正常工作電壓峰值的1.2~1.4倍即可,TVS功率大小要根據過壓的能量選擇合適的等級。PPTC選擇要結合電路工作電流及電壓進行參考以及環境溫度也是影響PPTC選擇一個重要關鍵指標,PPTC的保持電流會隨著應用環境溫度的升高而降低。PPTC在電路中的位置一般串聯在TVS前端,這樣PPTC不僅可以對電路芯片有效的起到保護作用同時又可以對TVS管起到一定保護作用,可以大大的提高TVS管的使用壽命。
3、LED直接驅動電路防護示意圖

LED發光的亮度是由通過LED的電流大小來控制, 不穩定的電流又極易燒壞LED,如圖4在DC/DC模塊后可以在電路中串聯恒流二極管來獲得穩定的電流,,這樣不僅可以使LED獲得穩定的亮度,,又不至于因電流的不穩定而燒壞LED。低功率的LED燈工作電流一般為10mA到30mA,大功率的LED燈工作電流從200mA到1400mA不等,可以根據所需要的工作電流選擇型號合適的恒流二極管。由于LED燈也易遭受到靜電放電過壓的干擾受損, 因此DC/DC電路后端的LED燈也需要做一定的有效過壓防護,一般采用TVS管就可以。
[page]
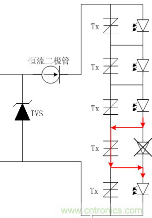
4、LED燈串起防護示意圖
當多個的LED燈通過串聯的方式進行連接時, 如圖5所示,一旦出現LED燈出現失效開路故障,整個LED燈都會因為此故障而影響到其它LED燈正常工作,為了解決這個問題, 可以針對每個LED燈上并聯一個防開路的LED保護器件Tx,這樣就可充分的提高每個LED的使用效率,當單個LED出現失效開路故障時, 與之并聯的LED開路保護器件Tx會立即導通, 使之可持續的維持處于通態,從而保證了電路中其它串聯的LED不因單顆LED的開路故障而熄滅,但此防護措施成本相對比較高。

綜上所述, LED驅動電路一般由AC輸入、整流,、DC/DC轉換、等模塊組成,從而一個LED驅動電路大致整體的防護方案可以參考如圖6所示:
圖6 LED驅動電源整體防護示意圖

在實際應用中,浪涌保護元件型號的選擇與電路的工作電壓電流,電路要做的雷擊浪涌測試等級標準,工作環境, 芯片的參數等諸多因素有著密切的關系, 因此在考慮和設計LED驅動電路防護時,必須要進行綜合的考量分析,才能有針對性的設計出比較合理的防護方案。



