【導讀】剩余電流保護器作為一種漏電保護器,被廣泛應用于低壓配電系統中,用于防止電擊事故、電氣設備漏電損壞和電氣火災。同樣在電動汽車充電領域,RCD也作為一種基本電氣保護裝置被廣泛應用。
隨著近兩年來的新能源汽車數量的爆發式增長, 其配套設施充電樁的建設規模也隨之擴大。 2010 年—2017 年七年間,我國充電樁數量已經從千余個增長至 21 萬個。
新能源汽車市場的增長離不開基礎充電設施的建設,如何保證充電過程中的用電安全,尤其是防止泄漏電流對生命財產造成危害,是值得關注的問題。
電動汽車充電一共有四種模式,在GB/T 18487.1-2015《電動汽車傳導充電系統 第1部分:通用要求》中有明確說明。
模式一使用充電連接電纜將電動汽車與交流電網相連,剩余電流保護主要依靠建筑配電箱中的剩余電流保護裝置(RCD),由于不能保證所有現存建筑物裝置都配有RCD,所以這種方式十分危險,已經被禁止使用;模式二在充電連接電纜上安裝了纜上控制保護裝置(IC-CPD),IC-CPD內部具有剩余電流檢測保護功能;模式三使用專用供電設備,將電動汽車與交流電網直接連接,并且在專用供電設備上安裝了控制導引裝置,專用供電設備即交流充電樁;模式四將電動汽車連接交流電網或直流電網時,使用了帶控制導引功能的直流供電設備,即直流充電樁。在這里,我們主要討論模式三、模式四充電樁內的剩余電流保護器的選用。
在GB/T 18487.1-2015中要求,交流供電設備的剩余電流保護器宜采用A型或B型,符合GB 14084.2-2008,GB 16916.1-2014和GB 22794-2008的相關要求。如圖1所示為充電模式3控制導引電路原理圖,在供電設備內部安裝了剩余電流保護器。

圖 1充電模式3控制導引電路原理圖
什么是A型或者B型剩余電流保護器?我國的剩余電流保護裝置(RCD)指導性標準GB/Z 6829-2008(IEC/TR 60755:2008,MOD)《剩余電流動作保護器的一般要求》從產品的基本結構、剩余電流類型、脫扣方式等方面作了劃分。
根據剩余電流類型可將RCD分為AC型、A型、B型。AC型剩余電流保護器:對突然施加或緩慢上升的剩余正弦交流電流確保脫扣的RCD。A型剩余電流保護器:包含AC型的特性并對脈動直流剩余電流、脈動直流剩余電流疊加6mA平滑剩余電流確保脫扣的RCD。
B型剩余電流保護器:包含A型的保護特性,此外,還能對1000Hz及以下的正弦交流剩余電流、交流剩余電流疊加平滑直流剩余電流、脈動直流剩余電流疊加平滑剩余電流、兩相或多相整流電路產生的脈動直流剩余電流、平滑直流剩余電流確保脫扣的RCD。

圖2 交流充電樁內部結構
目前,由于B型RCD價格過于昂貴,國內大部分的交流充電樁內部安裝的都是A型剩余電流保護器。下圖所示為交流充電樁內部結構圖,使用了A型剩余電流保護裝置。
那么A型的剩余電流保護器能滿足充電樁的漏電保護要求嗎?我們來分析一下充電過程中可能產生的剩余電流類型。

圖3電動汽車充電設施與電網及電動車間連接示意圖
如圖3所示,在使用交流充電樁充電過程中,交流充電樁和車輛耦合器與公共電網相連,樁內如果由于絕緣破壞,可能產生工頻交流漏電流。
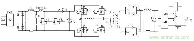
在電動汽車部分,可能產生的漏電流主要來自于車載充電機漏電,充電機一般拓撲主要為AC/DC和DC/DC兩部分。如下圖所示為一種常見車載充電機的主電路圖。

圖4 一種車載充電機主電路原理圖
AC/DC部分單相輸入交流電首先經過EMI濾波,然后在Boost型APFC電路作用下將85~265V的交流電整流成穩定輸出的直流400V電壓,并為后級提供直流輸入。
DC/DC部分采用移相全橋LLC主電路將直流電壓400V轉化成蓄電池可接受的電壓。當電路板與設備外殼之間絕緣損壞時,在整流部分可能產生脈動直流剩余電流,在Boost型APFC電路中可能會產生紋波系數很小的直流剩余電流。這里借用Bender的圖來詳細說明直流剩余電流的產生及危害。

圖5 隔離式充電機直流漏電的產生
可以看到,在DC/DC部分推挽全橋變換器當中可能發生直流漏電,我國低壓配電系統一般采用TN形式供電,設備金屬外殼與工作零線相接,直流漏電會通過車身和PE線反饋到充電線路上,對整個系統電流波形造成影響。通過對等效電路的仿真,發現整個系統的電流波形會改變,如下圖所示。

圖6 充電機直流故障系統電流波形
可以看到在后端發生直流漏電之后,也會影響到前級電路,整流過后的脈動直流波形發生畸變,產生尖刺,逐級對后端電路產生干擾,影響到充電效果,甚至影響蓄電池壽命...
推薦閱讀:



