【導讀】來自人體、環境甚至電子設備內部的靜電對于精密的半導體芯片會造成各種損傷,例如穿透元器件內部薄的絕緣層;損毀MOSFET和CMOS元器件的柵極;CMOS器件中的觸發器鎖死;短路反偏的PN結;短路正向偏置的PN結;熔化有源器件內部的焊接線或鋁線。為了消除靜電釋放(ESD)對電子設備的干擾和破壞,需要采取多種技術手段進行防范。

在PCB板的設計當中,可以通過分層、恰當的布局布線和安裝實現PCB的抗ESD設計。在設計過程中,通過預測可以將絕大多數設計修改僅限于增減元器件。通過調整PCB布局布線,能夠很好地防范ESD。以下是一些常見的防范措施。

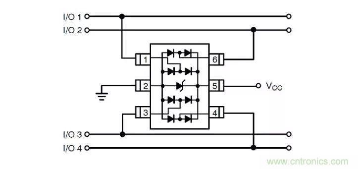
幾種典型的通用ESD保護電路

CAN Bus保護

數據線及接口保護
分享個人的ESD保護9大措施
最近在做電子產品的ESD測試,從不同的產品的測試結果發現,這個ESD是一項很重要的測試:如果電路板設計的不好,當引入靜電后,會引起產品的死機甚至是元器件的損壞。以前只注意到ESD會損壞元器件,沒有想到,對于電子產品也要引起足夠的重視。
ESD,也就是我們常說的靜電釋放(Electro-Static discharge)。從學習過的知識中可以知道,靜電是一種自然現象,通常通過接觸、摩擦、電器間感應等方式產生,其特點是長時間積聚、高電壓(可以產生幾千伏甚至上萬伏的靜電)、低電量、小電流和作用時間短的特點。對于電子產品來說,如果ESD設計沒有設計好,常常造成電子電器產品運行不穩定,甚至損壞。
在做ESD放電測試時通常采用兩種方法:接觸放電和空氣放電。
接觸放電就是直接對待測設備進行放電;空氣放電也稱為間接放電,是強磁場對鄰近電流環路耦合產生。這兩種測試的測試電壓一般為2KV-8KV,同地區要求不一樣,因此在設計之前,先要弄清楚產品針對的市場。
以上兩種情況是針對人體在接觸到電子產品時,因人體帶電或其他原因引起電子產品不能工作而進行的基本測試。下圖是一些地區在一年中不同月份的空氣濕度統計。從圖中可以看出Lasvegas全年的濕度最少,該地區的電子產品要特別注意ESD的保護。
全球各地的濕度情況不一樣,但是同時在一個地區,若空氣濕度不一樣,產生的靜電也不相同。下表是搜集到的數據,從中可以看出靜電隨著空氣濕度的減小而變大。這也間接的說明北方的冬天,脫毛衣時產生的靜電火花很大的原因。“既然靜電這么大的為危害,我們如何進行防護呢?我們在進行靜電防護設計時通常分三步走:防止外部電荷流入電路板而產生損壞;防止外部磁場對電路板產生損壞;防止靜電場產生的危害。
在實際電路設計中我們會采用以下幾種方法的一種或幾種來進行靜電保護:
1 雪崩二極管來進行靜電保護
這也是設計中經常用到的一種方法,典型做法就是在關鍵信號線并聯一雪崩二極管到地。該法是利用雪崩二極管快速響應并且具有穩定鉗位的能力,可以在較短的時間內消耗聚集的高電壓進而保護電路板。
2 使用高壓電容進行電路保護
該做法通常將耐壓至少為1.5KV的陶瓷電容放置在I/O連接器或者關鍵信號的位置,同時連接線盡可能的短,以便減小連接線的感抗。
若采用了耐壓低的電容,會引起電容的損壞而失去保護的作用。
3 采用鐵氧磁珠進行電路保護
鐵氧磁珠可以很好的衰減ESD電流,并且還能抑制輻射。當面臨著兩方面問題時,一個鐵氧磁珠會時一個很不錯的選擇。
4 火花間隙法
這種方法是在一份材料中看到的,具體做法是在銅皮構成的微帶線層使用尖端相互對準的三角銅皮構成,三角銅皮一端連接在信號線,另一個三角銅皮連接地。當有靜電時會產生尖端放電進而消耗電能。
5 采用LC濾波器的方法進行保護電路
LC組成的濾波器可以有效的減小高頻靜電進入電路。電感的感抗特性能很好的抑制高頻ESD進入電路,而電容有分流了ESD的高頻能量到地。同時,該類型的濾波器還可以圓滑信號邊緣而較小RF效應,性能方面在信號完整性方面又有了進一步的提高。
6 多層板進行ESD防護
當資金允許的情況下,選擇多層板也是一種有效防止ESD的一種手段。在多層板中,由于有了一個完整的地平面靠近走線,這樣可以使ESD更加快捷的耦合到低阻抗平面上,進而保護關鍵信號的作用。
7 電路板外圍留保護帶的方法保護法
這種方法通常是在電路板周圍畫出不加組焊層的走線。在條件允許的情況下將該走線連接至外殼,同時要注意該走線不能構成一個封閉的環,以免形成環形天線而引入更大的麻煩。
8 采用有鉗位二極管的CMOS器件或者TTL器件進行電路的保護
這種方法是利用了隔離的原理進行電路板的保護,由于這些器件有了鉗位二極管的保護,在實際電路設計中減小了設計的復雜度。
9 多采用去耦電容
這些去耦電容要有低的ESL和ESR數值,對于低頻的ESD來說,去耦電容減小了環路的面積,由于其ESL的作用使電解質作用減弱,可以更好的濾除高頻能量。
總之,ESD雖然可怕,甚至會帶來嚴重后果,但是,只有保護好電路上電源和信號線,那么就能有效的防止ESD的電流流入PCB中。其中,我老大經常說的一句“一個板子的良好接地才是王道”,希望這句話也能給大家帶來打破天窗的效果。
下面將提到更多保護細節:
● 盡可能使用多層PCB,相對于雙面PCB而言,地平面和電源平面,以及排列緊密的信號線-地線間距能夠減小共模阻抗和感性耦合,使之達到雙面PCB的 1/10到1/100。盡量地將每一個信號層都緊靠一個電源層或地線層。對于頂層和底層表面都有元器件、具有很短連接線以及許多填充地的高密度PCB,可以考慮使用內層線。
● 對于雙面PCB來說,要采用緊密交織的電源和地柵格。電源線緊靠地線,在垂直和水平線或填充區之間,要盡可能多地連接。一面的柵格尺寸小于等于60mm,如果可能,柵格尺寸應小于13mm。
● 確保每一個電路盡可能緊湊。
● 盡可能將所有連接器都放在一邊。
● 如果可能,將電源線從卡的中央引入,并遠離容易直接遭受ESD影響的區域。
● 在引向機箱外的連接器(容易直接被ESD擊中)下方的所有PCB層上,要放置寬的機箱地或者多邊形填充地,并每隔大約13mm的距離用過孔將它們連接在一起。
● 在卡的邊緣上放置安裝孔,安裝孔周圍用無阻焊劑的頂層和底層焊盤連接到機箱地上。
● PCB裝配時,不要在頂層或者底層的焊盤上涂覆任何焊料。使用具有內嵌墊圈的螺釘來實現PCB與金屬機箱/屏蔽層或接地面上支架的緊密接觸。
● 在每一層的機箱地和電路地之間,要設置相同的“隔離區”;如果可能,保持間隔距離為0.64mm。
● 在卡的頂層和底層靠近安裝孔的位置,每隔100mm沿機箱地線將機箱地和電路地用1.27mm寬的線連接在一起。與這些連接點的相鄰處,在機箱地和電路地之間放置用于安裝的焊盤或安裝孔。這些地線連接可以用刀片劃開,以保持開路,或用磁珠/高頻電容的跳接。
● 如果電路板不會放入金屬機箱或者屏蔽裝置中,在電路板的頂層和底層機箱地線上不能涂阻焊劑,這樣它們可以作為ESD電弧的放電極。
● 要以下列方式在電路周圍設置一個環形地:
(1)除邊緣連接器以及機箱地以外,在整個外圍四周放上環形地通路。
(2)確保所有層的環形地寬度大于2.5mm。
(3)每隔13mm用過孔將環形地連接起來。
(4)將環形地與多層電路的公共地連接到一起。
(5)對安裝在金屬機箱或者屏蔽裝置里的雙面板來說,應該將環形地與電路公共地連接起來。不屏蔽的雙面電路則應該將環形地連接到機箱地,環形地上不能涂阻焊劑,以便該環形地可以充當ESD的放電棒,在環形地(所有層)上的某個位置處至少放置一個0.5mm寬的間隙,這樣可以避免形成一個大的環路。信號布線離環形地的距離不能小于0.5mm。
● 在能被ESD直接擊中的區域,每一個信號線附近都要布一條地線。
● I/O電路要盡可能靠近對應的連接器。
● 對易受ESD影響的電路,應該放在靠近電路中心的區域,這樣其他電路可以為它們提供一定的屏蔽作用。
● 通常在接收端放置串聯的電阻和磁珠,而對那些易被ESD擊中的電纜驅動器,也可以考慮在驅動端放置串聯的電阻或磁珠。
● 通常在接收端放置瞬態保護器。用短而粗的線(長度小于5倍寬度,最好小于3倍寬度)連接到機箱地。從連接器出來的信號線和地線要直接接到瞬態保護器,然后才能接電路的其他部分。
● 在連接器處或者離接收電路25mm的范圍內,要放置濾波電容。
(1)用短而粗的線連接到機箱地或者接收電路地(長度小于5倍寬度,最好小于3倍寬度)。
(2)信號線和地線先連接到電容再連接到接收電路。
● 要確保信號線盡可能短。
● 信號線的長度大于300mm時,一定要平行布一條地線。
● 確保信號線和相應回路之間的環路面積盡可能小。對于長信號線每隔幾厘米便要調換信號線和地線的位置來減小環路面積。
● 從網絡的中心位置驅動信號進入多個接收電路。
● 確保電源和地之間的環路面積盡可能小,在靠近集成電路芯片每一個電源管腳的地方放置一個高頻電容。
● 在距離每一個連接器80mm范圍以內放置一個高頻旁路電容。
● 在可能的情況下,要用地填充未使用的區域,每隔60mm距離將所有層的填充地連接起來。
● 確保在任意大的地填充區(大約大于25mm×6mm)的兩個相反端點位置處要與地連接。
● 電源或地平面上開口長度超過8mm時,要用窄的線將開口的兩側連接起來。
● 復位線、中斷信號線或者邊沿觸發信號線不能布置在靠近PCB邊沿的地方。
● 將安裝孔同電路公地連接在一起,或者將它們隔離開來。
(1)金屬支架必須和金屬屏蔽裝置或者機箱一起使用時,要采用一個零歐姆電阻實現連接。
(2)確定安裝孔大小來實現金屬或者塑料支架的可靠安裝,在安裝孔頂層和底層上要采用大焊盤,底層焊盤上不能采用阻焊劑,并確保底層焊盤不采用波峰焊工藝進行焊接。
● 不能將受保護的信號線和不受保護的信號線并行排列。
● 要特別注意復位、中斷和控制信號線的布線。
(1)要采用高頻濾波。
(2)遠離輸入和輸出電路。
(3)遠離電路板邊緣。
● PCB要插入機箱內,不要安裝在開口位置或者內部接縫處。
● 要注意磁珠下、焊盤之間和可能接觸到磁珠的信號線的布線。有些磁珠導電性能相當好,可能會產生意想不到的導電路徑。
● 如果一個機箱或者主板要內裝幾個電路板,應該將對靜電最敏感的電路板放在最中間。
推薦閱讀:





