【導讀】車載逆變器(電源轉換器、Power Inverter)是一種能夠將 DC 12V直流電轉換為和市電相同的 AC 220V交流電,提供給一般電器使用,是一種方便的車用電源轉換器。
一、前言
車載逆變器(電源轉換器、Power Inverter)是一種能夠將 DC 12V直流電轉換為和市電相同的 AC 220V交流電,提供給一般電器使用,是一種方便的車用電源轉換器。
隨著汽車產品技術發展進步,汽車擁有的電子技術也在不斷提高,以車載逆變器為重要組件的電動汽車、插電混合動力汽車的發展正迅速加快,車載逆變器市場發展前景將會很廣闊。車載逆變器的普及速度的提高也促進了MOS管在車載逆變器中的使用。
二、產品應用及工作原理
車載逆變器可以做到20W、40W、80W、120W直到500W的功率規格,應用范圍為:手機、筆記本電腦、數碼攝像機、照相機、照明燈、電動剃須刀、CD機、游戲機、掌上電腦、電動工具、車載冰箱等 。
一般的車載逆變器主要由逆變橋、濾波電路、控制電路、振蕩器等構成,其工作原理是先通過高頻PWM (脈寬調制)開關電源技術,將汽車電瓶所提供的12V直流電轉換成30kHz-50kHz、220V左右的交流電。然后再利用橋式整流、濾波、脈寬調制及開關功率輸出等技術,將30kHz~50kHz、220V左右的交流電轉換成50Hz、220V的交流電。
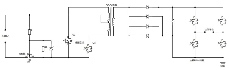
三、產品應用拓撲圖
四、 線路選型推薦
針對上圖逆變電路的DC-DC升壓電路+控制電路(推挽式)和DC-AC逆變電路提供兩個系列的MOS方案:
DC-DC升壓電路(防反接)+控制電路(推挽式)
在DC-DC升壓電路中,選用MOSFET作為開關器件,場效應管所需承受的最大電壓約為20-30V左右,選型時MOS管的最大耐受電壓應留有余量一般會選擇40V以上的MOS。MOS管推薦使用瑞森半導體低壓MOS系列,選型如下:

DC-AC逆變電路(全橋PWM控制)
DC-AC逆變電路的主回路采用的是全橋式結構,和開關管并聯的二極管起到保護作用。MOS管推薦使用瑞森半導體高壓MOS系列。瑞森半導體高壓MOS系列,超小內阻,結電容適中,散熱性能好,高溫漏電小,高溫電壓跌落小,廣受市場好評。

免責聲明:本文為轉載文章,轉載此文目的在于傳遞更多信息,版權歸原作者所有。本文所用視頻、圖片、文字如涉及作品版權問題,請聯系小編進行處理。
推薦閱讀:



