【導讀】目前MTK芯片工程師遇到最大的問題是,帶通話的耳機端口的靜電防護問題。本文從耳機端口的靜電防護角度為大家做詳盡介紹,希望對廣大工程師有借鑒作用。
一、現象:在對耳機端口進行放電測試時,產品容易出現不可恢復的死機。
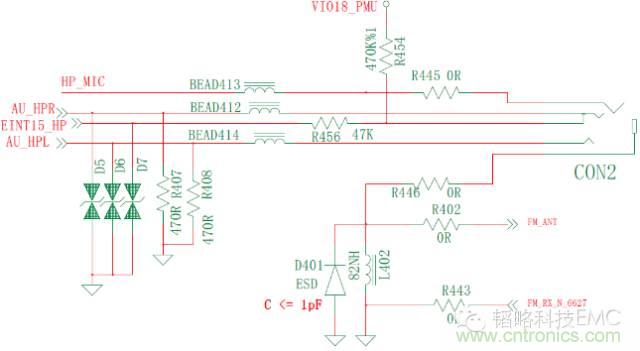
1、電路如下:

二、問題排查 通過逐一斷開排除,確定靜電是通過HP_MIC腳把IC擊穿,造成產品不開機。
三、問題分析:
1、分析原理圖可知HP_MIC腳通過1K電阻連接到電源管理IC;
2、耳機采用的是蘋果標準接口,蘋果耳機接口圖如下,從圖中可以看出HP_MIC在耳機母座最外面一個腳,金屬彈片正好裸露在外面,極易受靜電影響。
3、HP_MIC管腳沒有使用靜電抑制器件保護后端電路。


四、解決辦法
1、在靠近耳機母座HP_MIC腳上對地增加靜電抑制器和1000PF電容,靜電抑制器使用工作電壓5V,鉗位電壓低于10V的種類。各種材料靜電抑制器鉗位電壓對比如下,因此選用TVS才能滿足。
(1)壓敏電阻:一般在10V以上;
(2)高分子靜電抑制器:一般在20V以上;
(3)TVS管:一般在8-15V。
2、如果結構允許改成諾基亞的耳機接口,讓HP_MIC不裸露到外面,具體如下:

3、靜電抑制器要靠近端口放置,經過靜電保護器件后再做其他電氣連接。 4、靜電抑制器接地端要有大面積的地,才能對靜電起到很好的泄放作用。五、重新設計后原理圖如下:



