- 探究一種多用智能溫度測量儀的設計與實現
- 采用傳感器傳感器DS18B20 及單片機為8051
- 硬件電路設計
- 軟件設計
設計實現了一種多用智能溫度測量儀。采用傳感器為DALLAS 公司的單總線數字式溫度傳感器DS18B20 及單片機為8051,通過單片機對傳感器采集到的數字信號進行計算處理,實現溫度的測量、溫度數值的數字顯示及高溫報警等功能。提供了完整的硬件電路圖和軟件流程圖,并詳細介紹了軟件設計要點及創新點。經實物測試實驗,該測量儀既能測量環境溫度,又可測量人體溫度,具備使用方便、響應快、結果顯示直觀的特點。
溫度是科學技術中最基本的物理量之一,在工業生產中,溫度常是表征對象和過程狀態的最重要的參數之一,在醫學領域中,體溫也是我們最為關注的醫學參數。
隨著現代科技的發展,溫度測量在各個領域應用越來越廣泛,同時溫度測量技術也被人們所異常關注。多功能溫度測量儀就是一個典型的例子,運用單片機技術,向數字化,智能化方向發展。在此介紹一種多功能溫度測量儀,既可以測量環境溫度、又能測量人體溫度,達到快響應、數字顯示溫度值,并且具有高溫報警的目的。
1 硬件電路設計
1. 1 溫度傳感器
采用DA LLAS 公司的溫度傳感器DS18B20 作為溫度采集器件,DS18B20 的內部結構主要由64 位ROM、溫度靈敏元件、內部存儲器和配置寄存器4 部分組成,如圖1 所示。
( 1) 64 位ROM。它的內容是64 位序列號,它可以被看作是該DS18B20 的地址序列碼,其作用是使每個DS18B20 都各不相同,這樣就可以實現一根總線上掛接多個DS18B20 的目的。
( 2) 溫度靈敏元件。它完成對溫度的測量,測量后的結果存儲在2 個8 b 的溫度寄存器中。
( 3) 內部存儲器。內部存儲器包括一個高速暫存RAM 和一個非易失性的可電擦除的E2 PROM,后者存放高溫度和低溫度觸發器TH、TL 以及配置寄存器。

圖1 DS18B20 的內部結構
DS18B20 具有以下特點:
( 1) 獨特的單線接口方式,與單片機連接時僅需要一條口線;( 2) 測溫范圍為- 55~ + 125℃,在- 10~ + 85℃范圍內精度為±0. 5 ℃;( 3) 通過編程可實現9~ 12 位的數字讀數方式;( 4) 用戶可自設定非易失性的報警上下限值;( 5) 外圍電路簡單,使用時不需要外圍元件,可用數據總線供電,電壓范圍為3. 0 ~ 5. 5 V 無需備用電源;( 6) DS18B20 有TO 92、SOIC 及CSP 封裝,本測量儀選用DS18B20 的外形及引腳排列如圖2 所示,其中VDD 為外接供電電源輸入端,GND 為公共地,DQ為數字信號輸出端。

圖2 DS18B20 的外形及引腳排列
基于以上特點,采用DS18B2 使得硬件消耗更少,系統設計更靈活、方便,價格更便宜,體積更小。
[page]
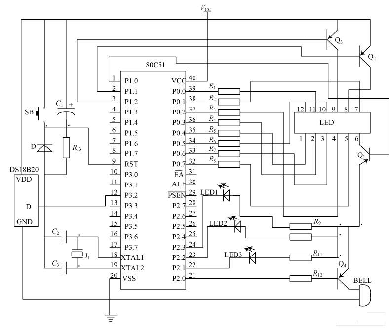
1. 2 硬件電路設計
系統硬件電路如3 所示。

圖3 系統硬件電路圖
包括信號采集、系統控制、數字顯示、高溫報警四個部分。傳感器DS18B20 為信號采集器件所采集到的溫度信號,通過內部處理由傳感器的DQ 端送到單片機P3. 2 端口,經單片機的計算處理后,由P0 口和P1 口分別作為4 位共陽數碼管的段控信號和位控信號,共同完成對所測溫度值的數字顯示,最高位是符號顯示,如顯示負號“-”時,表示當前溫度是負溫度,否則為正溫度;由P2. 0 端口控制蜂鳴器,當測量的溫度超過“預設報警溫度”時,發出提示音報警; P2. 1~ P2. 3 端口來控制黃、綠、紅3 個發光二極管分別表示低溫、正常、高溫三種溫度狀態。石英晶體JT 和電容C2 ,C3 共同組成晶振電路; 電容C1 、電阻R 13、S B 共同構成復位電路; 其中電阻R13為下拉電阻,SB 為手動復位按鈕。
2 軟件設計
為了便于子程序的調用和維護系統,程序遵循標準化、模塊化的原則,主要完成包括讀DS18B20 溫度數據、數據的整理轉換、溫度顯示、報警等模塊的設計。由于程序任務相對較少,結構相對簡單,本系統由主程序和多個子程序組成,采用順序性結構主程序流程。
2. 1 軟件設計要點
由于DS18B20 采用的是單線總線協議方式,即在一條數據線上實現數據的雙向傳輸,而單片機硬件上不支持單總線協議,因此必須采用軟件方法來模擬單總線的協議是序來完成對DS18B20 芯片的訪問。
由于DS18B20 是在一根I/ O 線上讀寫數據,因此對讀寫的數據位有嚴格的時序要求,它有嚴格的通信協議來保證各位數據傳輸的正確性和完整性。該協議定義了幾種信號的時序: 初始化時序、讀時序、寫時序。所有時序都是將單片機作為主設備,DS18B20 作為從設備,而每一次命令和數據的傳輸都是從主機主動啟動寫時序開始,如果要求DS18B20 回送數據,在進行寫命令后,主機需啟動讀時序完成數據接收。
2. 2 軟件設計
創新點在溫度顯示模塊引入“顯存”的概念,用“顯存”直接映射到顯示子程序,便于程序的移植,更便于以后的組建多點的溫度檢測網絡,或嵌于其他監測系統。
程序片段如下:

2. 3 主程序流程圖
主程序流程如圖4 所示。

圖4 主程序流程圖
3 實物運行與測試
測試方法: 用水銀溫度計和溫度測量儀同時對同一空氣環境、水、人體進行測量,詳細記錄每次測量數據,并進行數據對比。測試結果如表1 所示,結果顯示誤差僅± 0. 2 ℃。
表1 實物運行測試對照表

4 結 語
運用溫度傳感器DS18B20 和單片機8051 等設計并制作的溫度測量儀,用較低的成本實現了溫度的測量與顯示。該測量儀采用的元器件價格低廉又容易獲得,具有硬件結構簡單、響應快、顯示直觀等優點,并且元器件DS18B20 單總線結構具有很強的擴展性. 還可以組建多點的溫度檢測網絡該方案設計溫度監測系統,應用前景廣泛。



