- 高溫溫度計研究
- 采集的數據經A/D轉換后傳給單片機
- 設計采用ADS7816,A/D電路
在現實生活中,測溫裝置形式多樣,但大多數存在測溫范圍小的缺點,使其應用范圍受到限制。例如:汽車發動機、空調壓縮機、輪船等溫度往往較高,使用一般的溫度計難以測量,使用大型的測溫設備不但測量成本高,而且也不易攜帶。文中設計了一種便于攜帶,且實用又能適應高溫環境的高溫溫度計。
高溫溫度計的原理框圖如圖1所示。

1 系統主要硬件設計
1.1 電源電路
系統用3節5號干電池串聯,電壓接近4.5 V,剛好滿足設計的電源電壓要求。電源處理芯片的選擇方面考慮的重點是效率高、工作電壓低、體積小,經過仔細對比后,選擇了以下電源處理芯片。
TL431是一個有良好的熱穩定性能的三端可調分流基準源。它的輸出電壓用兩個電阻就可以任意的設置到從Verf 2.5~36 V范圍內的任何值。在本文中用作橋式測溫電路的參考電壓,還具有多種應用,例如:分流校準器、串聯校準器、開關校準器、電壓參考等。
在T1431與電源引腳間加上一個100 Ω電阻用于限流,地引腳端直接接地,電壓輸出2.5 V接到橋式測溫電路作為基準電壓,注意基準電壓必須穩定,不然會影響測溫準確性。
LM1117是具有穩定的電壓輸出的校準器,可以輸出穩定的1.2 V,1.5 V,1.8 V,2.5 V,2.85 V,3.3 V,5 V等電壓。設計中用LM1117穩壓至3.3 V為A/D模數轉換器、放大器提供穩定的電壓保證。在電源和地引腳之間加上電容C4和C5用于去耦濾波。
Intersil公司生產的ICL7660是提供雙電壓的COMS集成芯片,它在提供正負電壓方面有獨特的優勢。ICL7660可以提供+1.5~+10 V和-1.5~-10 V的正負電壓。ICL7660正輸出電壓Vout+和負輸出電壓分別接入INA126電源的正負極。電源模塊的電路原理如圖2所示。

圖2中VCC5是電源電壓,經過LM1117芯片輸出為3.3 V,為INA126(儀表放大器)、ADS7816和ICL7660供電。經過TL431輸出2.490 V的電壓,為橋式放大電路和ADS7816提供穩定的基準電壓。ICL7660把+3.3 V轉換為-3.3 V,為儀表放大器提供負電壓。因為單片機和液晶顯示器的工作電壓范圍廣,所以VCC直接和總電源相連。
1.2 A/D模數轉換模塊
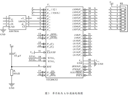
因為Pt100是模擬溫度傳感器,且溫度測量范圍廣,所以設計采用ADS7816,A/D電路圖如圖3所示。管腳VREF接橋式測溫電路的基準電壓,管腳+IN信號數據輸入口接INA126運放的輸出端,-IN、GND管腳分別接地。管腳CS片選端接單片機的P1.6口,低電平有效,當P1.6口置低電平時A/D選通,開始工作。管腳Dout信號數據輸出口接單片機的P1.5口,用于讀取A/D轉換后的數據。管腳LOCK時鐘信號口接單片機的P1.4口,單片機P1.4口提供A/D連續時鐘脈沖,保證A/D數據轉換和讀取的正常。管腳VCC接經LM1117穩定后的輸出電壓3.3 V。設計采用STC公司的89C52單片機作為核心,在系統中用89C52單片機來讀取A/D轉換數據并處理,然后控制液晶顯示,是設計中所有器件的核心模塊。
單片機與A/D連接電路圖如圖3所示。

1.3 顯示模塊
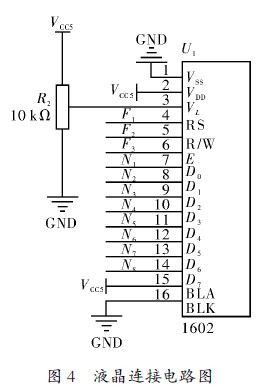
基于液晶1602顯示內容豐富,功耗低等優點,選用液晶1602作為顯示模塊。液晶的第1管腳是接地管腳,管腳VCC接電源,液晶的管腳VL外接電源串聯一個10 kΩ的電位器后接地,用來調節液晶的亮度對比度,使其顯示清楚、準確。管腳RS接單片機的P1.0口。管腳RW接單片機P1.1。管腳EN接單片機P1.2口,是液晶的使能管腳。液晶的數據口(7~14管腳)接單片機的P0.0~P0.7口,液晶的數據口采用8位并口方式進行數據傳送。第15,16管腳是液晶背光燈的正負極,分別接VCC和GND即可。液晶連接電路圖如圖4所示。




