中心議題:
- 雙向可控硅特點
- 雙向可控硅應用
解決方案:
- 使用Hi-Com 雙向可控硅
引言
1958年,從美國通用電氣公司研制成功第一個工業用可控硅開始,電能的變換和控制從旋轉的變流機組、靜止的離子變流器進入以電力半導體" target="_blank">半導體器件組成的變流器時代。可控硅分單向可控硅與雙向可控硅。單向可控硅一般用于彩電的過流、過壓保護電路。雙向可控硅一般用于交流調節電路,如調光臺燈及全自動洗衣機中的交流電源控制。
雙向可控硅是在普通可控硅的基礎上發展而成的,它不僅能代替兩只反極性并聯的可控硅,而且僅需一個觸發電路,是目前比較理想的交流開關器件,一直為家電行業中主要的功率控制器件。近幾年,隨著半導體技術的發展,大功率雙向可控硅不斷涌現,并廣泛應用在變流、變頻領域,可控硅應用技術日益成熟。本文主要探討廣泛應用于家電行業的雙向可控硅的設計及應用。
雙向可控硅特點
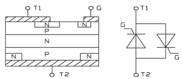
雙向可控硅可被認為是一對反并聯連接的普通可控硅的集成,工作原理與普通單向可控硅相同。圖1為雙向可控硅的基本結構及其等效電路,它有兩個主電極T1和T2,一個門極G,門極使器件在主電極的正反兩個方向均可觸發導通,所以雙向可控硅在第1和第3象限有對稱的伏安特性。雙向可控硅門極加正、負觸發脈沖都能使管子觸發導通,因此有四種觸發方式。
圖1 雙向可控硅結構及等效電路
雙向可控硅應用
為正常使用雙向可控硅,需定量掌握其主要參數,對雙向可控硅進行適當選用并采取相應措施以達到各參數的要求。
耐壓級別的選擇:通常把VDRM(斷態重復峰值電壓)和VRRM(反向重復峰值電壓)中較小的值標作該器件的額定電壓。選用時,額定電壓應為正常工作峰值電壓的2~3倍,作為允許的操作過電壓裕量。
電流的確定:由于雙向可控硅通常用在交流電路中,因此不用平均值而用有效值來表示它的額定電流值。由于可控硅的過載能力比一般電磁器件小,因而一般家電中選用可控硅的電流值為實際工作電流值的2~3倍。同時,可控硅承受斷態重復峰值電壓VDRM和反向重復峰值電壓VRRM時的峰值電流應小于器件規定的IDRM和IRRM。
通態(峰值)電壓VTM的選擇:它是可控硅通以規定倍數額定電流時的瞬態峰值壓降。為減少可控硅的熱損耗,應盡可能選擇VTM小的可控硅。
維持電流:IH是維持可控硅維持通態所必需的最小主電流,它與結溫有關,結溫越高,則IH越小。
電壓上升率的抵制:dv/dt指的是在關斷狀態下電壓的上升斜率,這是防止誤觸發的一個關鍵參數。此值超限將可能導致可控硅出現誤導通的現象。由于可控硅的制造工藝決定了A2與G之間會存在寄生電容,如圖2所示。我們知道dv/dt的變化在電容的兩端會出現等效電流,這個電流就會成為Ig,也就是出現了觸發電流,導致誤觸發。

圖2 雙向可控硅等效示意圖
切換電壓上升率dVCOM/dt。驅動高電抗性的負載時,負載電壓和電流的波形間通常發生實質性的相位移動。當負載電流過零時雙向可控硅發生切換,由于相位差電壓并不為零。這時雙向可控硅須立即阻斷該電壓。產生的切換電壓上升率(dVCOM/dt)若超過允許值,會迫使雙向可控硅回復導通狀態,因為載流子沒有充分的時間自結上撤出,如圖3所示。[page]

圖3 切換時的電流及電壓變化
高dVCOM/dt承受能力受二個條件影響:
dICOM/dt—切換時負載電流下降率。dICOM/dt高,則dVCOM/dt承受能力下降。
結面溫度Tj越高,dVCOM/dt承受能力越下降。假如雙向可控硅的dVCOM/dt的允許值有可能被超過,為避免發生假觸發,可在T1 和T2 間裝置RC緩沖電路,以此限制電壓上升率。通常選用47~100Ω的能承受浪涌電流的碳膜電阻,0.01μF~0.47μF的電容,晶閘管關斷過程中主電流過零反向后迅速由反向峰值恢復至零電流,此過程可在元件兩端產生達正常工作峰值電壓5-6倍的尖峰電壓。一般建議在盡可能靠近元件本身的地方接上阻容吸收回路。
斷開狀態下電壓變化率dvD/dt。若截止的雙向可控硅上(或門極靈敏的閘流管)作用很高的電壓變化率,盡管不超過VDRM,電容性內部電流能產生足夠大的門極電流,并觸發器件導通。門極靈敏度隨溫度而升高。假如發生這樣的問題,T1 和T2 間(或陽極和陰極間)應該加上RC 緩沖電路,以限制dvD/dt。
電流上升率的抑制:電流上升率的影響主要表現在以下兩個方面:
①dIT/dt(導通時的電流上升率)—當雙向可控硅或閘流管在門極電流觸發下導通,門極臨近處立即導通,然后迅速擴展至整個有效面積。這遲后的時間有一個極限,即負載電流上升率的許可值。過高的dIT/dt可能導致局部燒毀,并使T1-T2 短路。假如過程中限制dIT/dt到一較低的值,雙向可控硅可能可以幸存。因此,假如雙向可控硅的VDRM在嚴重的、異常的電源瞬間過程中有可能被超出或導通時的dIT/dt有可能被超出,可在負載上串聯一個幾μH的不飽和(空心)電感。
②dICOM/dt (切換電流變化率) —導致高dICOM/dt值的因素是:高負載電流、高電網頻率(假設正弦波電流)或者非正弦波負載電流,它們引起的切換電流變化率超出最大的允許值,使雙向可控硅甚至不能支持50Hz 波形由零上升時不大的dV/dt,加入一幾mH的電感和負載串聯,可以限制dICOM/dt。
為了解決高dv/dt及di/dt引起的問題,還可以使用Hi-Com 雙向可控硅,它和傳統的雙向可控硅的內部結構有差別。差別之一是內部的二個“閘流管”分隔得更好,減少了互相的影響。這帶來下列好處:
①高dVCOM/dt。能控制電抗性負載,在很多場合下不需要緩沖電路,保證無故障切換。這降低了元器件數量、底板尺寸和成本,還免去了緩沖電路的功率耗散。
②高dICOM/dt。切換高頻電流或非正弦波電流的性能大為改善,而不需要在負載上串聯電感,以限制dICOM/dt。
③高dvD/dt(斷開狀態下電壓變化率)。雙向可控硅在高溫下更為靈敏。高溫下,處于截止狀態時,容易因高dV/dt下的假觸發而導通。Hi-Com雙向可控硅減少了這種傾向。從而可以用在高溫電器,控制電阻性負載,例如廚房和取暖電器,而傳統的雙向可控硅則不能用。




