【導讀】一款功率為200W太陽能光伏并網逆變器設計全過程,可將太陽能電池板產生的直流電直接轉換為220V/50Hz的工頻正弦交流電輸出至電網。從光伏并網逆變器電路原理、系統控制方案、主要元器件選擇……到系統保護,包括全套資料哦!
一種小功率光伏并網逆變器的控制系統:DC/DC控制器的拓撲結構采用推挽式電路,是用芯片SG3525來控制的,該電路有效地防止了偏磁,DC/AC逆變器為全橋逆變電路,是用DSP來控制的,由于DSP的運算速度比較高,因此逆變器的輸出電流能夠很好地跟蹤電網電壓波形。該光伏并網逆變器控制方案的有效性在實驗室得到驗證。該控制系統能確保逆變電源的輸出功率因數接近1,輸出電流為正弦波形。

1 光伏并網逆變器電路原理
太陽能光伏并網逆變器的主電路原理圖如圖1所示。在本系統中,太陽能電池板輸出的額定電壓為62V的直流電,通過DC/DC變換器被轉換為400V直流電,接著經過DC/AC逆變后就得到220V/50Hz的交流電。系統保證并網逆變器輸出的220V/50Hz正弦電流與電網的相電壓同步。

圖1 電路原理框圖
2 系統控制方案
圖2為光伏并網逆變器的主電路拓撲圖,此系統由前級的DC/DC變換器和后級的DC/AC逆變器組成。DC/DC變換器的逆變電路可選擇的型式有半橋式、全橋式、推挽式。考慮到輸入電壓較低,如采用半橋式則開關管電流變大,而采用全橋式則控制復雜、開關管功耗增大,因此這里采用推挽式電路。DC/DC變換器由推挽逆變電路、高頻變壓器、整流電路和濾波電感構成,它將太陽能電池板輸出的62V的直流電壓轉換成400V的直流電壓。

圖2 主電路拓撲圖
DC/AC逆變器的主電路采用全橋式結構,由4個MOS管(該管內部寄生了反并聯的二極管)構成,它將400V的直流電轉換成為220V/50Hz的工頻交流電。
下頁內容:DC/DC變換器控制方案
[page]
2.2.1 DC/DC變換器控制方案

圖3 DC/DC變換器的控制框圖
DC/DC變換器的控制框圖如圖3所示。控制電路是以集成電路SG3525為核心,由SG3525輸出的兩路50kHz的驅動信號,經門極驅動電路加在推挽電路開關管Q1和Q2的門極上。為保持DC/DC變換器輸出電壓的穩定,將檢測到的輸出電壓與指令電壓進行比較,該誤差電壓經PI調節器后控制 SG3525輸出驅動信號的占空比。該控制電路還具有限制輸出過流過壓的保護功能。當檢測到DC/DC變換器輸出電流過大時,SG3525將減小門極脈沖的寬度,降低輸出電壓,進而降低了輸出電流。當輸出電壓過高時,會停止DC/DC變換器的工作。由于推挽式電路容易因直流偏磁導致變壓器飽和,因此,推挽式電路的設計難點在于如何防止變壓器的磁飽和。在本電路中,除了注意電路的對稱性之外,還設計了磁飽和檢測電路,當流經推挽電路的兩個支路電流失衡時,就會啟動SG3525的軟啟動功能,使DC/DC變換器重新啟動,變壓器得以復位。

圖4 偏磁檢測電路
偏磁檢測電路如圖4所示。圖中只畫出了磁環的副邊。原邊兩個線圈接在主電路的變壓器原邊的兩個繞組上,流過兩個線圈中的電流方向要相反。當變壓器發生偏磁時,某一方向的電流異常大,通過電流互感器檢測,可在互感器的輸出電阻R1上產生一個電壓,如果該電壓足夠大,可以使穩壓二極管D5導通,在電位器上產生壓降,將電位器的值調到合適的阻值,使電位器上的壓降大于三極管的門限電壓,使三極管導通,接在芯片SG3525的腳8與地之間的電容放電,然后SG3525中的恒流源對它充電,SG3525重新啟動,從而使變壓器磁心復位。
2.2.2 DC/AC逆變器控制方案
DC/AC逆變器是光伏并網的重點和難點,因此以下將著重闡述該部分。DC/AC逆變器控制框圖如圖5所示。核心控制芯片采用了TI公司的 TMS320F240。盡管單片機也能實現并網逆變器的脈寬調制,但是DSP實時處理能力更強大,因此可以保證系統有更高的開關工作頻率。從圖5可以清楚看出系統輸入和輸出信號的情況。

圖5 DC/AC逆變器的控制框圖
下頁內容: 輸出功率優化控制方案[page]
3 輸出功率優化控制方案
在靜態情況下,當并網逆變器與太陽能電池相連時,并網逆變器可等效為太陽能電池的負載電阻。當光強λ和溫度T變化時,太陽能電池輸出的端電壓將會隨之發生變化。為了有效地利用太陽能,應使太陽能電池的輸出始終處于適當的工作點。因此,控制方案要求當太陽能電池的電壓升高時,可以增大它的輸出功率;反之就降低它的輸出功率。

圖6 DSP的控制方案
DSP的控制方案如圖6所示,參考電壓和太陽能電池的實際電壓相比較后,其誤差經過PI調節,將得到的電流指令(直流量)IREF與ROM里的正弦表值相乘,就得到交變的輸出電流指令iref,再將它與實際的輸出電流值比較后,其誤差經過比例(P)環節,將所得到的指令取反,與采集到的交流側電壓Us相加后,所得到的波形再與三角波比較,就產生4路PWM調制信號(三角波的頻率為20kHz)。
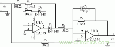
4 交流側電壓Us的檢測
將同步變壓器副邊的同步信號,濾波、整流,就可以得到比較穩定的直流電,將其送到DSP的A/D轉換口。由于最后得到的直流電壓與電網電壓有一個比較穩定的關系,因此,就比較容易換算Us的值了。

圖7 Us的整流電路
由于涉及到共地的問題,因此,采用了運算放大器的全波精密整流電路,如圖7所示。
5 電流指令的同步
并網時要求逆變器輸出的正弦波電流與電網電壓同頻、同相。首先,將電網電壓信號經過濾波整形為同步方波信號,再將其輸入到TMS320F240的外部中斷口XINT1,目的是為了捕捉電網電壓的過零信號。如圖8所示,電網電壓正弦波,經過整形后就得到了方波。

圖8 同步信號波形
當DSP檢測到過零信號的上跳沿時,便觸發同步中斷,以此時間點作為基準給定正弦波信號時間起點,也就是正弦表指針復位到零;每當T1下溢中斷(PWM實時控制)時,正弦表指針便加1,并從正弦表中取值。一個周期的單位正弦波數據被分成了400個點采用表的形式存放在存儲器中。由于同步信號比較容易受到諧波和尖峰電壓的干擾,因此在進入同步中斷后可以先做一個延時,判斷外部中斷腳XINT1是否仍然是高電平,如果是高電平,就執行中斷程序,否則就從中斷程序跳出。
從圖6的控制方案可看出,IREF與正弦表中數據相乘后,便形成了幅值可調的正弦波的電流給定信號,然后,再實時比較電流給定值,經過P環節后,所得信號反相后,與采集到的交流側電網電壓信號Us相加,所得波形與三角波比較,就產生了PWM波,控制橋臂的通斷。總之,輸出電流和電網電壓的同頻、同相的要求是通過電流跟蹤控制實現的。
下頁內容:PWM脈寬調制波的產生
[page]
6 PWM脈寬調制波的產生
PWM波的產生是通過TMS320F240的全比較單元輸出的,頻率為20kHz。從圖6可知,調制脈沖的產生是通過將電流指令值與實際電流值比較后,經過P環節,所得到的波形與三角波(頻率為20kHz)比較后獲得的。因此MOS管Q3、Q4、Q5、Q6(見圖2)脈沖的產生時刻可以從圖8得出,參照正弦波與三角波調制,兩者相交決定了PWM的脈沖時刻。實際由采樣的波形(實際上是階梯波)與三角波相交,由交點得出脈沖寬度。本系統是在三角波的底點位置對波形進行采樣而形成的階梯波。此階梯波與三角波的交點所確定的脈寬在一個采樣周期內的位置是對稱的,如圖9所示。

圖9 正弦脈寬調制波形
圖9(a)正弦波B與三角波的交點決定了Q3的導通時刻;正弦波A與三角波的交點決定了Q5的導通時刻。
圖9(b)為Q3的脈沖示意圖,同一橋臂上Q3與Q4的脈沖是互補的。
圖9(c)為Q5的脈沖示意圖,同一橋臂上Q5與Q6的脈沖是互補的。
7 TMS320F240軟件控制流程

圖10 軟件流程圖
這部分的軟件主要分成4塊,即主程序,T1下溢中斷,T2下溢中斷和同步中斷。流程圖如圖10所示。T1下溢中斷每50μs發生一次,程序主要用來生成 PWM波;T2下溢中斷每10ms發生一次,程序主要用來產生電流指令;同步中斷大約每20ms(網壓周期)發生一次。
8 系統保護
本系統設計有直流側過壓、欠壓,交流側過流,過熱等多種保護。當出現太陽能電池板的輸出電壓過壓、欠壓故障的時候,由TMS320F240向SG3525發出一個信號,封鎖DC/DC的脈沖,使其停止工作,當檢測到直流電壓恢復正常時,DC/DC又自動復位開始工作;當出現交流過流、過熱故障時,程序進入中斷服務子程序,封鎖所有驅動信號。當故障排除后,手動復位,系統重新啟動。
9 主要元器件選擇
推挽式電路MOS管選用的是IRFP350(耐壓400V,漏源額定電流為16A)。橋式逆變電路MOS管選用的是IRFPC40(耐壓600V,漏源額定電流為6.8A)。DC/DC濾波電感L1選用1.2mH,DC/AC濾波電感L2選用33.4mH。



