【導讀】單片機無線通信系統設計基于PTR2000無線數據傳輸解決方案,可實現小于300 m的短距離通信,在應用時將系統作為一個模塊可方便地移植,以便構建更為復雜的無線通信網絡,可應用于小型無線網絡、無線抄表、小區傳呼、工業數據采集系統、安全防火系統等領域,具有一定實用價值。
短距離無線傳輸具有抗干擾性能強、可靠性高、安全性好、受地理條件限制少、安裝靈活等優點,在許多領域有著廣泛的應用前景。低功耗、微型化是用戶對當前無線通信產品尤其是便攜產品的實際需求,短距離無線通信逐漸引起廣泛關注。常見的短距離無線通信有基于802.11的無線局域網WLAN、藍牙 (blueTooth)、HomeRF及歐洲的HiperLAN(高性能無線局域網),但其硬件設計、接口方式、通信協議及軟件堆棧復雜,需專門的開發系統,開發成本高、周期長,最終產品成本也高。因此這些技術在嵌入式系統中并未得到廣泛應用。普通RF產品不存在這些問題,且短距離無線數據傳輸技術成熟,功能簡單、攜帶方便,使其在嵌入式短程無線產品中得到了廣泛應用。
本文介紹的是采用NFC技術的無線通信系統接口和復位電路模塊的設計
電路原理:
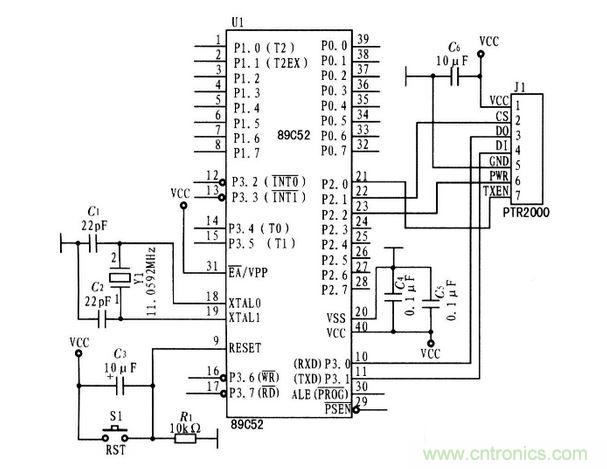
單片機的時鐘電路和復位電路:單片機時鐘電路設計中,選擇晶振頻率11.059 2 MHz,約定PC機和單片機的通信速率為9 600 b/s,并選擇相應電容與單片機的時鐘引腳相連構成時鐘回路。在復位電路設計中,采用復位引腳和相應的電容、電阻構成復位電路。單片機與PTR2000接口原理電路如圖所示。

圖1 單片機與PTR2000接口原理圖
單片機與PTR2000接口電路:AT89C52 單片機主要完成數據的采集和處理,向PTR2000模塊發送數據,并接收由PC機通過PTR2000 傳送的數據。和單片機相連的PTR2000模塊主要將單片機的待傳數據調制成射頻信號,再發送到PC機端的PTR2000模塊,同時接收PC機端的 PTR2000模塊傳送的射頻信號,并調制成單片機可識別的TTL信號送至單片機。單片機的RXD和TXD引腳分別和PTR2000的DO和DI引腳連接,實現串行數據傳輸;決定PTR2000模塊工作模式的TXEN、CS、PWR 3個引腳分別和單片機I/O控制口的P2.0~P2.2相連,PTR2000工作時,由單片機中的運行控制程序實時控制其工作模式。

圖2 PC與PTR2000接口原理圖
該接口電路設計首先需進行電平轉換。PC機的串口支持RS-232標準,而PTR2000模塊支持TTL電平,選擇MAX232器件進行兩者間的電平轉換,接口電路如圖所示。PTR2000模塊進行串行輸入、輸出,引腳DI、DO通過電平轉換器件和PC機串口相連;PTR2000的低功耗控制引腳。 PWR接高電平VCC,即PTR2000固定工作在正常工作狀態;頻道選擇引腳CS接GND低電平,即采用固定通信頻道1,固定工作在433.92 MHz;PC機串口的RTS信號控制TXEN引腳,以決定PTR2000模塊何時為接收和發射狀態。PC機和串口的傳輸速率設定為9 600 b/s,和單片機保持一致。



