【導讀】車聯網已經成為汽車行業發展趨勢,網聯滲透率不斷在提升。據IHS預計,到2020年,全球汽車電子市場規模將接近3000億美元,市場空間巨大。
車聯網已經成為汽車行業發展趨勢,網聯滲透率不斷在提升。據IHS預計,到2020年,全球汽車電子市場規模將接近3000億美元,市場空間巨大。而從產品層面來看,過去10 年,汽車電子產品應用主要集中于動力系統、底盤、車身等方面進行;將來,車聯網將不再局限于對車的認知,更是作為智能終端與外網的連接。這時,GPS、傳感器以及通信模組的相互協調成為了關鍵。
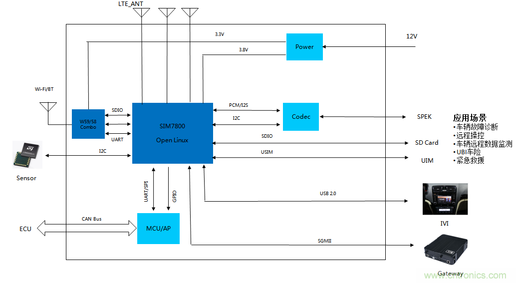
芯訊通作為行業領先的無線通信模組企業,致力于為廣大車主提供穩定的連接和極佳的用戶體驗。芯訊通提供的無線通信模組是車載遠程通信終端中的核心零部件,是連接汽車與網絡的管道,也是用戶體驗的開始。沒有無線通信模組,汽車相關的車載應用便不能連接到互聯網,即不能實現車聯網。將來,在車聯網應用移動邊緣計算和5G網絡后,車聯網數據可以就近存儲于離車輛較近的位置,提供低時延、高可靠性的通信能力,實時進行數據分析,并將分析所得結果迅速傳送給臨近區域內的其他聯網車輛,以便車輛做出決策。芯訊通SIM7800車規級模組將中控臺和Tbox連接在一起,由Tbox與外界連接,實現車聯環境內大流量的新互聯或者娛樂體驗。

【圖為T-Box客戶應用架構】
芯訊通SIM7800是基于高通MDM9628 LTE CAT4的車規級模組,LGA封裝,尺寸為34*40*2.9mm,最大下行帶寬可以達到150Mbps而上行帶寬可以達到50Mbps。SIM7800基于全新的網絡安全設計,符合汽車網絡安全構架標準。SIM7800通過多重安全機制來保障汽車和互聯網之間的通信安全,給整車廠和用戶提供智能車載解決方案。SIM7800模組是一款提供軟件開發工具包和軟件二次開發方案的車規級模組,提供的open linux方案可以激發開發者的創造潛力,還提供內置網絡安全功能,并支持安全的空中升級。SIM7800預留高速以太網接口,適合車內高速傳輸數據,為車輛提供穩定可靠的通信能力。

【圖為 T-Box成品圖】
芯訊通代理商——Excelpoint世健公司產品經理Nicola Chen表示:“Tbox定制開發板將幫助設計者靈活使用芯訊通車規級模組SIM7800,為汽車用戶提供更加豐富的業務和服務,并對車輛進行有效的監管和調度,實現更加高效、安全、舒適的車輛管理和用戶體驗。”
安全是車聯網的重中之重,嚴格把控Tbox與外網的連接的絕對安全是芯訊通的重要任務。首先,從程序的保護上,只有來源合法的產品才能對Tbox進行升級。第二:模塊的系統安全性上,由于其本身基于Linux,芯訊通采用SeLinux+把各種非法入侵的途徑都堵死。第三:保障文件的私密性,對數據進行加密。

【圖為 SIM7800CE 4G模塊設計框圖】
關于世健——亞太區領先的元器件授權代理商
世健是完整解決方案的供應商,為亞洲電子廠商包括原設備生產商(OEM)、原設計生產商(ODM)和電子制造服務提供商(EMS)提供優質的元器件、工程設計及供應鏈管理服務。
世健與供應商及電子廠商緊密協作,為新的科技與趨勢作出定位,并幫助客戶把這些最先進的科技揉合于他們的產品當中。集團分別在新加坡、中國及越南設有研發中心,專業的研發團隊不斷創造新的解決方案,幫助客戶提高成本效益并縮短產品上市時間。世健研發的完整解決方案及參考設計可應用于工業、無線通信及消費電子等領域。
世健是新加坡的主板上市公司,總部設于新加坡,擁有超過750名員工,業務范圍已擴展至亞太區40多個城市和地區,遍及新加坡、馬來西亞、泰國、越南、中國、印度、印度尼西亞、菲律賓及澳大利亞等十多個國家。世健集團在2018年的年營業額超過12億5千萬美元。世健于1993年開始發展中國業務,中國區總部設于香港,并擁有11個分公司及辦事處、1個研發中心及2個物流中心,遍及中國多個城市。





