【導讀】神經形態計算是一種新型的計算范式,它模仿生物神經網絡(如人腦)的結構和功能以在為人工智能、機器學習、機器人和感官處理等各種應用實現高性能、低功耗和自適應學習能力。
神經形態計算是一種新型的計算范式,它模仿生物神經網絡(如人腦)的結構和功能以在為人工智能、機器學習、機器人和感官處理等各種應用實現高性能、低功耗和自適應學習能力。
神經形態計算發展至今經歷了四十多年,主要分為三個階段,模擬計算、數字計算和混合計算。2017年,英特爾第一款自主學習神經芯片Loihi問世。它采用14nm工藝,包含超過20億個晶體管、13萬個神經元和1.28億個突觸,與基于CNN訓練人工智能系統的通用計算芯片相比,Loihi芯片的能效提升了1000倍。IBM的TrueNorth芯片、高通Zeroth芯片等等都屬于數字計算,即架構在CMOS工藝和器件結構基礎上的一種神經形態計算。因為材料和器件本身沒有突破,因此仍然受限于能算比低、系統架構復雜等問題。真正的神經形態計算必須采用新型材料構成的帶有易失性阻變特性的器件,對生物神經突觸的STDP等特性進行行為級的擬態,因此提出了全新的系統和器件設計的范式,并不斷突破著能算比的極限。

圖1:生物神經系統和神經形態計算對比
神經形態器件是神經形態計算系統的基本模塊。它們是模擬生物神經元和突觸行為的電子元件,例如尖峰、可塑性和記憶。神經形態器件可以基于不同的技術,例如憶阻器、相變材料、自旋電子學或納米線。神經形態陣列是實現復雜神經結構和功能的互連神經形態設備的大規模網絡。
神經形態計算為神經形態器件和陣列的設計、制造和測試帶來了一些挑戰和機遇。一方面,神經形態器件和陣列表現出高可變性、非線性、隨機性和噪聲,這使得它們難以表征和建模。另一方面,神經形態設備和陣列具有獨特的優勢,例如容錯性、魯棒性和自組織性,需要嚴格的測試和驗證。
例如基于ReRAM的神經形態陣列的主要挑戰之一是器件的可變性,這是由電阻開關過程固有的隨機性和不均勻性引起的。設備可變性會影響神經計算的準確性和穩定性,并導致性能下降甚至故障。因此,了解設備可變性的來源和影響并開發減輕或利用它的方法非常重要。例如,可以通過優化器件制造工藝、設計參數和操作條件來減少器件可變性。或者,器件可變性可以用作隨機性或多樣性的來源,以增強神經形態系統的功能和適應性。
除了ReRAM類型之外,目前也可以用神經擬態計算的器件可以有FeRAM類型、有機FET類型、以及更為廣泛和多樣的二維材料異質集成所形成的阻變器件而構成。

圖2:突觸權重特性圖示

圖3:兩端口存算器件
研究神經形態陣列的優勢
神經形態陣列是一種利用憶阻器器件形成的小規模的、實現類似于大腦神經元連接的集成電路。這種電路具有以下幾個優點:
可以直接在硬件層面模擬生物神經元的突觸可塑性,學習和記憶過程,而無需復雜的軟件算法。
可以實現并行、分布式、低功耗和高效率的數據處理,適合解決復雜認知功能和任務,如圖像識別、語音識別、自然語言處理等。
部分器件所形成的陣列可以與現有的CMOS技術兼容,利用其成熟的制造工藝和設計方法,降低開發成本和風險。
為了探索其應用和優勢,有必要開發新的測量技術和模塊,對憶阻器器件和陣列進行精確和全面的表征和評估。在陣列測試中,和器件測試和表征方法差異主要在如何高效、可靠的“選通”陣列中每個器件,進行參數表征,以及自動化的完成可靠性的相關測試,甚至可以利用測試的平臺直接進行神經形態計算的仿真和驗證。
?直流掃描測試:施加從零到最大值或最小值的電壓或電流斜坡,并測量相應的電流或電壓響應。繪制I-V曲線并分析憶阻器器件的開關行為、遲滯、閾值和非線性。
?脈沖測試:施加具有指定幅度、寬度、周期和數量的電壓或電流脈沖,并測量相應的電流或電壓響應。繪制脈沖波形并分析憶阻器器件的瞬態和動態特性,例如開關時間、保持時間、耐久性和可變性。
?自定義脈沖測試:應用用戶定義的具有可變幅度、寬度、周期和數量的脈沖序列,并測量相應的電流或電壓響應。繪制脈沖波形并分析憶阻器器件的復雜和非線性行為,例如尖峰定時相關可塑性、學習、記憶和神經形態功能。
?陣列測試:將電壓或電流信號的組合施加到憶阻器陣列的行和列上,并測量每個單元的輸出電流。通用的陣列結構如Crossbar等。完成陣列中每個器件的訓練,并完成一定的推理任務。同時驗證矩陣并性能,例如網絡的Sneak Path、串擾、均勻性和可擴展性。
?算法研究:特別針對于神經形態算法有別于卷積神經網絡算法,面對不同的硬件陣列,需要提出統一的、兼容的算法模型并進行驗證。
?靈活高效的集成不同的脈沖激勵源:超快電脈沖、光脈沖、壓力等,是將神經擬態計算進行的拓展,從“存算”延伸為“感存算”,測試的覆蓋度增強,需要高效的兼容不同的外部刺激源到整個測試系統中。
陣列測試方案介紹
Tektronix/Keithley公司提供豐富的測試產品,在神經形態材料(鐵電、自旋、有機、二維材料)和器件的科研中得到廣泛的運用。而對于陣列測試的需求,目前業內鮮有專業的系統和軟件。特別是由于材料、器件的不同、工藝的不同,陣列測試的方法尚未形成統一的方法,主要需要科研工作者自行集成和開發,一定程度上浪費了寶貴的科研資源。Tektronix/Keithley 提供一站式的解決方案,提供靈活的配置方式,提供一套通用的軟件平臺,并且可以根據特定的測試需求開發軟件模塊,真正的做到“交鑰匙”方案。
DC測試
主要測試陣列中器件的I/V特性曲線,俗稱“蝴蝶曲線”,在不同的條件下表征器件的具有“存儲”的能力;根據器件的Ion/Ioff的特性和測試精度的要求,可以選擇高精度1pA量程的4200A-SMU及高精度放大器 PA;100pA量程可選2600系列源表作為測試主要硬件;源表自身具有一定的脈沖能力,如果考慮到器件自熱效應,并且脈寬要求低于100us,2600系列源表可以滿足。
AC測試
神經形態計算天然是脈沖。用脈沖方式進行測試不僅可以消除自熱效應,更重要的是可以模擬“突觸”實際工作的脈沖刺激并測量其響應。因此絕大部分的陣列測試都在脈沖下進行。首先通過脈沖進行陣列中每個器件突觸特性的刻畫,得到陣列整體的突觸特性,可以用于后期仿真算法的開發;進一步可以測量陣列中每個器件的脈沖I/V特性。由于脈沖寬度和幅度要求的不同,可以使用4200-PMU激勵和測量脈寬最高到50ns的用例;使用AFG或者AWG,配合外部放大器可以實現50ns~100ps的脈沖激勵,并且使用TIA或高靈敏度電流探頭集成的方式實現脈沖電流的測量。
在Endurance或Retention測試中,由于是測量陣列長時間、多脈沖下的可靠性特性,往往對Read電流的精度要求很高,用于精準的描述阻變的動力學過程,因此會用到1pA量程下0.01fA分辨率的源表或更高精度的皮安表進行電流測試。因此脈沖電壓Set/Reset激勵和直流Read電流讀取需要在同一個端口進行。4225-RPM是一款集成了電流放大、通道切換的模塊,無需更換前端探針或連線可以輕松的實現不同類型信號的測試。

圖4:4225-RPM內部結構,SMU和PMU復用一個輸出
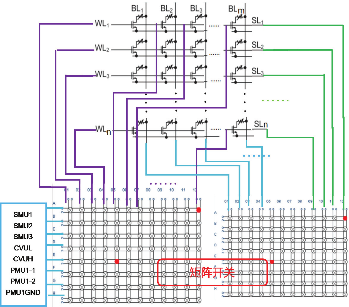
矩陣開關選擇

圖5:三端結構(例如:1T1R結構)。左端是儀器連接端,完成信號激勵和測量;圖中陣列的示意圖,WL端可以有DC和AC的激勵和測量。
矩陣開關的目的是尋址陣列中特定的器件,對其進行表征和測量的前置條件。引入矩陣開關可以大幅度降低測試的成本和復雜度,有助于標準化探針、探卡的結構,標準化測試流程,提高測試效率。在單獨的DC測試中,如果選用2600系列源表作為主要測試機,可以配置3706系列的矩陣開關,漏流小于 100pA;如果選用4200A或者采用AC測試時,需要選擇更低漏流、更大帶寬、更小雜散電容的707B系列矩陣開關,漏流低于100fA,支持4225-PMU脈沖信號切換。
矩陣開關通道數的選擇需要根據陣列規模M x N,以及器件端口數決定。下圖是陣列測試組網示意圖,僅表示一種通用的連接形式,具體配置請和Tektronix技術專家溝通。

圖6:DC測試

圖7:AC測試。脈沖Spike的參數化定義
軟件功能
軟件內置I/V掃描特性功能,在選通待定器件后,在矩陣中自動完成。考慮到Sneak Path的問題,可以通過三端的方式將待測器件“隔離”,或者定制特殊的算法。
軟件內置標準突觸特性測試,通過PMU進行Reset/Set以及循環,可以在脈沖后通過SMU進行Read操作,準確的測試阻變特性。
自定義波形
軟件特別開發了脈沖調試功能,支持更加靈活的脈沖波形編輯和測量。可視化的界面中輸入的時序參數立刻可以仿真出來,使用者可以避免制作錯誤的脈沖參數導致器件的損壞;將波形導入測試程序后,可以定制Read電流的時間和頻次,從而快速反饋給用戶進行脈沖波形參數的調優。真正做到“ 所見即所得” 。K-pulse編輯KSF波形,+measure的時序;實時debug。

圖8:K-pulse可視化脈沖編輯和自定義Read電流設置。

圖9:Endurance測試,對Reset和Set兩種狀態分別測試Endurance
陣列Endurance測試,通過 PMU循環進行Set/ Reset和Read的操作,嚴格的進行Endurance的測量。測量的時間和需要達到的Endurance的數量級成正比;例 如,MRAM Endurance測試循環在1015量級,如果采用100ns Set/Reset周期,一個測試循環大致500ns,所以總共測試時間為15年!解決方案有更換AFG/AWG加快Set/Reset的脈沖寬度,可以達到100ps級別(根據具體器件的響應時間決定)也可通過小規模的測試,對小樣本下的Endurance進行外推,需要PMU有很高的Set/ Reset電壓精度和穩定度以及SMU對Read電流的精度,有助于Endurance模型的準確度。
陣列Retention測試,涉及到長時間的周期或非周期的Read,timing參數和周期參數靈活多變。可以根據PMU和SMU的特性靈活調配Read的方式。
同樣,對于神經突觸的特性測試(STP、STD、LTP、LTD、STDP等)由 timing參數和周期參數多變,在軟件提供標準的Pulse測試基礎上,需要定制開發測試過程,以及最終的數據呈現方式。
工藝可靠性TDDB等,借助軟件標準的測試庫,可以靈活的擴展陣列可靠性的測試模塊。
器件及陣列測試集成開發環境TMAS
為了降低神經形態器件和陣列測試的復雜度,手動測試對于精度的影響,以及提高測試效率和可重復性,Tektronix公司提供了統一的器件和陣列集成化測試平臺TMAS套件,包含ACS-BASIC和器件陣列測試模塊。
器件電特性參數表征
陣列訓練及部分推理
開放式平臺,Python 腳本直寫定制測試模塊
豐富靈活的數據處理


小結
對于Tektronix/Keithley神經形態陣列測試方案應該具有一下特點:
?測試解決方案應具有靈活性和可擴展性,以適應同的網絡規模和設備架構,以及不同的測試功能和參數。
?測試解決方案應準確可靠,以捕獲憶阻器器件的細微動態行為,例如納秒級脈沖響應、亞皮安電流水平和隨機開關現象。
?測試解決方案應高效且用戶友好,以方便數據采集和分析,以及憶阻器器件和網絡的優化和驗證。
?易于開發新的測量技術和模塊,以克服現有儀器的局限性。
未來希望能將測試解決方案與先進的建模和仿真工具集成,以在不同的抽象和復雜程度上對憶阻器器件和網絡進行表征和評估, 探索 Memristor 器件和網絡在神經形態計算中的潛在應用和優勢,例如突觸可塑性、學習和記憶過程的仿真,以及復雜認知功能和任務的實現。
(來源:泰克科技)
免責聲明:本文為轉載文章,轉載此文目的在于傳遞更多信息,版權歸原作者所有。本文所用視頻、圖片、文字如涉及作品版權問題,請聯系小編進行處理。
推薦閱讀:



