- 對補償式電力穩壓器的主要要求
- 穩壓器的構成與工作原理
- 穩壓器的選擇與使用
- 通過“多路全橋功率電路”來控制取得正負補償電壓
- 用固態繼電器群組成無觸點單元
- 經過主控板進行判斷與處理輸出控制指令
我國自上世紀80年代第1臺大功率補償式穩壓器問世以來,通過20年的發展創新,對補償系列產品已經形成了相當規模的生產能力,并使產品結構、質量等方面得到了迅速的發展,已成為當今大功率穩壓源的主流產品之一。然而,中國的電源市場廣闊、發展不平衡,特別是加入WTO以后勢必將面臨嚴峻考驗,本文就5型穩壓器(新一代SBW5型大功率補償式電力穩壓器)極為重要的幾個突出優點及研制電源系統的組成進行簡要的闡述。
市場對補償式電力穩壓器新的主要要求:
1)高可靠性,安全第一,要求平均無故障時間≥50000h。
2)具有較寬的穩壓范圍,負載調整率及較快的動態響應。
3)功率大于20kVA的穩壓器應采用分相補償調節。
4)對電網的諧波污染和高頻電磁干擾應盡可能地減小。
5)具有防雷,防浪涌和其它防患措施。
6)免維護,有遙控接口,可實現無人值守。
5型穩壓器的構成與工作原理
5型系列穩壓器是潘登公司在原有穩壓器技術基礎上進行更新改造的產品,主要面向電信、電力、移動基站等行業。歸納起來它有以下3個顯著特點:
1)針對中國電網的特點,全部采用分相補償調節設計,補償量30%。
2)采用微電子元器件,磁路控制及計算機自動控制技術于一體的高新技術,改造了傳統的碳刷、觸點、機械傳動調壓補償方式。
3)具有防雷等安全措施及遙控遙測功能,實現無人值守與智能化管理。
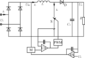
原理框圖如圖1所示。

圖1原理框圖
從圖1不難看出5型穩壓器與傳統補償式穩壓器的主要區別在于“補償”方法上。補償式穩壓技術的關鍵就是補償電壓的調節方式,它直接關系到穩壓器的安全可靠性、動態響應、穩壓精度、穩壓范圍、波形失真等性能指標。眾所周知,常規機械補償式穩壓器是利用伺服電機和機械傳動系統與園盤式或柱式調壓器組成的交流穩壓裝置。
[page]
因為是機械傳動,所以對電源動態響應速度慢,而且對裝置平衡和碳刷架壓力有嚴格要求,因此使用時間一長,結構變形松動,容易發生調壓器短路而造成不良后果,同時碳刷的磨損會產生火花而引起干擾,污染電網與影響其它設備(特別是帶有微電腦的設備)的正常工作。
而新一代5型穩壓器調壓系統是“多路補償變壓器組合群體”,通過“多路全橋功率電路”來控制多個無觸點開關的通斷取得正負補償電壓,屬高新技術的電子開關調壓系統裝置,整個調壓系統無碳刷、無觸點、無機械運動,這樣大大提高了穩壓器運行過程中的可靠性,而且響應速度、精度、穩壓范圍都得到了極大的改善與提高,達到免維護的目的。
從圖1可以看到由多臺補償變壓器組成主控單元,用固態繼電器群組成無觸點單元,控制電路由采樣系統、主控板及各種顯示、保護電路組成。當輸入電壓波動或負載電流發生變化時,通過采樣系統獲取反饋電壓,經過主控板進行判斷與處理輸出控制指令,在電壓過零同步脈沖的作用下使相應的晶閘管模塊接通或關閉,使對應補償變壓器投入工作,改變了補償電壓Δu值從而快速達到了穩定輸出電壓的目的。
圖2是一相主控補償單元電路的原理圖。圖中T1、T2、T3是三個獨立的補償變壓器,根據穩壓精度及輸入電壓的范圍要求來選擇變壓器的臺數(一般為3~4臺,這里選擇3臺),次級繞組的補償電壓可設置為7V、14V、28V(或5V、10V、20V)等,當順極性(或反極性)全部投入時可以獲得最大正負補償電壓為49V,當最小補償電壓取7V時,穩壓精度為3%。

圖2主控補償單元
S1~S12是固態繼電器,其中S1~S4與T1、S5~S8與T2、S9~S12與T3分別組成三個功率全橋電路。其工作過程如下:若由于輸入電壓Ui升高等原因造成輸出電壓Uo高于額定值,要求T1、T2、T3中1個(2個或3個)工作,產生反極性電壓抵消Ui升高的那部分電壓,如經主控板判斷需要T1投入時,可觸發S1、S4道通。當Uo低于額定值時,需要T1產生順極性電壓補足Ui所缺的那部分電壓,可觸發S2、S3道通。以此類推,如果Ui升高或降低較多時,可使T1、T2、T3同時投入工作,產生較高的反極性或順極性補償電壓,使輸出電壓始終穩定在穩壓精度以內。
由于5型穩壓器補償電壓調節系統中的開關器件都是電力電子器件,遠比傳統式電磁感應繼電器的動態響應快得多,而且開關器件都為觸發電路及電力電子器件組成的電路模塊,因此具有較強的抗干擾能力,這對于電信、移動基站的精密電子儀器、計算機或數字微電子設備是理想的交流穩壓儀器。
作為供電電源的穩壓器對可靠性的要求比任何用電設備、電器都要高,本設備由于無碳刷、無觸點、無機械傳動,從而減少了故障點,提高了設備的平均無故障時間。
穩壓器的選擇與使用
1)該系列產品補償調節有統調與分調兩種形式。若需要集中穩壓而且功率較大的,推薦選用分調式的,因為分調式穩壓器是A、B、C相分相采樣,分相調節,這樣能保證各相電壓的穩壓精度;而統調式因為僅取一相采樣而集中統調,因此無論如何也保證不了其他二相的穩壓精度。
2)不僅要求穩壓器對當地電網的適應性,如:穩壓范圍、抗干擾能力以及對非線性負載的適應能力等,而且還要求穩壓器自身沒有波形畸變,不產生高頻干擾和對電網形成污染。尤其對供電質量較差的單位,至少要有30%的穩壓范圍才能適用,并要求穩壓器在最低輸入電壓情況下還能保持額定最大輸出功率。
3)穩壓器不能離負載太遠,越近越好,并建議一臺設備配一臺穩壓器,注意不要在配電室里面搞大容量的集中穩壓,這樣非但起不到穩壓作用,而且可能帶來更多的麻煩。
4)大功率穩壓器的可靠性是第一位的,因此除了必要的過壓、欠壓保護外,有些功能如自動上電、缺相保護等可以不必考慮,因為多一個功能便多一個故障點,當然防雷裝置是必不可少的。無人值守時應有遙控遙測功能。另外,不必過分追求穩壓器的精度,因為越是高精密電子儀器,其本身就具有良好的工作電源,因此穩壓器的響應與精度方面不會對其構成較大影響,而穩壓器的干擾問題,恰恰是不可忽視的。



