- 系統構成及主回路設計
- 關鍵技術設計
- 設計試驗結果
- 功率因數校正技術和無源無耗緩沖電路
- IGBT/MOSFET并聯組合開關技術
- 半橋電路平衡控制技術
機載高頻開關電源產品專門用于輸入交流400Hz的場合,這是特意為了滿足軍用雷達、航空航天、艦船、機車以及導彈發射等專門用途所設計的。應用戶要求,研制出機載高頻開關電源產品對電子武器裝備系統的國產化,打破國際封鎖,提高我軍裝備的機動性,高性能都有重要的意義。
機上可供選擇的供電電源有兩種輸入方式:115V/400Hz中頻交流電源和28V直流電源。兩種輸入方式各有優缺點,115V/400Hz電源波動小,需要器件的耐壓相對較高;而28V直流電源卻相反,一般不能直接提供給設備部件使用,必須將供電電源進行隔離并穩壓成為需要的直流電源才能使用。機載電源的使用環境比較惡劣,必須適應寬范圍溫度正常工作,并能經受沖擊、震動、潮濕等應力篩選試驗,因此設計機載電源的可靠性給我們提出了更高的要求。下面主要介紹115V/400Hz中頻交流輸入方式所研制的開關電源,它的輸出電壓270~380Vdc可以調節,輸出功率不小于3000W,環境溫度可寬至-40℃~+55℃,完全適應軍品級電源的需要。
系統構成及主回路設計
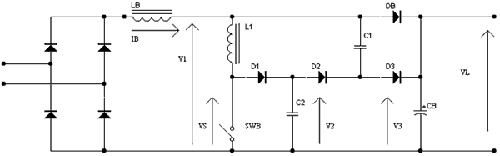
圖1所示為整機電路原理框圖。它的設計主要通過升壓功率因數校正電路及DC/DC變換電路兩部分完成。115Vac/400Hz中頻交流電源經輸入濾波,通過升壓功率因數校正(PFC)電路完成功率因數校正及升壓預穩、能量存儲,再通過DC/DC半橋變換、高頻整流濾波器、輸出濾波電路以及反饋控制回路實現270~380Vdc可調節輸出穩壓的性能要求。

圖1整機電路原理框圖
升壓功率因數校正電路主要使輸入功率因數滿足指標要求,同時實現升壓預穩功能。本部分設計兼顧功率因數電路達到0.92的要求,又使DC/DC輸入電壓適當,不致使功率因數校正電路工作負擔過重,因此設定在330~350Vdc。
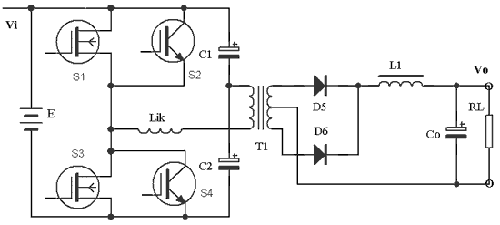
隔離式DC/DC變換器電路拓撲結構形式主要有以下幾種:正激、反激、全橋、半橋和推挽。反激和正激拓撲主要應用在中小功率電源中,不適合本電源的3000W輸出功率要求。全橋拓撲雖然能輸出較大的功率,但結構相對較為復雜。推挽電路結構中的開關管電壓應力很高,并且在推挽和全橋拓撲中都可能出現單向偏磁飽和,使開關管損壞。而半橋電路因為具有自動抗不平衡能力,而且相對較為簡單,開關管數量較少且電壓電流應力都比較適中,故不失為一種合理的選擇。
DC/DC變換電路主要為功率變壓器設計,采用IGBT/MOSFET并聯組合開關技術和半橋電路平衡控制技術。經過分析計算,采用雙E65磁芯,初級線圈12匝,次級繞組圈15匝。
[page]
關鍵技術設計
1功率因數校正技術和無源無耗緩沖電路
具有正弦波輸入電流的單相輸入個功率因數校正電路在開關電源中的使用越來越廣泛,圖2所示為升壓功率因數校正和無源無耗緩沖電路。

圖2功率因數校正和新型的無源無耗緩沖電路
采用無源無耗緩沖電路,元件全部采用L、C、D等無源器件,既有零電流導通特性,又有零電壓關斷特性,比傳統的有損耗的緩沖電路元件少30%。緩沖電路元件包括L1、C1、C2、D1、D2和D3。
可用UC2854A控制主開關SWB,其緩沖電路是不需控制的,并且具有電路簡單的特點。其原理是將二極管DB反向恢復的能量和SWB關斷時儲存在C2中的能量在SWB導通時轉移到C1中。在SWB關斷時,L1中的儲能向C2充電,并通過D1、D2、D3轉移到CB中,同時也向CB放電,用這種電路實現了零電壓關斷和零電流導通,有效地減少損耗,提高了電路的效率和可靠性。
該電路的主要特點是:
開關SWB上最大電壓為輸出電壓VL。
Boost二極管DB上最大反向電壓為VL+VE,VE值由IR、L1、C1及C2的相關值決定。
開關SWB上最大電流上升率由L1和V1決定,并且導通損耗和應力很小。
開關SWB上最大電壓率由C2決定,并且關斷功耗和應力很小。
在開關周期中,為獲得電流和電壓上升率的控制而儲存在L1和C2中的能量最終又回到輸出電源中,這樣確保電路真正的無損耗工作。
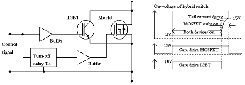
2 IGBT/MOSFET并聯組合開關技術
圖3所示為IGBT/MOSFET并聯組合開關電路及工作波形圖。與MOSFET相比,IGBT通態電壓很低,電流在關斷時很快下降到初始值的5%,但減少到零的時間較長,約1~1.5μs,在硬開關模式下會導致很大的開關損耗。在組合開關中,并聯MOSFET在IGBT關斷1.5μs后,拖尾電流已減少到接近零時才關斷。

圖3IGBT/MOSFET并聯組合開關電路及工作波形圖
這種技術因通態損耗很低而使得DC/DC變換器的效率很高。但需工作頻率相對較低,一般選取20~40kHz。由于半橋組合開關只需兩個開關,總的開關器件的數目少,使可靠性顯著提高。
[page]
3半橋電路平衡控制技術
通過控制和調整IGBT/MOSFET柵驅動的延遲時間可使半橋平衡,避免變壓器偏磁飽和過流,燒毀開關管。這在脈沖較寬大時,很容易實現。但當輕載或無載時,脈寬很窄(例如小于0.3μs),此時的IGBT/MOSFET延遲已取消。因此在窄脈寬時,為保持其平衡,我們采用了一個低頻振蕩器。當脈寬小于0.3μs時,振蕩器起振使PWM發生器間歇工作,保持脈寬不小于0.3μs,以維持半橋平衡,使其在無載時能正常工作。
由于工作頻率較低,組合開關的開關損耗很小,通態損耗也很小。

圖4半橋電路平衡控制電路
4多重環路控制電路
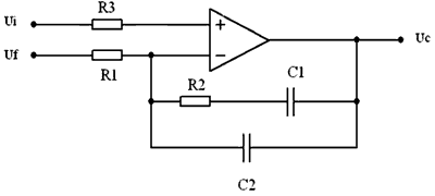
平均電流模式控制系統采用PI調節器,需要確定比例系數和零點兩個參數。調節器比例系數KP的計算原則是保證電流調節器輸出信號的上升階段斜率比鋸齒波斜率小,這樣電流環才會穩定。零點選擇在較低的頻率范圍內,在開關頻率所對應的角頻率的1/10~1/20處,以獲得在開環截止頻率處較充足的相位裕量。
另外,在PI調節器中增加一個位于開關頻率附近的極點,用來消除開關過程中產生的噪聲對控制電路的干擾,這樣的PI調節器的結構如圖5所示。

圖5具有濾波功能的PI調節器
控制電路的核心是電壓、電流反饋控制信號的設計。為了保證在系統穩定性的前提下提高反應速度,設計了以電壓環為主的多重環路控制技術。電流環響應負載電流變化,并且有限流功能。設計電路增加了對輸出電感電流采樣后的差分放大,隔直后加入到反饋環中參與控制,調節器增益可通過后級帶電位器的放大環節進行調節。這樣電源工作在高精度恒壓狀態下,輸出動態響應,使電源在負載突變的情況下,沒有大的輸出電壓過沖。
5提高散熱效果,降低熱阻
為了減小整機體積,達到合理的功率密度,采用了強迫風冷方式。對于風冷散熱器來說,風速的大小直接關系到散熱效果的優劣。由于要求前后通風,在設計時應考慮:
保證風速達到一定的要求(V=6m/s),并考慮風壓的影響。當風壓低于散熱器壓頭損失時,冷卻風根本就吹不過去或風速很低,達不到提高散熱率的目的。
由于散熱器及翼片間隙同風道與散熱器間隙有很大差別,當風壓過低時,可以在進風口散熱器與風道的間隙間加擋流柵板或喇叭型的進口,強迫風從散熱器的翼片間流過。
升壓電感、主變壓器、輸出濾波電感成一排固定在散熱器上半部,主板固定在散熱器下半部;主板上的功率器件如功率開關管、輸出整流管通過鋼板壓條固定在散熱器上,主板上半部放質低元器件、下半部放置高元器件,風扇放置在散熱器前中上位置并固定在前面板上,采用前進風后出風方式。
軍用高頻開關電源產品不但要考慮電源本身參數設計,還要考慮電氣設計、電磁兼容設計、熱設計、結構設計、安全性設計和三防設計等方面。因為任何方面哪怕是最微小的疏忽,都可能導致整個電源的崩潰,所以我們應充分認識到軍用高頻開關電源產品可靠性設計的重要性。
[page]
試驗結果
對設計參數進行試驗,試驗結果如圖6~8所示。

圖6DC/DC初級電壓波形(滿載)

圖7DC/DC次級電壓波形(滿載)

從表1可以看出,測試結果符合協議的規定,其中功率因數、效率、電源調整率、負載調整率、輸出噪聲等參數優于協議要求。




