關于低壓程控電源中心議題
- 測量電路對電源的要求
- 驅動電路與控制電路的接口
關于低壓程控電源解決方案
- 三端穩壓器件7824作驅動電路電源
- 過電流保護電路設計
- 過電壓保護電路設計
在某些自動測量領域,為了滿足特殊的測試條件或測量過程,常要求在測量過程中能控制電源倒換極性或者使電源接入或脫離測量系統,即能夠根據測量的需要來隨時控制電源的狀態。隨著電力電子技術的發展,全控型器件的開關速度、容量及可靠性有了很大的提高,使得利用全控型器件實現在程序上可控的電源變得十分容易。本文結合一種測量過程的實例,給出了一種低壓可控電源的設計。
在應用直流疊加法檢測XLPE電纜絕緣電阻的方法中[1],為了抵消測量中干擾的影響,要求在測試過程中能變換電源的極性,而且在某段過程中,要求能完全切斷電源。我們利用電力電子器件,實現了一種在測量過程中可控的低壓電源,為實現測量的全面自動化鋪平了道路。
1 測量電路對電源的要求
直流疊加法檢測電纜絕緣的實驗室主接線圖如圖1所示。

圖1 測量主接線圖
在圖1中,電纜用一個電阻與一個電容的并聯電路來建立模型,1MΩ的電阻為保護水電阻,變壓器將220V的電壓升到110kV后,加到電纜上。在測量試驗中,主要的要求是將一個50V的直流電壓疊加到電纜上,以測量出電纜的絕緣電阻R,為了減小測量誤差,需要倒換電源極性,進行正反向兩次測量。此外,在現場由于變壓器中性點常通過一小電阻接地,此電阻的阻值僅為幾Ω到十幾Ω,為了能將直流電源疊加到電纜上,直流電源必須能提供足夠大的電流。在應用直流疊加法
檢測電纜絕緣中,通常需要的直流電壓為50V,這樣,設定中性點的接地電阻最小值為5Ω,通過歐姆定律我們可以得出,直流電源至少要能夠提供10A的電流;此外,考慮到在測量過程中需要的開關速度,就可以選擇合適的電力電子器件了。經過對常用全控型電力電子器件的考察,我們決定采用MOSFET來作為開關器件,選用IR公司的IRFP460。IRFP460是IR公司生產的高速器件,它的安全工作區如圖2所示,在圖2中我們可以看出,在50V的情況下,10A是它可以安全關斷的電流[3]。
圖2 IRFP460的安全工作區

2 主電路設計
由于在測量過程中不僅要求能倒換電源的極性,而且要求能將電源完全脫離測量系統,因此,在設計中利用一全橋電路來實現電源的極性控制及全關斷[2]。主電路如圖3所示。
圖3 電源主電路

從圖3可以看出,主電路實際上是一個整流電路及一個全橋逆變電路的組合,電源極性的倒換是通過逆變器實現的。這樣,就能輕松地實現程控電源。[page]
3 驅動電路設計
在設計中,我們沒有采用常用的DC/DC模塊作驅動電路電源,而是采用簡單而便宜的三端穩壓器件7824作驅動電路電源。通過實驗說明,它在可靠性下降不大的情況下使成本下降了3/4。一路驅動電源電路圖如圖4所示。

圖4 單路驅動電路電源
在圖4中,我們模仿驅動集成電路EXB841的內部電路,利用電阻R1及穩壓管D2來制造一個參考地,使得相對于參考地來說,輸出電壓分別為+15V及-9V,參照IRFP460的器件手冊,這兩種電壓已經能夠可靠地觸發及關斷MOSFET。驅動控制電路采用TLP250作為驅動信號的控制電路[4]。TLP250的邏輯表及內部電路分別如表1及圖5所示。
表1 TLP250邏輯表 InputLED V1 V2


圖5 TLP250內部電路圖
從表1及圖5可以看出,在提供了驅動電源后,利用TLP250就可以很容易地實現驅動電路與主電路的接口,當光耦導通時,V1導通,VCC近似等于Vo,此時輸出到MOSFET上的柵漏電壓近似為15V;當光耦截止時,V2導通,Vo近似等于GND,此時輸出到MOSFET上的柵漏電壓近似為-9V。
4 驅動電路與控制電路的接口
由于在本設計中,采用單片機作為測量系統的核心,因此,控制電路的核心也采用單片機,為了節約單片機的IO口,采用一片74LS175作為控制信號的鎖存器。驅動電路與控制電路的接口電路如圖6所示。
在圖6中,AD0—AD3為低四位數據總線,CLK2為譯碼器與單片機讀寫信號配合給出的觸發信號。在測量過程中,當需要改變電源的狀態時,直接將數據寫入到74LS175中并鎖存,就可以據此控制各個橋臂的導通與關斷。在此需要注意的是,在調試過程中一定不要給出錯誤的數據,造成橋臂直通,從而使得MOSFET永久損壞。

圖6 驅動電路與控制電路接口電路
5 保護電路設計
5.1 過電壓保護電路設計
在本設計中,由于電源容量僅為500W,因此,可以采用簡單的RC吸收電路。電路圖如圖7所示。

圖7 RC吸收電路
將圖7所示的電路并聯到MOSFET兩端即可有效限制沖擊過電壓。電容的參數可以通過實測來計算,也可以簡單地選取MOSFET極間電容的2倍,電阻的參數與開關頻率有關。
5.2 過電流保護電路設計
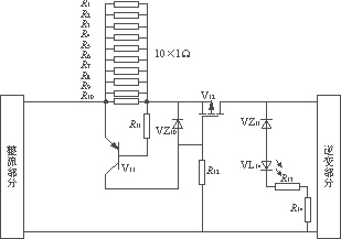
在本設計中,由于電源容量不大,因此,考慮采用晶體管過電流保護電路,如圖8所示。
在圖8中,R1—R10為1Ω的標準電阻,功率為2W,當電流超過預定值時,在并聯電阻上的壓降超過0.7V,三極管導通,此時,MOSFET將因柵源極間承受反向電壓而截止,從而切斷主電路;當電流值正常時,MOSFET正常導通,不會影響電路的正常工作。這種電路的缺點在于,如果電路中出現時斷時續的過電流時,MOSFET將會不斷地動作。為此,在圖3中還加入了其他保護元器件。

圖8 過電流保護電路
從圖3可以看出,為了防止主電路整流側過流損壞,在變壓器副邊設置了空氣開關。在此需要說明的是,此開關不能設置在變壓器原邊,以避免因勵磁涌流而誤動作。在逆變部分還加入了小電感,以防止電流變化造成的損壞,串入快速熔斷器作為晶體管過電流保護的后備保護。
MOSFET管柵源極間的保護電路在很多文獻中已經給出,在此不再多述[3]。
6 結語
將MOSFET應用于自動測量領域,采用單片機作為測量系統的核心,成功解決了自動測量過程中需要控制電源狀態的問題。利用此電路不僅可以自動倒換電源極性及實現電源的程控關斷,而且,在MOSFET開關頻率允許的前提下,還可以利用此電路編程實現任意的SPWM波形。
此設計結構緊湊,可控性高,且成本較低,在測量試驗中取得了滿意的效果,體現了程序控制的優勢。





