- 基于智能電池充電器性能測試的研究
- 利用定電壓電子負載的原理
- 通過對定電壓電子負載的研制
1引言
眾所周知,要保證蓄電池的正常壽命,就必須給蓄電池提供其可接受且科學的充電電流,智能充電器就是在這種背景下發展起來的。而一臺智能電池充電器是否達到了設計指標,理論上可以用真實的二次電池來測試,但這種方法是一個冗長且很難操作的過程,在研究和生產中是不符合實際情況的,定電壓電子負載就可以很好地解決這個問題。
2定電壓電子負載的研制
2.1定電壓電子負載的原理
電子負載是利用大功率半導體器件吸收電源提供的電流,轉換成熱能,從而達到模擬負載的電源測試儀器。定電壓(CV)電子負載的工作原理如圖1所示。它將從電源吸收足夠的電流來控制其輸出電壓達到設定值,因而它可以模擬蓄電池的端電壓,可快速、準確地測試智能電池充電器的輸出特性,另外它也可使用于測試電源的限流特性。

(a)電子負載的原理(CV)(b)輸出特性
圖1電子負載的原理及輸出特性
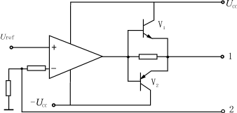
2.2定電壓電子負載的研制
JTU—100型電子負載的原理圖如圖2所示,它最大可以吸收10A的電流,圖中V1、V2為調整管,Uref為可調基準源,1、2為輸出端,調節Uref的大小,不管負載如何變化,都可以在1、2端得到設定的電壓。

圖2JTU-100型電子負載的原理圖
[page]3智能電池充電器的性能測試研究
圖3是開發的一種智能電池充電器的原理框圖,它滿足12VVRLA蓄電池在循環使用條件下的充電要求,設計指標為:

圖3智能電池充電器的原理框圖
(2)當Ub>14.2V時,充電電流隨電池電壓的升高而線性減小。
(3)當Ub≥15.5時,以10mA左右的電流給蓄電池充電,用以補償蓄電池自放電的電流。
(4)充電閾值電壓溫度補償系數為-23mV/℃(12VVRLA蓄電池)
測試步驟如下:
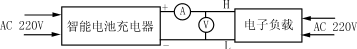
①給JTU—100型電子負載接上電源,并將輸出調整到13.5V。
②按圖4接線。
③先打開電子負載的開關,再打開智能電池充電器的開關,電流表顯示為2A,電壓表顯示為13.5V。
④逐漸增加電子負載的輸出電壓,當電壓大于14.2V時,輸出電流逐漸減小,當電子負載的輸出電壓升至15.5V時,電流降至10mA左右。
⑤逐漸減小電子負載的輸出電壓,電流表的讀數線性增加,當輸出電壓小于14.2V時,電流表的讀數增至2A并維持不變。
⑥為了測出充電閾值電壓的溫度補償是否達到設計指標,將智能電池充電器的溫度傳感器放到恒溫箱中,測出該溫度下的充電曲線。測量結果如圖5所示。
4結論
電子負載的出現將會促進電源技術的進一步發展,定電壓電子負載是人們研制智能化電池充電器不可缺少的測試儀器。
圖4電池充電器測試接線圖

圖5幾種溫度下的充電曲線





