【導讀】目前,由電池供電的逆變電源一般由兩級組成,前級DC/DC電路將電池電壓變換成直流約350V電壓,后級DC/AC電路將直流350V電壓變換為交流220V電壓。在這類逆變電源中,輸入電流較大,功率管導通壓降高,損耗大,電源效率很難提高。對于中小功率而言,單端反激電路具有一定優勢,本文就采用多管并聯和能量回饋技術的單端反激電路在低壓供電的逆變電源中的應用做一些探討。
常規單端反激電路結構
常規單端反激電路結構如圖1所示,該電路的缺點在于功率管VT截止時,變壓器初級的反峰能量,被VD1、C 1和R 1組成的吸收電路消耗掉;而且在輸出功率相同的情況下,功率管通過電流(相對于多管并聯)大,導通壓降高,損耗大,所以效率和可靠性較低。

圖1:常規單端反激電路結構
多管并聯的單端反激電路結構
如圖2所示,該電路的特點是,主功率電路采用4只功率管并聯,每只功率管通過的電流為單管應用時的1/4(假定4只功率管參數一致),則功率管的導通壓降也應為單管應用時的1/4.根據計算,在輸出550W時,理論上,4管并聯比單管可減小通態損耗約20W,提高效率近3個百分點。

圖2:4只功率管并聯主功率電路
采用能量回饋技術的單端反激電路結構
采用能量回饋技術的單端反激電路結構如圖3所示,其主要波形如圖4所示。在本電路中,用電容C 2、電感L 1、二極管VD1和VD2組成變壓器初級反峰吸收電路,可使大部分反峰能量回饋到輸入電容C 1上,減少了能量損耗,提高了電路效率。

圖3:初級反峰吸收電路

圖4:初級反峰吸收電路主要波形
[member]
[page]
其工作原理如下:
(1)t 0~t 1階段。
t 0時刻功率管截止,變壓器初級電感L 、漏感L K、電容C 2和功率管輸出電容C 0開始諧振,并很快使C 2電壓達到U 0(N 1/N 2),隨后次級二極管導通,初級電壓被鉗位到U 0(N 1/N 2),初級電感L 退出諧振,到t 1時刻I K為0,同時C 2和C 0上電壓達到最大值,即開關管電壓U S達到最大值(U IN+U C2MXA)。
(2) t 1~t 2階段。
在L K、C 2、C 0繼續諧振,同時電感L 1參與諧振,C 2、C 0給輸入電容C 1回饋能量,并且給L 1補充能量,到t 2時刻諧振停止,C 2電壓又下降到U 0(N 1/N 2)。
(3)t 2~t 3階段。
t 2時刻開始,電感L 1給輸入電容C 1回饋能量。
C 2電壓被鉗位在(N 1/N 2)U 0、C 0即開關管上電壓為U IN+(N 1/N 2)U 0,均保持不變,到t 3時刻,L 1中能量釋放完畢。
(4)t 3~t 4階段。
開關管完全截止,C 2電壓、C 0電壓(即開關管電壓)繼續保持不變。
(5)t 4~t 5階段。
t 4時刻功率管導通,其電壓U S開始下降,C 0開始通過開關管放電,并很快放完畢(全部損耗在功率管上);C 2和L 1開始諧振,即把C 2中的能量轉移到L 1中,在t 5時刻L 1中電流達到最大值,功率管完全導通。
(6)t 5~t 6階段。
t 5時刻L 1通過VD1和VD2給輸入電容C 1回饋能量,并給C 2充電到-U IN,到t 6時刻L 1中能量釋放完畢。
(7)t 6~t 7階段。
該階段功率管繼續處于完全導通狀態。
以上過程形成一個完整工作周期,可以看出,變壓器漏感中的能量大部分被回饋到輸入電容C 1中(C 0中有部分能量被消耗掉),所以電源效率得到提高。
主要器件電壓電流應力計算
由圖3及原理分析,可得到如下計算公式:

其中:U SMAX即U C0MAX為功率管VT1~VT4所承受的最大電壓應力;
U INMIN為輸入電壓最小值(取21V);
U 0為輸出電壓(取350V);
N 1、N 2為變壓器初次級匝數(取15匝和117匝);
△U C2由漏感引起的尖峰電壓;
I PK為漏感即初級峰值電流;
L K為初級漏感(取0.4μH);
C 2為外接電容(取30000pF);
C 0為VT1~VT4輸出電容之和(取4000pF);
I PAV為功率管導通期間總電流平均值;
η為電源效率(取92%);
D MAX為最大占空比(取0.7);
△I p為開關管導通期電流變化量;
t ONMAX為開關管最大導通時間(取23μs);
L為變壓器初級電感值(取38μH);
I L1MAX為L 1(取0.5mH)中通過的最大電流;
P LK為漏感回饋到輸入端的能量;
f為功率管開關頻率(取30kHz)。
由以上(1)~(6)式推導和化簡,可得出下式:
[page]
由(7)~(11)式可計算出功率管、電感L 1所承受的電流電壓應力(輸出功率550W時)以及反峰吸收電路回饋到輸入端的能量:
I PK=47A
U SMAX=188V
I L1MAX=1.5A
P LK=13.25W
同時由(7)~(11)式還可以看出:
(1)若要減小開關管電流應力I PK,則應增加占空比D和變壓器初級電感量L ;
(2)若要減小開關管電壓應力U SMAX,則應減小變壓器初級漏感L K,同時增加C 2值(C 0的值由功率管參數決定);
(3)若要減小電感L 1中最大電流I L1MAX,則應增大電感L 1的電感量;(4)采用反峰吸收電路后,節省能量13.25W,可提高電源效率約2個百分點。
由以上計算可知,4只功率管額定電流至少應大于50A,考慮到功率管參數的差異性,其導通電流不完全相等,并且一般要留一定的安全裕量,所以,實際應用每只功率管額定電流值應大于50A,通態電阻愈小愈好,而耐壓最好大于250V。
根據如下公式,可出計算出二極管VD0所承受的電壓應力U D0、電流應力I SK:
由U DO=U 0+U INMAXN 2/N 1 (12)
得:U DO=584V
由I PKN 1=I SKN 2 (13)
得:I SK=6A
其中:I SK為次級峰值電流值。
一般要留一定的安全裕量,所以,而選用二極管額定電壓應大于800V,額定電流應大于20A(考慮到過流、短路等因素)。
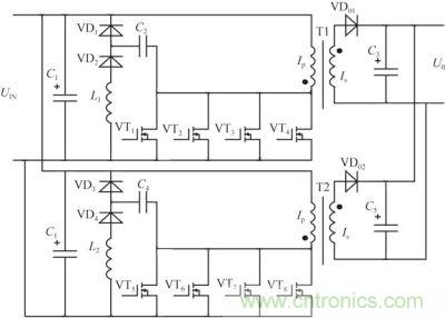
兩路單端反激并聯電路結構
若要增加輸出功率,采用如圖5并聯結構,該電路結構可輸出功率約1.1kW,用一只SG3525控制即可。

圖5:兩路單端反激并聯電路結構
試驗結果
由兩路單端反激并聯組成的逆變電源前級DC/DC電路(見圖5),輸出功率約1.1kW,試驗結果如表1所示。

表1:前級DC/DC試驗結果
由上述DC/DC電路組成的1kVA逆變電源,輸出AC220V50Hz正弦波,試驗結果如表2所示,該電源體積320×200×60mm3。

表2:1kVA逆變電源試驗結果
結束語
綜上所述,對于電池(或發電機)供電的低壓輸入逆變電源,采用單端反激多管并聯以及能量回饋技術實現的前級DC/DC,和采用其它形式實現的前級DC/DC相比,具有電路簡單、控制方便、效率高、體積小和可靠性高等特點。






