【導讀】在前兩期的“陶顯芳老師談開關電源原理與設計”中介紹了開關電源電路的過渡過程以及反激式變壓器開關電源電路參數計算,本期將繼續為大家講解雙激式變壓器開關電源的相關參數計算,由于內容較多,先就其中的推挽式變壓器開關電源進行講解。
所謂雙激式變壓器開關電源,就是指在一個工作周期之內,變壓器的初級線圈分別被直流電壓正、反激勵兩次。與單激式變壓器開關電源不同,雙激式變壓器開關電源一般在整個工作周期之內,都向負載提供功率輸出。雙激式變壓器開關電源輸出功率一般都很大,因此,雙激式變壓器開關電源在一些中、大型電子設備中應用很廣泛。這種大功率雙激式變壓器開關電源最大輸出功率可以達300 瓦以上,甚至可以超過1000 瓦。
推挽式、半橋式、全橋式等變壓器開關電源都屬于雙激式變壓器開關電源。本次先就其中的推挽式變壓器開關電源進行講解。
推挽式變壓器開關電源的工作原理
在雙激式變壓器開關電源中,推挽式變壓器開關電源是最常用的開關電源。由于推挽式變壓器開關電源中的兩個控制開關K1 和K2 輪流交替工作,其輸出電壓波形非常對稱,并且開關電源在整個工作周期之內都向負載提供功率輸出,因此,其輸出電流瞬間響應速度很高,電壓輸出特性也很好。
推挽式變壓器開關電源是所有開關電源中電壓利用率最高的開關電源,它在輸入電壓很低的情況下,仍能維持很大的功率輸出,所以推挽式變壓器開關電源被廣泛應用于DC/AC 逆變器,或DC/DC 轉換器電路中。
1.交流輸出推挽式變壓器開關電源
一般的DC/AC 逆變器,如交流不間斷電源(簡稱UPS),大多數都是采用推挽式變壓器開關電源電路。這種DC/AC 逆變器工作頻率很高,所以體積可以做得非常??;由于這個特點,推挽式變壓器開關電源也經常用于AC/AC 轉換電路中,以減小電源變壓器的體積。

[page]
圖 1-27 中,當控制開關K1 接通時,電源電壓Ui 通過控制開關K1 被加到變壓器初級線圈N1繞組的兩端,通過電磁感應的作用在變壓器次級線圈N3 繞組的兩端也會輸出一個與N1 繞組輸入電壓成正比的電壓,并加到負載R 的兩端,使開關電源輸出一個正半周電壓。當控制開關K1 由接通轉為關斷時,控制開關K2 則由關斷轉為接通,此時電源電壓Ui 被加到變壓器初級線圈N2 繞組的兩端,通過互感在變壓器次級線圈N3 繞組的兩端也輸出一個與N2 繞組輸入電壓成正比的電壓uo,并加到負載R 的兩端,使開關電源輸出一個負半周電壓。
由于電源電壓Ui 加到變壓器初級線圈N1 繞組和N2 兩端產生磁通的方向正好相反,所以在負載上可得到一個與線圈N1、N2 繞組所加電壓對應的正、負極性電壓uo。正半周對應的是K1 接通時,N1 繞組與N3 繞組互相感應的輸出電壓;負半周對應的是K2 接通時,N2 繞組與N3 繞組互相感應的輸出電壓。
下面我們進一步詳細分析推挽式變壓器開關電源的工作原理。
圖 1-27 中,當控制開關K1 接通時,輸入電源Ui 開始對變壓器初級線圈N1 繞組加電,電流從變壓器初級線圈N1 繞組的兩端經過,通過電磁感應會在變壓器的鐵心中產生磁場,并產生磁力線;同時,在初級線圈N1 繞組的兩端要產生自感電動勢e1,在次級線圈N3 繞組的兩端也會產生感應電動勢e3;感應電動勢e3 作用于負載R 的兩端,從而產生負載電流。因此,在初、次級電流的共同作用下,在變壓器的鐵心中會產生一個由流過變壓器初、次級線圈電流產生的合成磁場,這個磁場的大小可用磁力線通量(簡稱磁通量),即磁力線的數目φ來表示。
如果用φ1 來表示變壓器初級線圈N1 繞組電流產生的磁通量,用φ3 來表示變壓器次級線圈電流產生的磁通量,由于變壓器初、次級線圈電流產生的磁場方向總是相反,則在控制開關K1 接通期間,由流過變壓器初、次級線圈電流在變壓器鐵心中產生的合成磁場的總磁通量φ為:
其中變壓器初級線圈電流產生的磁通φ1 還可以分成兩個部分,一部分用來抵消變壓器次級線圈電流產生的磁通φ3,記為φ10,另一部分是由勵磁電流產生的磁通,記為Δφ1。顯然φ10 =-φ3,Δφ1 = φ?。即:變壓器鐵心中產生的磁通量φ,只與流過變壓器初級線圈中的勵磁電流有關,與流過變壓器次級線圈中的電流無關;流過變壓器次級線圈中的電流產生的磁通,完全被流過變壓器初級線圈中的另一部分電流產生的磁通抵消。
根據電磁感應定律可以對變壓器初級線圈N1 繞組回路列出方程:

上式中,(Up)為開關變壓器次級線圈N3 繞組正激輸出電壓的幅值,用括弧匡住來表示。由于流過開關變壓器初級線圈N1 繞組的勵磁電流是線性變化的,所以我們可認為開關變壓器次級線圈N3 繞組正激輸出電壓是一個方波。方波的幅值Up 與半波平均值Upa 以及有效值Uo 三者完全相等。
[page]
根據(1-126)和(1-127)可以求得:
(1-128)式就是推挽式變壓器開關電源正激輸出時的電壓關系式。上式中,(Up)為開關變壓器次級線圈N3 繞組正激輸出電壓的幅值,Ui 為開關變壓器初級線圈N1 繞組的輸入電壓;n 為變壓比,即:開關變壓器次級線圈輸出電壓與初級線圈輸入電壓之比,n 也可以看成是開關變壓器次級線圈N3 繞組與初級線圈N1 繞組的匝數比,即:n =N3/N1。
由此可知,在控制開關K1 接通期間,推挽式變壓器開關變壓器次級正激輸出電壓的幅值只與輸入電壓和變壓器的次/初級變壓比有關。
同理我們也可以求得,當控制開關K2 接通時,開關變壓器N3 線圈繞組正激輸出電壓的幅值(Up-)為:
上式中的負號表示e3 的符號與(1-128)式中的符號相反,(Up-)表示與(Up)的極性相反。
這里還需指出,(1-128)式和(1-129)式列出的計算結果,并沒有考慮控制開關K1 或K2 關斷瞬間,勵磁電流存儲的能量也會通過變壓器的次級線圈N3 繞組產生反電動勢(反激式輸出)的影響,即:推挽式變壓器開關電源同時存在正、反激電壓輸出。
反激式電壓產生的原因是因為K1 或K2 接通瞬間變壓器初級或次級線圈中的電流初始值不等于零,或磁通的初始值不等于零。即:推挽式變壓器開關電源中反激式電壓的產生是由變壓器勵磁電流存儲的能量產生的。
實際上,推挽式變壓器開關電源的反激式輸出電壓也是不能忽略的。推挽式變壓器開關變壓器次級線圈的輸出電壓應該同時包括兩部分,正激輸出電壓和反激輸出電壓。不過,在推挽式變壓器開關電源中,輸出功率主要還是以正激式輸出功率為主,因為,變壓器的勵磁電流很小,一般只有正常工作電流的幾分之一,到十分之一。
因此,圖1-27 中,當控制開關K1 關斷,K2 接通瞬間,開關變壓器次級線圈輸出電壓應該等于正激電壓(由(1-128)和(1-129)式給出)與反激電壓(由(1-67)或(1-68)式給出)之和。
關于純電阻負載反激式輸出電壓的計算,請參考前面《1-5-1.單激式變壓器開關電源的工作原理》章節中的相關內容分析,這里不再贅述。
[page]
根據(1-67)式

可求得,開關變壓器次級線圈N3 繞組產生的反激式輸出電壓為:

上式中,[uo] 表示開關變壓器次級線圈N3 繞組輸出的反激式電壓,[i3] 表示開關變壓器次級線圈N3 繞組輸出反激式電壓對負載R 產生的電流。括弧中的第一項表示變壓器次級線圈回路中的電流,第二項表示變壓器初級線圈回路中勵磁電流被折算到變壓器次級線圈回路的電流。
另外根據(1-129)式求得的結果,開關變壓器次級線圈N3 繞組產生的正激式輸出電壓為:
上面兩式中,[uo]表示開關變壓器次級線圈N3 繞組輸出的反激式電壓,(uo)表示開關變壓器次級線圈N3 繞組產生的正激式輸出電壓。
因此,開關變壓器次級線圈輸出電壓uo 等于正激電壓(uo)與反激電壓[uo]之和,即:

上式是推挽式變壓器開關電源在負載為純電阻時,輸出電壓uo 的表達式。由(1-132)式可以看出,當t = 0 時,即:控制開關K1 關斷瞬間,輸出電壓為最大值:

從(1-133)式可以看出,在控制開關K1 關斷瞬間,當變壓器次級線圈回路負載開路,或負載很輕的時候,變壓器次級線圈回路會產生非常高的反電動勢。
但在實際應用中,并不完全是這樣。因為,當控制開關K1 關斷瞬間,控制開關K2 也會同時接通,此時開關變壓器初級線圈N2 繞組也同時被接入電路中,N2 線圈繞組對于開關變壓器初級線圈N1 繞組來說,它也相當于一個變壓器次級線圈,它也會產生感應電動勢,感應電動勢的方向與輸入電壓Ui 的方向正好相反;因此,在控制開關K2 接通瞬間,開關變壓器初級線圈N1 繞組存儲的磁能量有一部分要被N2 繞組吸收,并產生感應電流對輸入電壓Ui 充電。
[page]
(1-132)式和(1-133)式并沒有完全考慮,開關變壓器初級線圈N1 繞組和N2 繞組被互相看成是一個變壓器次級繞組時,所產生的影響。顯然變壓器次級線圈回路產生反電動勢的高低還與控制開關K1 和K2 交替接入的時間差有關,與K1 和K2 的接入電阻的大小還有關。一般電子開關,如晶體管或場效應管,剛開始導通的時候也不能簡單地看成是一個開關,它從截止到導通,或從導通到截止,都需要一個過渡過程,因此,它也會存在一定的開關損耗。
當 N1 和N2 被互相看成是一個變壓器次級繞組時,由于N1 線圈繞組存儲的磁能會同時在N1、N2、N3 等線圈繞組兩端產生反電動勢或感應電動勢,同理,N2 線圈繞組存儲的磁能會同時在N1、N2、N3 等線圈繞組兩端產生反電動勢或感應電動勢。
而 N1 或N2 線圈繞組產生的反電動勢或感應電動勢的電流方向正好與輸入電流的方向相反,因此,開關變壓器初級線圈N1 繞組或N2 繞組互相感應產生的反電動勢或感應電動勢,會對輸入電壓Ui 進行反充電;即:開關變壓器初級線圈N1 繞組或N2 繞組互相感應產生的反電動勢或感應電動勢會被Ui 進行限幅,這相當于變壓器次級線圈N3 繞組輸出電壓uo 也要通過變壓比被Ui 進行限幅。
因此,變壓器次級線圈N3 繞組輸出電壓uo 中的反激式輸出電壓[uo],并不會像(1-132)和(1-133)算式所表達的結果那么高。
另外,根據(1-75)式:
還可以知到,當控制開關K1 和K2 的占空比均等于0.5 時,變壓器正激輸出電壓的半波平均值Upa 與反激輸出的半波平均值Upa-基本相等。因此,只有在控制開關K2 接通與控制開關K1 斷開兩者之間存在時間差時,變壓器次級線圈回路才會產生非常高的反電動勢;但當控制開關K1 和K2的占空比均小于0.5 時,雖然反電動勢的幅度比較高,但由(1-75)式可知,反電動勢(反激輸出電壓)的半波平均值還是小于正激電壓的半波平均值。
所以,(1-132)和(1-133)式所表示的結果,可看成是推挽式變壓器開關電源在輸出電壓中含有毛刺(輸出噪音)的表達式。
根據上面分析,在一般情況下,推挽式變壓器開關電源的輸出電壓uo,主要還是由(1-128)、(1-129)、(1-131)等式來決定。即:推挽式變壓器開關電源的輸出電壓uo,主要由開關變壓器次級線圈N3 繞組輸出的正激電壓來決定。
圖 1-28 是圖1-27 推挽式變壓器開關電源,在負載為純電阻,且兩個控制開關K1 和K2 的占空比D 均等于0.5 時,變壓器初、次級線圈各繞組的電壓、電流波形。
圖 1-28-a)和圖1-28-b)分別表示控制開關K1 接通時,開關變壓器初級線圈N1 繞組兩端的電壓波形,和流過變壓器初級線圈N1 繞組兩端的電流波形;圖1-28-c)和圖1-28-d)分別表示控制開關K2 接通時,開關變壓器初級線圈N2 繞組兩端的電壓波形,和流過開關變壓器初級線圈N2繞組兩端的電流波形;圖1-28-e)和圖1-28-f)分別表示控制開關K1 和K2 輪流接通時,開關變壓器次級線圈N3 繞組兩端輸出電壓uo 的波形,和流過開關變壓器次級線圈N3 繞組兩端的電流波形。
[page]
從圖1-28-b)和圖1-28-d)中我們可以看出,當控制開關K1 或K2 接通瞬間,流過變壓器初級線圈N1 繞組或N2 繞組的電流,其初始值并不等于0,而是產生一個電流突跳,這是因為變壓器次級線圈N3 繞組中有電流流過的原因。
當變壓器次級線圈N3 繞組有負載電流流過時,其產生的磁通方向正好與流過變壓器次級線圈N1 或N2 繞組勵磁電流產生的磁通方向相反,因此,流過變壓器初級線圈N1 繞組或N2 繞組的電流也要在原來勵磁電流的基礎上再增加一個電流,來抵消流過變壓器次級線圈N3 繞組電流的影響。
增加電流的大小等于流過變壓器次級線圈N3 繞組電流的n 倍,n 為變壓器次級線圈N3 繞組與初級線圈N1 繞組或N2 繞組的匝數比。
從圖1-28-f)中我們可以看出,流過開關變壓器次級線圈N3 繞組兩端的電流波形是個矩形波,而不是三角波。這是因為推挽式變壓器開關電源同時存在正、反激電壓輸出的緣故。當變壓器同時存在正、反激電壓輸出時,反激式輸出的電流是由最大值開始,然后逐漸減小到最小值,如圖中虛線箭頭所示;而正激式輸出的電流則是由最小值開始,然后逐漸增加到最大值,如圖中實線箭頭所示;因此,兩者同時作用的結果,正好輸出一個矩形波。
從圖1-28-e)還可以看出,輸出電壓uo 由兩個部分組成,一部分為輸入電壓Ui 通過變壓器初級線圈N1 繞組或N2 感應到次級線圈N3 繞組的正激式輸出電壓(uo),這個電壓的幅度比較穩定,一般不會隨著時間變化而變化;另一部分為勵磁電流通過變壓器初級線圈N1 繞組或N2 繞組存儲的磁能量產生的反激式輸出電壓[uo],這個電壓會使波形產生反沖,其幅度是時間的指數函數,它會隨著時間增大而變變小。
這里還需指出,圖1-28-e)中的波形有上沖,在純電阻負載中是正常的,盡管N1 和N2 互相都可以把對方看成是變壓器次級繞組,并對高于輸入電壓Ui 的反電動勢電壓進行限幅,但因為線圈N1 繞組與線圈N2 繞組之間有漏感,線圈N2 繞組與線圈N3 繞組之間也有漏感,況且,控制開關在剛接通瞬間有比較大的電阻,因此,變壓器次級線圈N3 繞組瞬間反激輸出電壓高于正激輸出電壓是肯定的。不過在大多數情況下,最好還是采用半波平均值的概念來進行電路分析或計算,以免需要進行復雜的指數函數運算。


當要求推挽式變壓器開關電源輸出電壓波形的反沖幅度很小時,可采用如圖1-29 所示的電路。

圖1-29 與圖1-27 相比,多了兩個阻尼二極管D1、D2,它們分別與控制開關K1、K2 并聯。當控制開關K1 由接通轉換到關斷時,在N2 線圈中產生的感應電動勢e2,不管K2 處于什么工作狀態,接通或關斷,只要N2 線圈中產生的感應電動勢e2 的幅度超過工作電壓Ui,二極管D2 就會導通,相當于感應電動勢e2 通過二極管D2 被工作電壓Ui 限幅,同時也相當于變壓器次級線圈N3 繞組輸出電壓uo 也要通過電磁感應被Ui 進行限幅,而二極管D2 對控制開關K2 的工作幾乎不受影響。
同理,當控制開關K2 由接通轉換到關斷時,不管K1 處于什么工作狀態,只要N1 線圈中產生的感應電動勢e1 的幅度超過工作電壓Ui,二極管D1 就會導通,感應電動勢e1 就會通過二極管D1 被工作電壓Ui 限幅,這也相當于變壓器次級線圈N3 繞組輸出電壓uo 也要通過變壓比被Ui 進行限幅,而二極管D1 對控制開關K1 的工作幾乎不受影響。
一般人們都把D1、D2 稱為阻尼二極管,這是因為D1、D2 沒有直接對輸出電壓uo 進行限幅,而是通過變壓器初、次級之間的感應作用間接進行的。實際應用中,一般都在開關三極管的E-C 或場效應管的S-D 兩個電極內部封裝有一個阻尼二極管,其作用就是用來對輸出電壓反沖進行阻尼用的。阻尼二極管D1、D2 的另一個作用是防止變壓器初級線圈N1 繞組中產生的感應電動勢e1 對控制開關K1、K2 反向擊穿。
2.整流輸出推挽式變壓器開關電源
整流輸出推挽式變壓器開關電源,由于兩個開關管輪流交替工作,相當于兩個開關電源同時輸出功率,其輸出功率約等于單一開關電源輸出功率的兩倍。因此,推挽式變壓器開關電源輸出功率很大,工作效率很高,經橋式整流或全波整流后,僅需要很小的濾波電感和電容,其輸出電壓紋波就可以達到非常小。
圖 1-30 是橋式整流輸出推挽式變壓器開關電源工作原理圖,除了整流濾波電路以外,其余部分電路的工作原理基本與圖1-27 相同。橋式整流電路由D1、D2、D3、D4 組成,C 為儲能濾波電容,R 為負載電阻,Uo 為直流輸出電壓,Io 為流過負載電阻的電流。
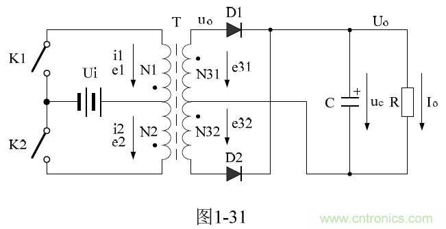
圖 1-31 是全波整流輸出的推挽式變壓器開關電源工作原理圖,同樣,除了整流濾波電路以外,其余部分電路的工作原理基本與圖1-27 和圖1-30 相同。但開關變壓器的次級需要多一個繞組,兩個繞組N31、N32 輪流輸出電壓;全波整流電路由D1、D2 組成,C 為儲能濾波電容,R 為負載電阻,Uo 為直流輸出電壓,Io 為流過負載電阻的電流。
圖 1-30 與圖1-31 比較,橋式整流輸出的推挽式變壓器開關電源比全波整流輸出的推挽式變壓器開關電源多用兩個整流二極管,但全波整流輸出的開關變壓器又比橋式整流輸出的開關變壓器多一組次級線圈。因此,圖1-30 橋式整流輸出推挽式變壓器開關電源比較適用于輸出電流相對較小的情況;而圖1-31 全波整流輸出推挽式變壓器開關電源比較適用于輸出電流相對較大的情況。因為,大電流整流二極管成本高,而且損耗功率也比較大。
下面我們來詳細分析圖1-30 橋式整流輸出推挽式變壓器開關電源和圖1-31 全波整流輸出推挽式變壓器開關電源的工作原理。
[page]
由于圖1-30 橋式整流輸出推挽式變壓器開關電源或圖1-31 全波整流輸出推挽式變壓器開關電源的電壓輸出電路中都接有儲能濾波電容,儲能濾波電容會對輸入脈動電壓起到平滑的作用,因此,圖1-30 和圖1-31 中輸出電壓Uo 都不會出現很高幅度的電壓反沖,其輸出電壓的峰值Up 基本上就可以認為是半波平均值Upa。其值略大于正激輸出nUi,即:橋式整流輸出推挽式變壓器開關電源或全波整流輸出推挽式變壓器開關電源,整流濾波輸出電壓Uo 的值略大于正激輸出nUi,n 為變壓器次級線圈N3 繞組與初級線圈N1 繞組或N2 繞組的匝數比。


因此,推挽式變壓器開關電源的輸出電壓uo,主要還是由(1-131)式來決定。即:推挽式變壓器開關電源的輸出電壓uo(K1 或K2 接通期間),約等于開關變壓器次級線圈N3 繞組產生的正激式輸出電壓Up 或Up-的半波平均值Upa 或Upa-:

上式中,uo 為推挽式變壓器開關電源的輸出電壓,n 為變壓器次級線圈N3 繞組與初級線圈N1繞組或N2 繞組的匝數比,Ui 為開關變壓器初級線圈N1 繞組或N2 繞組的輸入電壓。
[page]
圖 1-32 是橋式整流輸出或全波整流輸出推挽式變壓器開關電源,在兩個控制開關K1 和K2 交替接通和斷開,且占空比D 均等于0.5 時,各主要工作點的電壓、電流波形。
圖 1-32-a)和圖1-32-b)分別表示控制開關K1 接通時,開關變壓器初級線圈N1 繞組兩端的電壓u1 的波形,以及流過變壓器初級線圈N1 繞組兩端的電流i1 波形;圖1-32-c)和圖1-32-d)分別表示控制開關K2 接通時,開關變壓器初級線圈N2 繞組兩端的電壓u2 的波形,以及流過開關變壓器初級線圈N2 繞組兩端的電流i2 的波形;圖1-32-e)和圖1-32-f)分別表示控制開關K1 和K2輪流接通時,開關變壓器次級線圈N3 繞組兩端輸出電壓uo 的波形,以及流過開關變壓器次級線圈N3 繞組兩端的電流波形。
圖 1-32-f)中,虛線箭頭表示反激式輸出電流是由最大值開始,然后逐漸減小到最小值;而實線箭頭表示正激式輸出電流則是由最小值開始,然后逐漸增加到最大值;因此,兩者同時作用的結果,正好輸出一個矩形波。


[page]
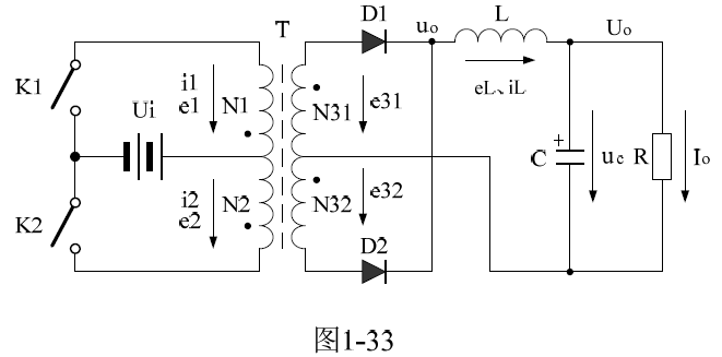
由于推挽式變壓器開關電源輸出電壓的半波平均值Upa 幅值基本上是穩定的,它不會像反激式輸出開關電源那樣,輸出電壓的幅值隨著控制開關占空比的改變而改變。因此,如果需要調整推挽式變壓器開關電源輸出電壓,只能通過改變兩個控制開關的占空比,來改變輸出電壓的平均值。因此,在輸出電壓可調的推挽式變壓器開關電源電路中,必須要在整流輸出電路后面加接一個LC 儲能濾波電路,才能從整流輸出的脈動直流電壓中提取平均值輸出。
圖 1-33 是輸出電壓可調的推挽式變壓器開關電源電路。實際上圖1-33 就是在圖1-31 全波整流輸出推挽式變壓器開關電源電路的基礎上,在整流輸出電路后面加接了一個LC 儲能濾波電路。LC儲能濾波電路的工作原理與圖1-2 串聯式開關電源中的儲能濾波電路工作原理基本相同。不過,在全波整流輸出的LC 儲能濾波電路中可以省去一個續流二極管,因為用于全波整流的兩個二極管可以輪流充當續流二極管的作用。關于LC 儲能濾波電路的詳細工作原理,請參考《1-2-2.串聯式開關電源輸出電壓濾波電路》章節。
由于圖1-33 中兩個控制開關占空比D 的可調范圍很小(小于0.5),并且在一個周期內兩個控制開關均需要接通和關斷一次,因此,輸出電壓的可調范圍相對來說要比單激式開關電源輸出電壓的可調范圍小很多;但雙激式開關電源比單激式開關電源,具有輸出功率大、電壓紋波小、電壓輸出特性好等優點。


圖 1-34 是輸出電壓可調的推挽式變壓器開關電源各主要工作點的電壓、電流波形。
[page]
圖 1-34-a)表示控制開關K1 接通時,開關變壓器初級線圈N1 繞組兩端的電壓波形;圖1-34-b)表示控制開關K2 接通時,開關變壓器初級線圈N2 繞組兩端的電壓波形;圖1-34-c)表示控制開關K1 和K2 輪流接通時,開關變壓器次級線圈N3 繞組兩端輸出電壓uo 的波形。圖1-34-d)表示開關變壓器次級線圈N3 繞組兩端輸出電壓經全波整流后的電壓波形。
圖 1-34-c)中,Up、Up-分別表示開關變壓器次級線圈N3 繞組兩端輸出電壓uo 的正最大值(半波平均值)和負最大值(半波平均值),[Up]、[Up-]分別表示開關變壓器次級線圈N3 繞組兩端反激輸出電壓的正最大值(半波平均值)和負最大值(半波平均值)。
這里還需再次說明,實際上反激輸出電壓[Up]和[Up-]的脈沖幅度都很高,只不過它的能量很小,即寬度很窄,其幅度被限幅和平均以后就變得很低了。在整流輸出電路中,反激輸出電壓[Up]、[Up-]的幅度一般都不會高于Up、Up-的幅度,其幅度高于Up、Up-將要被濾波電容兩端的電壓限幅,或通過變壓器兩個初級線圈的互感作用被輸入電源電壓限幅。
圖 1-34-d)中,實線波形對應控制開關K1 接通時,開關變壓器次級線圈N3 繞組兩端輸出電壓經橋式或全波整流后的波形;虛線波形對應控制開關K2 接通時,開關變壓器次級線圈N3 繞組兩端輸出電壓經橋式或全波整流后的波形。Ua 表示整流輸出電壓的平均值。
從圖1-34-d)可以看出,僅用儲能電容對整流輸出電壓進行濾波,是很難從脈動直流中取出輸出電壓的平均值的,必須同時使用儲能濾波電感才能取出輸出電壓的平均值。
(未完,下期繼續...)
相關閱讀:
反激式變壓器開關電源電路參數計算
——陶顯芳老師談開關電源原理與設計
http://www.sg1668.com/power-art/80021774
開關電源電路的過渡過程
——陶顯芳老師談開關電源原理與設計
http://www.sg1668.com/power-art/80021728
工程師推薦:一款隔離調壓式交流電源的電路設計
http://www.sg1668.com/power-art/80021797



