一.先來認識一下反激變換器
1.反激基本電路:

2.工作原理:
變壓器的一次和二次繞組的極性相反,這大概也是Flyback名字的由來:
a.當開關管導通時,變壓器原邊電感電流開始上升,此時由于次級同名端的關系,輸出二極管截止,變壓器儲存能量,負載由輸出電容提供能量。
b.當開關管截止時,變壓器原邊電感感應電壓反向,此時輸出二極管導通,變壓器中的能量經由輸出二極管向負載供電,同時對電容充電,補充剛剛損失的能量。
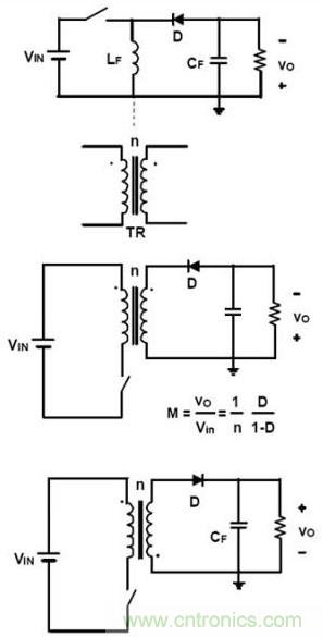
3.反激電路的演變
可以看作是隔離的Buck/Boost電路:

4.在反激電路中,輸出變壓器T除了實現電隔離和電壓匹配之外,還有儲存能量的作用,前者是變壓器的屬性,后者是電感的屬性,因此有人稱其為電感變壓器,有時我也叫他異步電感。
[page]
二.Flyback的工作模式:
1.DCM(discontinuous current mode)&CCM(continuous current mode)
根據次級電流是否有降到零,反激可以分為DCM和CCM兩種工作模式。兩種模式有其各自的特點。下面兩種工作模式時的波形(理想波形)。

3.工作模式:
1)電壓電流波形
2)用電感變壓器模型來標示工作工作過程;也可以原副邊分開討論,用電壓源來代替中間的轉換。

4.波形震蕩的來源:
1)開關管關斷時的震蕩來源于漏感;
2)斷續時的震蕩,主要原邊電感了,因沒有了反射電壓嵌位。我們可以把反射電壓當作一個電壓源。

5.實際不理想時開關管所承受的電壓是什么樣的?

(1)開關管電壓分為幾部分:
Vds=VDC+VRo(N*Vo)+Vlk
b. (2)VDC沒有什么好解釋的;VRo是因原邊開關管關斷副邊二極管導通,輸出電壓通過變壓器反映到原邊的電壓(N*Vo);除了變壓器制約住的電壓還有制約不住的漏感電壓Vlk,既然是漏感電壓,當然和變壓器的漏感有關系了。
c. (3)如果來限制漏感電壓那,RCD吸收鉗位電路,利用電容吸收,靠二極管鉗位,通過電阻把漏感能量消耗掉。設計的原則是讓RCD能夠消耗掉漏感能量,發揮該有的作用,但又不能過猛成為原邊一個吃激磁電感能量負載。
[page]
6. 變壓器,電壓電流波形,二極管反向恢復:
1)反激的變壓器與其說是變壓器莫如說是電感,但我們又不能否認它是變壓器;
2)變壓器都會存在或多或少的漏感,相對于原邊變存在,相對于復邊亦存在;
3)電壓波形的兩處震蕩:
a.CCM模式時,只有開關管關斷時,由于漏感引起的震蕩(Lk和C);
b.DCM模式時,還有副邊電流為零,原邊電感失去NVo嵌位,引起震蕩(Lm和C);
c.所有的震蕩,甚至包含功率轉換的基本開關,都是EMI的來源;
4)同時,我們知道二極管存在反向恢復問題:
a.CCM模式,會有該問題;
b.DCM模式,因電流已將到零了,所以基本不存在這個問題;

三.再談Vds:
Vds=VDC+VRo(n*Vo)+Vlk;
這個公式我再談兩點:
a.如果還考慮到副邊整流管的壓降,應該是n*(Vo+VDsec);因VDsoec很小,忽略了,前提是n不大時。
b.在我們設計時,輸入電壓和輸出電壓是定下來,我們無能為力,但是匝比是我們自己設計的。有時候,我們為了遷就選擇標準的管子,我們電壓偏高時,就要來輕微的調整匝比來滿足我們的設計。
四. 再談一下斷續和連續的問題:
1. 原副邊的制約關系:
a. Uo=D/(1-D)Vin 這是Flyback的電壓制約公式,這里沒有負載參數,說明理論上輸出電壓不受負載影響,這個最經常出現的公式只是在CCM下成立的奧。
b. 如果在DCM模式下,原邊與副邊靠的功率守恒來制約,這樣輸出電壓的公式為:
Vo=VinTon*Sqrt(R0/2TLp)
輸出電壓與負載大小有關系,電壓與負載成反比,因此原則上開環不能空載運行的哈,不要忘了呀。
2. 斷續和連續的真實波形是怎樣的
看看自己對連續和斷續是否理解了,加深一下印象哈,我們嘗試著去把基本的問題弄懂;其實反激真是很神奇的一個拓撲,簡單而又十分高深;對于最基本的問題,我也是了解了其中的30%而已。小功率機種Flybck真是最佳選擇,多小那?在LLC沒有被人們掌握好之前,200W都有用的,現在75W以上的人們開始考慮用LLC了,效率卻是做得更好。
3. 在開關管關斷時有來源于漏感的震蕩;在轉入DCM時也有震蕩,但這個震蕩是主電感在震蕩了。我有時根據這個震蕩來判斷你是DCM還是CCM,這是我自己所采用的方法,不知道對不對哈。
[page]
五.再談Flyback的變壓器
1.在反激電路中,輸出變壓器T除了實現電隔離和電壓匹配之外,還有儲存能量的作用,前者是變壓器的屬性,后者是電感的屬性,因此有人稱其為電感變壓器,有時我也叫他異步電感。
2.Flyback電路沒有輸出濾波電感,或者更準確的說反激可以沒有輸出濾波電感,用蔡明的話來講,這是為什么?我得理解是因第一條,實際上在電流回路中已經有了電感了,所以可以不在有;
3.Flyback的變壓器要存儲能量,這不是變壓器的屬性,這是電感的屬性;
變壓器要存儲能量,所以變壓器一般要開氣息;有的朋友可能對我前面的話不理解,存儲能量和氣息有什么關系?是因一旦開了氣息,能量主要保存在氣息中。
六.總結

【相關閱讀】
電源設計必看:提高驅動電源效率的八大技巧
http://www.sg1668.com/power-art/80022822
電子設計錦囊:PCB電路板的散熱技巧
http://www.sg1668.com/cp-art/80022748
電源設計必看:開關電源設計經典問答
http://www.sg1668.com/power-art/80022682



