【導讀】本文將介紹一款數字有線電視機頂盒中的開關電源電路設計。該電路主要是由交流輸入電路、整流濾波電路、開關振蕩電路、開關變壓器T602、次級整流濾波和穩壓電路等構成的。這款開關電源設計到底有什么好的作用呢?請看下文詳解。
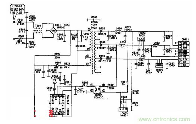
數字有線電視機頂盒中的開關電源電路如圖所示。從圖可見,它主要是由交流輸入電路、整流濾波電路、開關振蕩電路、開關變壓器T602、次級整流濾波和穩壓電路等構成的。
(l)交流輸入電路
交流輸入電路是由熔斷器F601、互感濾波器T601.濾波電容器C601、C603、C604等構成的。其功能是濾除交流輸入信號中的脈沖干擾。

(2)整流濾波電路
交流220V電壓經濾波后由橋式整流堆D601、整流和濾波電容器C605,濾波、橋式整流電路輸出的約300V直流電壓送到開關變壓器T602④腳。
(3)開關振蕩電路
開關振蕩電路主要是由JC601和外圍電路等構成的。振蕩電路、穩壓控制電路和開關場效應晶體管等部分都集成在IC6(tl(E2A265)之中.開機后,交流220V整流輸出的300V直流電壓經開關變壓器T601初級繞組④~@加到IC601的固、⑤腳,IC601④、@腳內接開關場效應晶體管的漏極。開機的同時,直流300V經R603。形成寤動電壓加到IC601的⑦腳,為IC601內的電路供電,使IC601內的振蕩電路啟振,開關變壓囂T601的初級繞組④一@中開始有開關電流。
T601的淡級繞組④~②中會感應出開關信號,①腳的輸出經整流濾波和穩壓電路形成正反饋信號疊加到1C601的⑦腳,保持⑦腳有足夠的直流電壓,便可維持IC601中的振蕩,使開關電路進入穩定的振蕩狀態。
(4)次級整流輸出電路
次級繞組有多個抽頭,每個繞組抽頭的輸出端都接有整流、濾波電路,分別輸出3.3V、Sv和12V等電壓。
誤差檢測電路設在3.3V輸出電踣中,3.3V與地之間串接兩個分壓電阻器.R622、R623的分壓點作為電壓取樣端,取樣電壓加到誤差放大器IC603的輸入端R。光電耦臺器IC602②接在IC603的C端。當輸出電壓變化時會引起IC602中發光二極管發光強度的變化,這樣會使IC602中光敏晶體管集電極和發射極之間阻抗的變化。IC602的④端接在IC601的②腳,@腳為IC601穩壓負反饋信號的輸入端。這個負反饋環路可以使輸出電壓得到穩定。





