【導讀】小編嘔心瀝血“遍歷”了度娘,搜羅了所有的經典充電電路設計,無私奉獻給大家,以后大家要啥跟小編說一聲,小編這里要啥都有,更齊全含金量更高。本文介紹的簡易電池自動恒流充電電路具有電路簡單、功能完善、調節方便等特點,適合無線電愛好者自行制作及高職學生電子實訓。
1. 手機萬能充電電路圖
手機萬能充電電路圖如下:

離子電池以其體積小、容量大、重量輕、無記憶效應、無污染、電池循環充放電次數多(壽命長)等優點,現已普遍地在手機上使用。但在實際使用中有不少人 會覺得鋰離子電池的壽命很短,用不了多久就充不上電了,其實都是因為充電不當造成電池的損壞。鋰離子電池充電條件要求嚴格,充電控制要求精度高,對過充電 的承受能力差,如果用一般的充電器對其充電,必定會因過充電而損壞。因此,鋰離子電池的充電器必須符合鋰離子電池的充電特性要求。
鋰離子電池的充電過程分兩階段進行,首要用恒流充電到4.2V+0.05V,即轉入4.2V±0.05V恒壓的第二階段充電,恒壓充電電流會隨著時間 的推移而逐漸降低,待充電電流降到0.1CmA時,表明電池已充到額定容量的93%或94%,此時即可認為基本充滿,如果繼續充下去,充電電流會慢慢降低 到零,電池完全充滿。恒流充電率為0.1CmA~1.5CmA(CmA:當電池額定容量為1000mAh時,則1.0CmA充電率表示充電電流為 1500mA,依此類推)。標準充電率為0.5CmA,約需2小時可將電池電壓(放電到3.0V的電池)充到4.2V,再轉入恒壓充1小時左右,即可結束 充電。整個充電過程約需3小時,當充電率為1.5CmA時,第一階段的充電時間只約需1/2小時。

元件有:

USB充電電路圖及原理介紹
除直接供電USB器件外,USB更有用的一個功能是用USB電源進行電池充電。由于很多便攜裝置(如MP3播放機,PDA)與PC交換信息,所以,電 池充電和數據交換同時在一條纜線上進行將會使裝置方便性大大增強。把USB和電池供電功能結合起來,擴大了“非受限”裝置(如移動web相機連接PC或不 連接 PC工作)的工作范圍。在很多情況下,不必攜帶不方便的AC適配器。
從USB對電池充電可以復雜也可以簡單,這取決于USB設備要求。對設計有影響的因素通常是“成本”、“大小”和“重量”。其它重要的考慮包括:1) 當設備插入到USB端口時,帶放電電池的設備能夠以多快的速度進入完全工作狀態;2)所允許的電池充電時間;3)受USB限制的電源預算;4)包含AC適 配器充電的必要性。本文從電源觀點詳述USB之后,將針對這些問題給出解決方案。


圖2 USB器件插孔

圖3 從USB簡單充電100mA和從AC適配器充電350mA不需要枚舉,這是因為USB充電電流不超過“一個單元負載”(100mA)。3.3V系統負載總是從電池汲取電流。
USB電源
所有主機USB設備(如PC和筆記本電腦)至少可以供出500mA電流或每個USB插口提供5個“單元負載”。在USB述語中,“一個單元負載”是 100mA。自供電USB插孔也可以提供5個單元負載。總線供電USB插孔保證提供一個單元負載(100mA)。根據USB規范和圖1的說明,在纜線外設 端,來自USB主機或供電插孔的最小有效電壓是4.5V,而來自USB總線供電插孔的最小電壓是4.35V。這些電壓在為鋰離子電池充電時(一般需要 4.2V),其余量是很小的。
插入USB端口的所有設備開始汲取的電流不得大于100mA。在與主機通信后,器件可決定它是否可以占用整個500mA。
USB外設包含兩個插孔中的一個。兩個插孔都比PC和其他USB主機中的插口要小。“SeriesB“和更小的“Series Mini-B”插孔示于圖2。從SeriesB的引腳1(+5V)和4(地)和Series Mini-B的引腳1(+5V)和5(地)得到電源。
一旦連接,所有USB設備需要主機對其加以識別。這稱之為“枚舉”。在識別過程中,主機決定USB設備的電源以及是否為其供電,對于被認可的設備可以將負載電流從100mA增大到500mA。
簡單的USB/AC適配器充電電路
某些非常基本的設備不希望額外的軟件開銷,此開銷對有效USB電源的分類和最佳使用是需要的。若設備負載電流限制到100mA(在USB中稱之為“一 單元負載”),則任何USB主機、自供電插孔可以對設備供電。對于這樣的設計,一個非常基本的充電器和穩壓器電路示于圖3。
每當器件連接USB或插入AC適配器時,此電路就為電池充電。在同一時間,系統負載總是連接到電池,在這樣的情況下,通過簡單的線性穩壓器(U2)可 提供高達200mA電流。若系統連續地汲取這樣的電流量而電池正在以100mA電流從USB充電,則電池仍將放電,這是由于負載電流超過了充電電流。在大 多數的小系統中,峰值負載只發生在總工作時間的一小部分時間內,所以只需要平均負載電流小于充電電流,電池仍將充電。當連接AC適配器時,充電器(U1) 最大電流增加到350mA。若在同一時間連接USB和AC適配器,則AC適配器自動處于優先供電的地位。
U1 的一個特性是USB規范所要求的(也是一般充電器的法則),即決不允許電流從電池或其他電源輸入回饋到電源輸入。在一般充電器中,用輸入二級管可保證做 到,但最小的USB電壓(4.35V)和所需的鋰離子電池電壓(4.2V)之間的差值很小,甚至用肖特基二極管也是不合適的。基于此原因,在U1 IC中斷開全部反向電流通路。
圖 3的電路有一些局限性,使它不適于一些可充電的USB設備。最明顯的局限性是其相當低的充電電流,使得對大于幾百毫安一小時的鋰離子電池充電耗費時間很 長。第二個局限是負載(線性穩壓器輸入)總連接到電池。在這種情況下,系統不能夠在插入后立即工作,這是因為電池深度放電,在電池達到一個足夠的電壓使系 統工作之前有一段延遲時間。
負載切換和增強型電路
在更先進的系統中,充電器或圍繞充電器需要一些增強性能。這包括可選擇的充電電流以適應不同電源或電池的供電能力,插入電源時的負載切換以及過壓保護。圖4所示電路增加了這些功能,它是借助于充電器IC電壓檢測器驅動的外部MOSFET實現的。
MOSFET Q1和Q2以及二極管D1和D2旁路電池,直接連接有效(USB或AC適配器)電源輸入與負載。當電源輸入有效時,DC輸入具有優先地位;U1防止在同一 時間兩個輸入都有效。二極管D1和D2防止通過“系統負載”電源通路產生的輸入之間的反向電流,而充電器具有內置電路排除通過充電通路(在BATT)的反 向電流。
MOSFET也提供AC適配器過壓保護(高達18V)。欠/過壓監控器使AC適配器電壓只在4V和6.25V之間。
MOSEFT Q3在不存在有效外部電源時導通,使電池連接到負載。當USB或DC電源連接時,PON(電源開關)輸出立即斷開Q3,使電池與負載斷開。系統在加外部電源時能立即工作,既使電池深度放電或損壞也能立即工作。
當連接USB時,USB器件與主機通信決定負載電流是否可以增加。若主機允許,負載開始在一個單元負載并增加到5個單元負載。5到1個單元負載的電流 范圍對于一般充電器(不是設計用于USB)來說存在一個問題。一般充電器的精度,盡管可滿足高電流要求,但通常在低電流設置方面不能滿足要求,這是由于電 流檢測電路的偏差造成的。其結果是小范圍充電電流(1個單元負載)必須設置得足夠低,以保證不會超過100mA限制。例如,對于500mA的10%精度而 言,輸出必須設置為450mA,以保證它不會超過500mA。這僅僅是可接受的;然而,為了保證低充電電流不超過100mA ,其額定電流必須設置為50mA,而最小值可能是0mA,這顯然是不可接受的。若USB充電在兩個范圍都有效,則需要有足夠的精度,使得最大可能的充電電 流不超過USB限值。
在某些設計中,系統電源要求用小于500mA USB預算分別供電負載和充電電池是做不到的,但用AC適配器就不成問題。圖5所示電路(圖4的簡化子系統)是一個經濟的連接方法。USB電源不直接接到 負載。充電和系統工作仍然發生在USB電源,但系統保持與電池的連接,其限制和圖3一樣:在連接USB時,若電池深度放電,則系統可以在工作前有一段延 遲。若連接DC電源,則圖5工作狀態與圖4相同,無等待時間,與電池狀態無關,這是因為Q2截止,通過D1系統負載從電池轉到DC輸入。
3. 鎳氫電池充電電路
盡管鋰離子電池能為大多數便攜裝置提供最好的性能,但NiMH(鎳氫)電池仍然是低成本設計的可行選擇。在負載要求不是太嚴格時,保持低成本的一個好 方法是用NiMH電池。這需要一個DC-DC變換器升壓,一般從1.3V電池電壓提升到器件可用的電壓(一般為3.3V)。由于任何電池供電器件需要穩壓 器,所以,DC-DC變換器僅僅是一個不同的穩壓器。
圖6所示電路,用獨特的方法為NiMH電池充電,并且不用外部FET在USB輸入和電池之間切換系統負載。“充電器”實際上是一個工作在電流限制下的 DC-DC升壓變換器(U1)。以300和400 mA之間的電流為電池充電。盡管沒有精密的電流源,但它具有適當的電流控制,甚至在電池短路時也能夠保持電流控制。DC-DC充電拓撲相對于一般線性方案 的最大優勢是能有效地利用有限的USB電源資源。在以400mA電流NiMH電池充電時,電路從USB輸入僅汲取150mA。而充電時剩余350mA用于 系統。
二極管D1實現從電池到USB的負載拉出。不連接USB時,升壓變換器產生3.3V輸出。連接USB時,D1上拉DC-DC升壓變換器(U2)輸出到 4.7V左右。當U2輸出上拉時,它自動關閉而從電池汲取的電流小于1mA。在USB連接時,若對于輸出從3.3V變換到4.7V不能接受,則可以加入一 個與D1串聯的線性穩壓器。
此電路的限制是依靠系統來控制充電結束。U1僅僅做為一個電流源,若長期不管它,它將會過充電電池。R1和R2置U1的最大輸出電壓為2V,做為安全 限值。
“Charge Enable”(“充電使能”)輸入起到系統結束充電作用以及枚舉前降低USB負載電流的作用,這是由于充電器的150mA輸入電流大于一個負載。


圖5 簡單的設計使USB電源不直接接到負載,而是由DC輸入到負載。當USB連接時,系統仍然由電池供電,而電池也正在充電。

4. 5V-USB充電器充電電路圖

本電路雖然元件少,但是還設計有過流過載短路保護功能。當負載過載或者短路時,Q1的集電極電流大增,而Q1的發射極電阻R1會產生較高的壓降,這個 過載或者短路產生的高電壓會經過R3讓Q2飽和導通,從而讓Q1截止停止輸出防止過載損壞。因此,改變R1的大小,可以改變負載能力,如果要求輸出電流 小,例如只需要輸出5V100MA,可以將R1阻值改大。當然,如果需要輸出 5V500MA的話,就需要將R1適當改小。注意:R1改小會增加燒壞Q1的可能性,如果需要大電流輸出,建議更換13003、13007中大功率管。
C4、R5、D5起什么作用呢?T1變壓器是電感元件,Q1工作在開關狀態,當Q1截止時,會在集電極感應出很高的電壓,這個電壓可能高達1000伏 以上,這會使Q1擊穿損壞,現在有了高速開關管D5,這個電壓可以給C4充電,吸收這個高壓,C4充電后可以立即通過R5放電,這樣Q1不會因集電極的高 電壓擊穿損壞了,因此,這三個元件如有開關或者損壞,Q1是非常危險的,分分秒秒都可能會損壞。
5. 鎳氫電池智能充電電路原理
鎳氫電池智能充電電路原理
單只鎳氫電池電壓為1.25V,充電時最高為有 1.55V,它不宜使用高于3V的直流電源為其充電。將電源變壓器輸出為交流3.5V的雙繞組作全橋整流可得到正負3.5V直流電,以負端輸出作為零電 平,中點即成為+3.5V可作給鎳氫電池充電的直流電源,正端輸出則成為+7V可作控制電路的工作電源。非滿載輸出狀況時,中點電平約為4.9V,正輸出 端約為9.8V。滿載輸出狀況時,中點電平為3V,正輸出端約為7.9V。控制電路所使用的COMS門電路CC4093和通用四運放LM324均可在 6V~12V之間正常工作。
參見原理圖,U1是內置電壓比較器的穩壓集成電路TL431,可提供2.5V精密基準電壓。經R7~R10四只電阻串聯分壓,分別為U2a、U2b、 U2c三只電壓比較器提供1.54V、1.25V、1.15V比較電壓。U2a的負輸入端與U2b、U2c的正輸入端共同接在鎳氫電池正端上,對電池兩端 電壓進行檢測。電池電壓高于1.54V時U2a輸出低電平,電池電壓低于1.54V時U2a輸出高電平;電池電壓高于1.25V時U2b輸出高電平,電池 電壓低于1.25V時U2b輸出低電平;電池電壓高于1.15V時U2c輸出高電平,電池電壓低于1.15V時U2c輸出低電平。U2d的負輸入端接在 2.5V基準電壓上,正輸入端通過R24電阻接中點電源上。與此同時,U2d正輸入端通過C3電容接在鎳氫電池正端上,在沒有放入電池或通電數秒種 后,U2d輸出高電平。

如果放入的是放完電的電池,U2c將檢測出電池兩端電壓低于1.15V,輸出低電平。在U2d尚輸出低電平的時候,由與非門U3c、U3d組成的RS觸發 器將被置成U3c與U3d都輸出高電平。但在1秒鐘后,U3d改為輸出低電平,U3c繼續保持輸出高電平。發光管LED3發綠光指示電池需要充電。此 時,U2b輸出低電平使U3a輸出高電平,U3b輸出低電平,功率場效應管BG2截止。但U3c輸出高電平使BG1導通,經R2提供約100mA電流和經 過R1的30mA電流一起給電池作小電流充電。電池開始充電后,在電池電壓高于1.15V、低于1.25V期間,U2c的輸出狀態翻轉為高電平。但 U3c、U3d的輸出狀態保持不變,U3c繼續輸出高電平,BG1導通。因U2b的輸出狀態還是低電平使U3a輸出高電平,U3b輸出低電平,功率場效應 管BG2截止。仍然只經R2提供約100mA電流和經過R1的30mA電流一起給電池作小電流充電。
經過一段時間小電流充電后,電池電壓高于1.25V、低于1.54V,電壓比較器U2a、U2b都輸出高電平,此時U3c也繼續輸出高電平,從而使U3a 輸出低電平,U3b輸出高電平,功率場效應管BG2導通,經R3提供不小于500mA電流和經過R2提供的100mA電流以及經過R1提供的30mA電流 一起給電池作大電流充電。此時LED1發綠光顯示正處于大電流充電狀態,LED3綠發光管熄滅。發光管LED2也熄滅。
在經過一段時間大電流充電,電池已經充足電,電池電壓高于1.54V時,U2a輸出低電平使U3a輸出高電平,U3b輸出低電平,功率場效應管BG2截 止。LED1熄滅,LED2發光。與此同時,U3b從高電平翻轉為低電平,將通過C2電容和R13構成的微分電路將U3d輸入端短暫置為低電平,從而使 U3b輸出端從低電平翻轉為高電平。LED4發光顯示電池已經充足電。U3a的輸出端隨之從高電平翻轉為低電平,LED3熄滅,BG1也截止,只有經過 R1的30mA電流繼續給電池充電。若繼續進行涓流充電,電池電壓將從1.55V降低至1.5V,U2a與U2b的輸出端都將輸出高電平,但此時U3a輸 入端已經被U3c封鎖只能輸出高電平,U3b輸出低電平,功率場效應管BG2繼續保持截止,只有經過R1的30mA電流繼續給電池作涓流充電。
取出電池后或在沒有放入電池的狀況下接通電源,連接電池正端的E點電平為中點電位高于1.55V,U2a輸出低電平,BG3截止,LED3和LED4都不 發光。此時U3a輸出高電平,U3b輸出低電平,LED2發紅光指示電路處于通電工作狀態,LED1不發光。再放入電池,即刻重復上述自動檢測充電過程。
其中,LED1與LED2、LED3與LED4可分別合用一只雙色發光管。接通電源后,LED1與LED2總有一只發光。LED3與LED4必須放有電池才發光,因此可以判斷電池是否放入并且沒發生接觸不良現象。
CC4093是帶斯密特觸發器的四2與非門,因其不易買到,可用普通四2與非門CD4011替代。
[page]
6. 7805恒流充電電路
7805恒流充電電路

圖中是一款采用三端固定正輸出集成穩壓器7805作 為恒流源的恒流充電器電路圖,可以為兩節鎳氫充電電池充電,充滿后指示燈自動熄滅。
(1).電路工作原理。
充電器電路由整流電源、恒流源、充電指示電路等部分組成。①集成穩壓器7805與R4、R5、R6、R7分別構成50mA、 100mA、150mA、200mA恒流源,由開關S進行選擇,以適應不同容量電池充電電流的需要。兩節1.2V鎳氫充電電池串聯接人電路進行充電,二極 管VD6的作用是防止被充電池電流倒灌。②晶體管VT1、VT2、發光二極管VD5等組成充電指示電路,充電開始時,因為被充電池電壓很低,vD6正極電 位也較低,不足以使VT2導通,VT2截止,VT1導通,VD5發光指示正在充電。隨著充電的進行,VD6正極電位逐步上升。當被充電池充滿電時,VT2 導通,使VT1截止,VD5熄滅。③變壓器T、整流橋VD1~VD4、濾波電容C1等組成整流電源,為充電電路提供約12V的直流電源。
(2).調試與使用。
主要調試充電指示燈的熄滅電壓。1.2V鎳氫充電電池剛充滿電時約為1.4V,因此可用1.4V直流電壓暫接入被充電池位置,調節R3使 VD5剛剛熄滅。也可裝上兩節放完電的鎳氫充電電池,用10小時率常規電流充電14~16小時后,調節R3使VD5剛剛熄滅。使用時一般用10小時率電流 充電,例如,對于500mA左右的鎳氫充電電池,將S置于50 mA擋進行充電;對于1000mAh左右的鎳氫充電電池,將S置于100mA擋進行充電;對于1500mAh左右的鎳氫充電電池,將S置于150mA擋進 行充電;對于2000mAh左右的鎳氫充電電池,將S置于200mA擋進行充電。充電時指示燈VD5亮,當VD5熄滅時表示電已充滿。
7. 3.6V鏗離子電池充電電路
PS1719 模塊專用于3.6V 鏗離子電池充電,也可用于二節煤鍋或保氫電池充電。
典型應用電路如下圖 所示..

[page]
8. 超級電容充電電路
超級電容充電電路


9. 脈沖式快捷充電電路
這款快速充電電路,采用脈沖充電方式,充、放電時間為5:1。具有功耗低、安全可靠等優點,非常適合電動自行車的充電。
脈沖式快捷充電電路的原理圖見下圖所示。電路主要由十進位計數器CC4017、脈沖計頻器、比較器LM358、充電管Q5、放電管Q6等組成,如圖1 所示。由圖可知,由NE555時基電路構成脈沖形成電路,R^、Rn、CA為充、放電電路,也決定脈沖的振蕩頻率,充電周期為 Tl=0.693CA(RA+RB),放電周期T2=0.693CARB.輸出級能提供低輸出阻抗,最大輸出電流可達200mA。其NE555③腳輸出一 脈沖方波送到十進位計數器/脈沖計頻器CC4017的(14)腳,使CC4017的十個譯碼輸出端輪流輸出高電平。當CC4017①~⑤腳輸出高電平 時,Q4、Q5導通,直流電壓通過05與R充電對電池(BAT--TERY)進行大電流充電,充電電流可通過R充電的數值進行調節。
當⑥腳和⑦腳輸出高電平時,os和Q6因沒有驅動電平而截止,電池兩端電壓通過R7、F9構成的分壓回路送到由LM358組成的比較器的反相輸入端。同相 輸入端由穩壓管D9提供一基準電壓值,對電池電壓進行比較。當CC4017⑨腳輸出高電平時,Q6導通,電池電壓通過R放電電阻放電,放電電流可通過放電 電阻的大小進行調節。當(10)腳與(11)腳輸出高電平時,電路進入電池電壓檢測階段,Q3截止,運放LM358的反相輸入端電壓與電池電壓相等,通過 與基準電壓比較,可檢測這時的電池電壓是否已充到預定基準值。
在充、放電過程中,Q3導通使LM358的反相輸入端電壓為零,其輸出高電平使Q1、Q2導通,為集成塊CC4017和NE555供電。當電池電壓充至額 定基準值時,LM358輸出低電平,Q1、Q2截止,充電過程結束。充電時LED1點亮,充電結束后LED1熄滅。調整充、放電周期Tl和T2中的 RC數值,可調整脈沖充、放電的時間比。也可以通過調整CC4017的十個譯碼輸出端與充、放電管Q5、Q6連接方式來調整充、放電的時間比,例如:去掉 二極管Dl,則充電管Q5導通的時間由原來的5個減至4個,即充、放電時間比由原來的5:1減至4:1,因此調整起來非常方便。LDE2為電源指示燈。
下圖中各元件參數見下表所示。電阻未注明瓦數的為1/2~1W,穩壓管D9的穩壓值為6V,變壓器Tl變比為220V/20V、15V,保證對16V 以內的蓄電池進行充、放電。電感Ll為空芯電感線圈,電感量為O.lmH,二極管Dl0可選用任何型號整流管,額定電流為2A即可,D11為 1N4001。


[page]
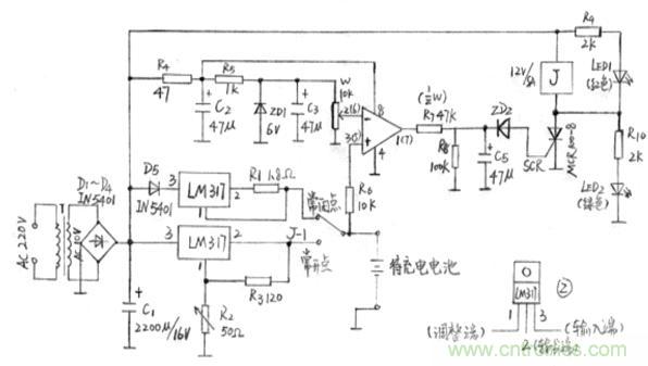
10. 簡易電池自動恒流充電電路
引言
隨著數碼行業的爆破性增長,市場上出現了越來越多的高科技數碼產品,這些都離不開充電電池,尤其是鎳氫充電電池是目前大容量電池的主要品種,已在通 訊、交通、電力等部門得到廣泛的應用,同時它也是其它智能儀表中最為常用的備用電池,而電池又離不開充電器,本文在此介紹一種基于分立元件構成的電池自動 恒流充電電路,重點闡述了電路的組成、結構特點、工作原理及電路的調節。
(1) 電路總體設計思路
簡易電池自動恒流充電電路的總體框圖如圖1所示。它是由變壓器整流電路、恒流產生電路、自動斷電電路、顯示電路和電源電路5部分構成。

變壓器整流電路的功能是將公共電網中的220V交流電轉換為合適的電流和電壓信號,從而為后續電路提供信號。恒流產生電路的功能是利用晶體管電流源為 電路產生恒定的充電電流。自動斷電電路的功能是利用三極管飽和導通時的電壓特性,從而實現電路當電池充滿電時能夠自動切斷電源。顯示電路的功能是利用發光 二極管將電路開始充電和結束充電的狀態顯示出來。穩壓電源電路的功能是為上述所有電路提供直流電壓。
(1.1) 變壓器整流電路及電源電路的設計
變壓器整流電路和穩壓電源電路(如圖2虛線左邊所示),其主要由變壓器、二極管橋式電路、電容構成。其中變壓器采用常規的鐵心變壓器,并將公共電網中 的 220 V交流電變為12 V交流電,再通過二極管橋式電路進行整流和電容C1濾波。整流信號由VC1引出。在此基礎上再接三端穩壓器CW7812及電容C3、C4(如圖2虛線右邊 所示),這樣整個電路就構成穩壓電源電路。由B點提供+12 V的直流電壓。

(1.2) 恒流電路的設計
如圖3所示,由穩壓管VZ1、晶體管VT1、電阻R1、電容C2構成的晶體管電流源提供恒定電流,取穩壓管電壓為5 V,R1為51 Ω,此時IC≈1OO mA,作為電路的充電電流。

如圖4電路所示,自動斷電電路是由三極管VT2、電壓跟隨器A1、電壓比較器A2電阻R4、R5、R6、R7、R8、R11和可變電阻RP1構成。當 充電開始時,電壓比較器輸出高電平,VT2導通,VT1也導通,指示燈發光二極管亮,給電池充電。可以先設定轉換開關為1時給一節電池充電,轉換開關為2 時給二節電池充電,依次類推,實現對1-4節電池充電。當電充滿時,電壓比較器輸出低電平,VT2截止,VT1不導通,發光二極管熄滅,充電完畢。

(2.1) 簡易充電器總電路原理圖
簡易電池自動恒流充電電路的總電路圖如圖5所示。它是由變壓器整流電路、恒流產生電路、充電檢測電路、顯示電路和電源電路5部分構成。總電路圖中需要注意的是各個單元電路之間的連接一定要準確,同時各部分的布局要合理。

本設計用的元件清單如表1。






