【導讀】首先介紹下555的內部電路電路結構,如下,其中,三極管起控制作用,A1為反向比較器,A2為同向比較器,比較器的基準電壓由電源電壓+Vcc及內部電阻的分壓比決定。RS觸發器具有復位控制功能,可控制三極管的導通與截止。

555內部電路
>>>>觸摸開關電路

555組成單穩態觸發器可以用作觸摸開關,電路如下,其中M為觸摸金屬片或者導線,無觸發脈沖輸入時,555的輸出V0為“0”,發光二極管D不亮。當用手觸摸金屬片M時。相當于端口2輸入一個負脈沖,555的內部比較器A2翻轉,使輸出V0變為高電平“1”,發光二極管亮,直至電容C上的電壓充到Vc=2Vcc/3為止。二極管亮的時間Tp=1.1RC=1.1s。下圖中電路可用于觸摸報警,觸摸報時,觸摸控制等,電路輸出信號的高低電平與數字邏輯電平兼容。圖中,C1為高頻濾波電容,以保持2Vcc/3的基準電壓穩定,一般取0.01uF, C2用來濾波電源電流跳變引入的高頻干擾,一般取0.01uF ~0.1uF.
>>>>分頻電路

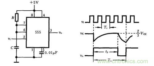
由555組成的單穩態觸發器可以構成分屏系數很大的分頻電路,如下圖,設輸入信號Vi 為一列脈沖串,第一個負脈沖觸發2端后,輸出V0變為高電平,電容C開始充電,如果RC>>Ti ,由于Vc 未達到2Vcc/3, V0將一直保持為高電平,T截止。這段時間內,輸入負脈沖不起作用。當Vc 達到2Vcc/3時,輸出V0很快變為低電平,下一個負脈沖來到,輸出又跳為高電平,電容C開始充電,如此周而復始。
輸出脈沖延遲時間tp=1.1RC 輸出脈沖周期T0=NTi
分頻系數N主要由延遲時間tp決定,由于RC時間常數可以取得很大,故可獲得很大的分頻系數。
>>>>兩級定時器

如下是由一片556(雙555)組成的兩級定時器電路,第一級定時器被開關S觸發時產生延遲脈沖A驅動繼電器K1, A的延遲時間 t1 = ~1.1 R1xC 1
A 脈沖結束時產生的負跳變又觸發第二級定時器,產生延時脈沖B,驅動繼電器K2 ,B 的延遲時間 t2= ~ 1.1R2xC2
這樣,每觸發一次開關S,可自動完成繼電器K1和K2的啟動與復位,因此該電路可以實現時序操作及控制。


