【導讀】EMC描述的是產品兩個方面的性能,即電磁發射/干擾EME和電磁抗擾EMS。EME中又包含傳導和輻射;而EMS中又包含靜電、脈沖群、浪涌等。本文將從EMS中的浪涌抗擾度的角度出發,分析設計電源的前級電路。
抗浪涌的電路分析
如圖1所示為小功率電源模塊中常用的EMC前級原理圖,FUSE為保險絲,MOV為壓敏電阻,Cx為X電容,LDM為差模電感,Lcm為共模電感,Cy1和Cy2為Y電容,NTC為熱敏電阻。其中Y電容、共模電感等的主要作用雖然不是為了改善電路的浪涌抗擾度,但它們卻間接地影響了抗浪涌電路的設計。

圖1:常用EMC前級電路
對ACL與ACN之間施加的浪涌電壓稱為差模浪涌電壓,差模路徑如圖中紅線所示;對ACL(或ACN)與PE之間施加的電壓稱為共模浪涌電壓,共模路徑如圖中藍線所示。
在設計抗浪涌電路前必須先確定相應的“電磁兼容標準”,如IEC/EN 61000-4-5(對應GB/T 17626.5)中規定了浪涌抗擾度要求、試驗方法、試驗等級等。下面我們將以該標準的規定為基礎來討論抗浪涌電路的設計。
浪涌發生電路在輸出開路時,產生1.2/50μs的浪涌電壓,而在短路時將產生8/20μs的浪涌電流。
發生器的有效輸出阻抗為2Ω,故當開路電壓峰值為XKV時,短路峰值電流為(X/2)KA。
當對ACL(或ACN)和PE之間進行抗浪涌測試時,在耦合電路上又串入了10Ω的電阻,忽略掉串聯耦合電容的影響,則短路峰值電流變為約(X/12)KA。
相關器件介紹
1、壓敏電阻
壓敏電阻的選型最重要的幾個參數為:最大允許電壓、最大鉗位電壓、能承受的浪涌電流。
首先應保證壓敏電阻最大允許電壓大于電源輸出電壓的最大值;其次應保證最大鉗位電壓不會超過后級電路所允許的最大浪涌電壓;最后應保證流過壓敏電阻的浪涌電流不會超過其能承受的浪涌電流。
其他參數如額定功率、能承受的最大能量脈沖等,通過簡單驗算或實驗即可確定。
2、Y電容
在進行共模浪涌測試時,若考慮成本等因素,在共模路徑中未加入壓敏電阻或其他用于鉗位電壓的器件時,應保證Y電容耐壓高于測試電壓。
3、輸入整流二極管
假設浪涌電壓經壓敏電阻鉗位后,最大鉗位電壓大于輸入整流二極管能承受的最大反向電壓,則二極管可能會被損壞。因此應選擇反向耐壓大于壓敏電阻最大鉗位電壓的二極管作為輸入整流二極管。
4、共模電感
理論上共模電感僅在共模路徑中起作用,但是因為共模電感兩個繞組并非完全耦合,未耦合部分將在差模路徑中作為差模電感,影響EMC特性。
實例分析
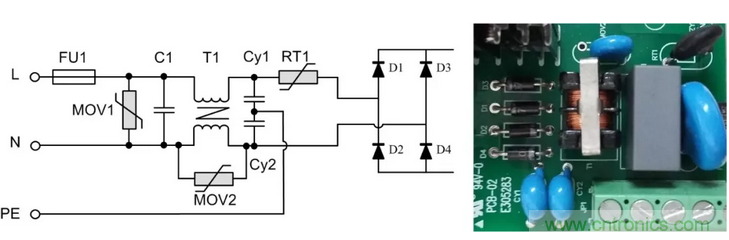
背景:以某型號的電源模塊為例,該模塊是ZLG致遠電子為某客戶定制的電源模塊,輸入85VAC~350VAC,且EMC前級電路電路嵌入到模塊中??估擞恳蟛钅k妷?KV,共模電壓6KV。更換更大的保險絲后可承受6KV差模電壓。其前級原理圖及對應實物圖如圖2所示。

圖2:實例原理圖與實物圖
1、差模浪涌測試
壓敏電阻選型時,首先應使最大允許電壓略大于350V,此電壓等級壓敏電阻最大鉗位電壓為1000V左右(50A測試電流下)。其次在差模路徑上,等效于一個內阻為2Ω、脈沖電壓為6KV的電壓源與壓敏電阻串聯,則峰值電流約為(6KV-1KV)/2Ω=2500A。最終選擇了681KD14作為壓敏電阻。其峰值電流為4500A,最大允許工作電壓385VAC,最大鉗位電壓1120V。
不必擔心,因為共模電感中未耦合的部分,在差模路徑中作為差模電感,將分得部分電壓,事實上,在共模電感后級,電路已得到保護,經試驗驗證,整流二極管選擇常用的1N4007即可。
2、共模浪涌測試
當對ACL-PE或ACN-PE測試6KV浪涌時,即共模浪涌試驗,共模路徑等效為一個內阻約為12Ω,脈沖電壓為6KV的電壓源與共模電感、Y電容串聯。因為Y電容選擇Y1等級電容,其耐壓較高,6KV共模浪涌的能量不足以使其損壞,因此僅需保證PE布線與其他布線保持一定間接,即可很容易地通過共模浪涌測試。
但是,因為浪涌測試時共模電感兩端將產生高壓,出現飛弧。若與周圍器件間距較近,可能使周圍器件損壞。因此可在其上并聯一個放電管或壓敏電阻限制其電壓,從而起到滅弧的作用。如圖中MOV2所示。
另一種辦法是在PCB設計時,在共模電感兩端加入放電齒,使得電感通過兩放電尖端放電,避免通過其他路徑放電,從而使得對周圍和后級器件的影響減到最小。如圖3是ZLG致遠電子型號為PA1HBxOD-10W的電力電源模塊PCB在共模電感處加入的放電齒的實物圖。

圖3:放電齒實物圖
總結
EMC試驗通常實踐性很強,但如果我們掌握一些基本原理,在設計EMC前級電路時,將更有方向進行試驗,從而縮短項目開發的時間。本文章結合了一個簡單的實例,從浪涌試驗的角度介紹了前級電路器件選型和典型電路,在以后的文章中我們將繼續更深入的探討抗浪涌電路相關內容,并從其他EMC性能指標的角度來設計EMC前級電路。
完善的浪涌防護電路搭配性能穩定的電源模塊將會最大程度的保證系統供電的穩定可靠。ZLG致遠電子自主研發、生產的隔離電源模塊,具有寬輸入電壓范圍,隔離1000VDC、1500VDC、3000VDC及6000VDC等多個系列,封裝形式多樣,兼容國際標準的SIP、DIP等封裝。
同時ZLG致遠電子為保證電源產品性能建設了行業內一流的測試實驗室,配備最先進、齊全的測試設備,全系列隔離DC-DC電源通過完整的EMC測試,靜電抗擾度高達4KV、浪涌抗擾度高達2KV,可應用于絕大部分復雜惡劣的工業現場,為用戶提供穩定、可靠的電源隔離解決方案。

來源:ZLG致遠電子




