【導讀】目前,許多大學及科研單位都進行了開關電源EMI的研究,他們中有些從EMI產生的機理出發,有些從EMI 產生的影響出發,都提出了許多實用有價值的方案。這里分析與比較了幾種有效的方案,并為開關電源EMI 的抑制措施提出新的參考建議。
目前,許多大學及科研單位都進行了開關電源EMI(Electromagnetic Interference)的研究,他們中有些從EMI產生的機理出發,有些從EMI 產生的影響出發,都提出了許多實用有價值的方案。這里分析與比較了幾種有效的方案,并為開關電源EMI 的抑制措施提出新的參考建議。
開關電源電磁干擾的產生機理
開關電源產生的干擾,按噪聲干擾源種類來分,可分為尖峰干擾和諧波干擾兩種,若按耦合通路來分,可分為傳導干擾和輻射干擾兩種。現在按噪聲干擾源來分別說明:
1、二極管的反向恢復時間引起的干擾
高頻整流回路中的整流二極管正向導通時有較大的正向電流流過,在其受反偏電壓而轉向截止時,由于PN結中有較多的載流子積累,因而在載流子消失之前的一段時間里,電流會反向流動,致使載流子消失的反向恢復電流急劇減少而發生很大的電流變化(di/dt)。
2、開關管工作時產生的諧波干擾
功率開關管在導通時流過較大的脈沖電流。例如正激型、推挽型和橋式變換器的輸入電流波形在阻性負載時近似為矩形波,其中含有豐富的高次諧波分 量。當采用零電流、零電壓開關時,這種諧波干擾將會很小。另外,功率開關管在截止期間,高頻變壓器繞組漏感引起的電流突變,也會產生尖峰干擾。
3、交流輸入回路產生的干擾
無工頻變壓器的開關電源輸入端整流管在反向恢復期間會引起高頻衰減振蕩產生干擾。
開關電源產生的尖峰干擾和諧波干擾能量,通過開關電源的輸入輸出線傳播出去而形成的干擾稱之為傳導干擾;而諧波和寄生振蕩的能量,通過輸入輸出線傳播時,都會在空間產生電場和磁場。這種通過電磁輻射產生的干擾稱為輻射干擾。
4、其他原因
元器件的寄生參數,開關電源的原理圖設計不夠完美,印刷線路板(PCB)走線通常采用手工布置,具有很大的隨意性,PCB的近場干擾大,并且印刷板上器件的安裝、放置,以及方位的不合理都會造成EMI干擾。
開關電源EMI的特點
作為工作于開關狀態的能量轉換裝置,開關電源的電壓、電流變化率很高,產生的干擾強度較大;干擾源主要集中在功率開關期間以及與之相連的散熱器 和高平變壓器,相對于數字電路干擾源的位置較為清楚;開關頻率不高(從幾十千赫和數兆赫茲),主要的干擾形式是傳導干擾和近場干擾;而印刷線路板 (PCB)走線通常采用手工布線,具有更大的隨意性,這增加了PCB分布參數的提取和近場干擾估計的難度.
EMI測試技術
目前診斷差模共模干擾的三種方法:射頻電流探頭、差模抑制網絡、噪聲分離網絡。用射頻電流探頭是測量差模 共模干擾最簡單的方法,但測量結果與標準限值比較要經過較復雜的換算。差模抑制網絡結構簡單(見圖1),測量結果可直接與標準限值比較,但只能測量共模干 擾。噪聲分離網絡是最理想的方法,但其關鍵部件變壓器的制造要求很高。

目前抑制干擾的幾種措施
形成電磁干擾的三要素是干擾源、傳播途徑和受擾設備。因而,抑制電磁干擾也應該從這三方面著手。首先應該抑制干擾源,直接消除干擾原因;其次是 消除干擾源和受擾設備之間的耦合和輻射,切斷電磁干擾的傳播途徑(見圖2);第三是提高受擾設備的抗擾能力,減低其對噪聲的敏感度。目前抑制干擾的幾種措 施基本上都是用切斷電磁干擾源和受擾設備之間的耦合通道,它們確是行之有效的辦法。常用的方法是屏蔽、接地和濾波。
采用屏蔽技術可以有效地抑制開關電源的電磁輻射干擾。例如,功率開關管和輸出二極管通常有較大的功率損耗,為了散熱往往需要安裝散熱器或直接安 裝在電源底板上。
器件安裝時需要導熱性能好的絕緣片進行絕緣,這就使器件與底板和散熱器之間產生了分布電容,開關電源的底板是交流電源的地線,因而通過器 件與底板之間的分布電容將電磁干擾耦合到交流輸入端產生共模干擾,解決這個問題的辦法是采用兩層絕緣片之間夾一層屏蔽片,并把屏蔽片接到直流地上,割斷了 射頻干擾向輸入電網傳播的途徑。為了抑制開關電源產生的輻射,電磁干擾對其他電子設備的影響,可完全按照對磁場屏蔽的方法來加工屏蔽罩,然后將整個屏蔽罩 與系統的機殼和地連接為一體,就能對電磁場進行有效的屏蔽。
電源某些部分與大地相連可以起到抑制干擾的作用。例如,靜電屏蔽層接地可以抑制變化電場的干 擾;電磁屏蔽用的導體原則上可以不接地,但不接地的屏蔽導體時常增強靜電耦合而產生所謂“負靜電屏蔽”效應,所以仍以接地為好,這樣使電磁屏蔽能同時發揮 靜電屏蔽的作用。電路的公共參考點與大地相連,可為信號回路提供穩定的參考電位。因此,系統中的安全保護地線、屏蔽接地線和公共參考地線各自形成接地母線 后,最終都與大地相連.
在電路系統設計中應遵循“一點接地”的原則,如果形成多點接地,會出現閉合的接地環路,當磁力線穿過該回路時將產生磁感應噪聲,實際上很難實現 “一點接地”。因此,為降低接地阻抗,消除分布電容的影響而采取平面式或多點接地,利用一個導電平面(底板或多層印制板電路的導電平面層等)作為參考地, 需要接地的各部分就近接到該參考地上。為進一步減小接地回路的壓降,可用旁路電容減少返回電流的幅值。在低頻和高頻共存的電路系統中,應分別將低頻電路、 高頻電路、功率電路的地線單獨連接后,再連接到公共參考點上。
濾波是抑制傳導干擾的一種很好的辦法。例如,在電源輸入端接上濾波器,可以抑制開關電源產生并向電網反饋的干擾,也可以抑制來自電網的噪聲對電 源本身的侵害。在濾波電路中,還采用很多專用的濾波元件,如穿心電容器、三端電容器、鐵氧體磁環,它們能夠改善電路的濾波特性。恰當地設計或選擇濾波器, 并正確地安裝和使用濾波器,是抗干擾技術的重要組成部分。

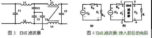
EMI濾波技術是一種抑制尖脈沖干擾的有效措施,可以濾除多種原因產生的傳導干擾。圖3是一種由電容、電感組成的EMI濾波器,接在開關電源的 輸入端。電路中,C1、C5是高頻旁路電容, 用于濾除兩輸入電源線間的差模干擾;L1與C2、C4;L2與C3、C4組成共模干擾濾波環節,用于濾除電源線與地之間非對稱的共模干擾;L3、L4的初 次級匝數相等、極性相反,交流電流在磁芯中產生的磁通相反,因而可有效地抑制共模干擾。測試表明,只要適當選擇元器件的參數,便可較好地抑制開關電源產生 的傳導干擾。
現有的抑制措施大多從消除干擾源和受擾設備之間的耦合和輻射,切斷電磁干擾的傳播途徑出發,這確是抑制干擾的一種行之有效的辦法,但很少有人涉及直接控制干擾源,消除干擾,或提高受擾設備的抗擾能力,殊不知后者還有許多發展的空間。
改進措施的建議
目前從電磁干擾的傳播途徑出發來抑制干擾,已漸進成熟。我們的視點要回到開關電源器件本身來。從多年的工作實踐來看,在電路方面要注意以下幾點:
(1)印制板布局時,要將模擬電路區和數字電路區合理地分開,電源和地線單獨引出,電源供給處匯集到一點;PCB布線時,高頻數字信號線要用短 線,主要信號線最好集中在PCB板中心,同時電源線盡可能遠離高頻數字信號線或用地線隔開。其次,可以根據耦合系數來布線,盡量減少干擾耦合。(見表1)

(2)印制板的電源線和地線印制條盡可能寬,以減小線阻抗,從而減小公共阻抗引起的干擾噪聲。
(3)器件多選用貼片元件和盡可能縮短元件的引腳長度,以減小元件分布電感的影響。
(4)在Vdd及Vcc電源端盡可能靠近器件接入濾波電容,以縮短開關電流的流通途徑,如用10μF鋁電解和0 1μF電容并聯接在電源腳上。對于高速數字IC的電源端可以用鉭電解電容代替鋁電解電容,因為鉭電解的對地阻抗比鋁電解小得多。
結論
產生開關電源電磁干擾的因素還很多,抑制電磁干擾還有大量的工作。全面抑制開關電源的各種噪聲會使開關電源得到更廣泛的應用。




