【導讀】反激式開關電源是指使用反激高頻變壓器隔離輸入輸出回路的開關電源。“反激”指的是在開關管接通的情況下,當輸入為高電平時輸出線路中串聯的電感為放電狀態;相反,在開關管斷開的情況下,當輸入為高電平時輸出線路中的串聯的電感為充電狀態。
01、反激電源
反激式開關電源是指使用反激高頻變壓器隔離輸入輸出回路的開關電源。“反激”指的是在開關管接通的情況下,當輸入為高電平時輸出線路中串聯的電感為放電狀態;相反,在開關管斷開的情況下,當輸入為高電平時輸出線路中的串聯的電感為充電狀態。


工作原理:
變壓器的一次和二次繞組的極性相反,這大概也是 Flyback 名字的由來:
a. 當開關管導通時,變壓器原邊電感電流開始上升,此時由于次級同名端的關系,輸出二極管截止,變壓器儲存能量,負載由輸出電容提供能量。
b. 當開關管截止時,變壓器原邊電感感應電壓反向,此時輸出二極管導通,變壓器中的能量經由輸出二極管向負載供電,同時對電容充電,補充剛剛損失的能量。
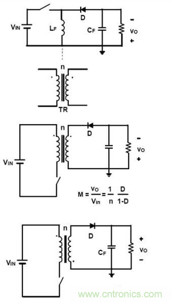
反激電路的演變:
可以看作是隔離的 Buck/Boost 電路:

在反激電路中,輸出變壓器 T 除了實現電隔離和電壓匹配之外,還有儲存能量的作用,前者是變壓器的屬性,后者是電感的屬性,因此有人稱其為電感變壓器,有時我也叫他異步電感。
02、正激電源
正激式變壓器開關電源輸出電壓的瞬態控制特性和輸出電壓負載特性,相對來說比較好,因此,工作比較穩定,輸出電壓不容易產生抖動,在一些對輸出電壓參數要求比較高的場合,經常使用。
所謂正激式變壓器開關電源,是指當變壓器的初級線圈正在被直流電壓激勵時,變壓器的次級線圈正好有功率輸出。

單端正激式:

雙管正激式:

由上三張圖可知,反激的變壓器可以看作一個帶變壓功能的電感,是一個 buck-boost 電路。正激的變壓器是只有變壓功能,整體可以看成一個帶變壓器的 buck 電路。二次側接第一個整流二極管的負端接電解電容的是反擊,接電感的是正激。
總地來說,正激反激工作原理不同,正激是初級工作次級也工作,次級不工作有續流電感續流,一般是 CCM 模式。功率因數一般不高,而且輸入輸出和變比占空比成比例。反激是初級工作,次級不工作,兩邊獨立開來,一般 DCM 模式下,理論上是單位功率因數,但是變壓器的電感會比較小,而且需要加氣隙,所以一般適合中小功率情況 . 一般的電源書都會有具體的介紹和設計公式。
正激變壓器是理想的,不儲能,但是由于勵磁電感(Lp)是有限值,勵磁電流使得磁芯 B 會大,為避免磁通飽和,變壓需要輔助繞組進行磁通復位;反激變壓器工作形式可以看做耦合電感;電感先儲能,再放能。由于反激變壓器的輸入、輸出電壓極性相反,固當開關管斷開之后,次級可以提供磁芯一個復位電壓,因而反激變壓器不需額外增加磁通復位繞組。
03、主要區別
正激反激主要區別在高頻變壓器的工作方式不同但他們在同一象限上。正激是當變壓器原邊開關管導通時同時能量被傳遞到負載上,當開關管截止是變壓器的能量要通過磁復位電路去磁。反激是和正激相反,當原邊開關管導通時給變壓器存儲能量。但能量不會加在負載上,當開關管截止時,變壓器的能量釋放到負載側。正激開關電源,后面多的那個二級管是續流二級管,一般輸出部分還會多加一個儲能電感,正激和反激最重要的區別是變壓器初次級的相位是反相的。
正激式開關電源是電源開關管導通的時候,電源向負責提供功率輸出,而關斷的時候沒有功率輸出。反激式開關電源正好相反,電源開關管導通時只向變壓器存儲能量,沒有給負載提供功率輸出,僅在電源開關管關斷時才向負載提供輸出。
正激式開關電源輸出電壓是取整流輸出電壓的平均值,反激式開關電源輸出電壓是取整流輸出電壓的半波平均值,兩種電壓輸出的相位正好相反。
偏磁是指加在變壓器兩端的正反向脈沖電壓的伏秒乘積(伏秒積)不等,從而造成變壓器磁芯的磁滯工作回線偏離坐標原點的現象。正激反激主要區別在,高頻變壓器的工作方式不同,但他們在同一象限上。正激是當變壓器原邊開關管導通時同時能量被傳遞到負載上,當開關管截止是變壓器的能量要通過磁復位電路去磁。反激是和正激相反,當原邊開關管導通時給變壓器存儲能量,但能量不會加在負載上。當開關管截止時,變壓器的能量釋放到負載側,正激開關電源,后面多的那個二級管是續流二級管,一般輸出部分還會多加一個儲能電感,正激和反激最重要的區別是變壓器初次級的相位是反相的。正激與反激的工作最大區別是,當開關管關斷時,正激的輸出主要靠儲能電感和續流二級管來維持輸出,而反激的輸出主要靠變壓器次級釋放能量來維持輸出。
04、最大區別
正激與反激的工作最大區別是,當開關管關斷時,正激的輸出主要靠儲能電感和續流二級管來維持輸出,而反激的輸出主要靠變壓器次級釋放能量來維持輸出。正激電路不宜做多路輸出,正激電路要用脈寬調整做穩壓必須在次極整流以后串電感,不然輸出電壓主要由輸入決定,與脈寬影響不大,脈寬只影響輸出紋波。如用正激電路做多路輸出原理上存在的問題:如每路輸出不用電感,那么對輸入變化沒有穩壓作用,且沒有開關電源應有的安全性。如果每路加電感:那么輸出電壓在理論上與負載大小有關,不參與反饋的回路就不正。
反激電路在原理上就適合多路輸出穩壓。反激電路首先儲能,后把能量按各路的電壓比率供應給每一路,先可以認為每路的輸出比例是不變的(實際有誤差看下面),按電流誰需要多給誰多的原則分配。
05、關于反饋
被反饋的這一路總是很準的因為就是按找他來反饋的,但反饋的一路一定要有一點負載。不然會加大輸出各路間的不平衡。可以用多路加權來進行反饋,就可以使誤差的矢量和為零,通俗點讓誤差在各路間均衡,哪路的權重大,哪路的精度就高。變壓器遵守各個瞬態電壓比等于線圈比,這是理解中用得最多的一個條件。
06、關于開關電源
正激式是開關管導通時變壓器次級電路工作,反激式是開關管截止時變壓器次級電路工作(開關截止,主級能量傳遞給次級,次級工作開關閉合,主級電感線圈存儲能量)。正激式開關電源輸出必需有續流二極管而反激式沒有(它們的變壓器繞法也不一樣。反激式變壓器初次極工作時間相反而正激式初次極工作時間相同)正激跟反激相比最大的問題的用的器件更多,雖然好像沒多幾個,但都是必不可少,而且成本都是很高的。電路比反激式變壓器開關電源多用一個大儲能濾波電感,以及一個續流二極管。正激式變壓器開關電源輸出電壓受占空比的調制幅度,相對于反激式變壓器開關電源來說要低很多,因此,正激式變壓器開關電源要求調控占空比的誤差信號幅度比較高,誤差信號放大器的增益和動態范圍也比較大。
正激式變壓器開關電源為了減少變壓器的勵磁電流,提高工作效率,變壓器的伏秒容量一般都取得比較大,并且為了防止變壓器初級線圈產生的反電動勢把開關管擊穿,正激式變壓器開關電源的變壓器要比反激式變壓器開關電源的變壓器多一個反電動勢吸收繞組,因此,正激式變壓器開關電源的變壓器的體積要比反激式變壓器開關電源的變壓器的體積大。
正激式變壓器開關電源還有一個更大的缺點是在控制開關關斷時,變壓器初級線圈產生的反電動勢電壓要比反激式變壓器開關電源產生的反電動勢電壓高。因為一般正激式變壓器開關電源工作時,控制開關的占空比都取在 0.5 左右,而反激式變壓器開關電源控制開關的占空比都取得比較小。
07、應用區別
正激式變壓器不蓄積能量,只擔負偶合傳輸,反激式變壓器需把開通過程中的能量蓄積在本身,關斷過程中再釋放:正激式繞組同相位,反激式繞組反相;正激式變壓器不用調節電感值,反激式需調節。正激式工作存在剩磁為防飽和需消磁電路,本身不蓄能需要蓄能線圈和續流二極管,反激式不用。
反激主要用在 150-200 瓦以下的情況,正激則用在 150w 到幾百瓦之間。之所以反激更廣范就是因為我們日常中 100w 以下的電源比較常見,應用比較常見,所以也就比較廣泛啦。原理就是一個通過儲能再通過變比進行變壓的,一個是直接通過變比進行變壓的。正激初級繞組同名端都是正極所以叫正激,反激一個在正,一個在負所以叫反激。
反激式可做小功率,成本低,調試相對簡單些,所以在小功率電源中常用。它們的區別: 主變壓器方面, 正激的需增加消磁繞組,當然也有的用增加兩個二極管在主繞組進行消磁,無論如何正激電源必須增加消磁回路。反激不用增加輸出儲能電感,因為能量能儲存在次級線圈中 ,正激須增加輸出儲能電感,且整流部分需增加續流二極管。
08、注意事項
1、正激電路不宜做多路輸出。
2、正激電路要用脈寬調整做穩壓必須在次極整流以后串電感,不然輸出電壓主要由輸入決定,與脈寬影響不大,脈寬只影響輸出紋波。
3、如用正激電路做多路輸出原理上存在的問題:
4、如每路輸出不用電感,那么對輸入變化沒有穩壓作用,且沒有開關電源應有的安全性。
5、如果每路加電感:那么輸出電壓在理論上與負載大小有關,不參與反饋的回路就不正。
6、反激電路在原理上就適合多路輸出穩壓和安全性。
7、反激電路首先儲能,后把能量按各路的電壓比率供應給每一路,先可以認為每路的輸出比例是不變的(實際有誤差看下面),按電流誰需要多給誰多的原則分配。
8、關于反饋:被反饋的這一路總是很準的因為就是按找他來反饋的,但反饋的一路一定要有一點負載。不然會加大輸出各路間的不平衡。
9、可以用多路加權來進行反饋,就可以使誤差的矢量和為零,通俗點讓誤差在各路間均衡,哪路的權重大,哪路的精度就高。最后再次說明:變壓器遵守各個瞬態電壓比等于線圈比,這是理解中用得最多的一個條件。正激式變壓器不蓄積能量,只擔負偶合傳輸,反激式變壓器需把開通過程中的能量蓄積在本身,關斷過程中再釋放:正激式繞組同相位,反激式繞組反相;正激式變壓器不用調節電感值,反激式需調節。正激式工作存在剩磁為防飽和需消磁電路,本身不蓄能需要蓄能線圈和續流二極管。反激式不用 .. 因為成本和它們的特性,一般反激式電源在 100 瓦以下,正激式 100 瓦以上,并不是它們不能互換做功率。
09、為何“正激”比“反激”可以做更大的功率?
我們做過正激也做過反激的電源工程師都知道,一般在 100W 以內我們習慣用反激拓撲來做,超過 100W 的用正激比較合適。
為何?
我來說說我的觀點,首先只要懂得設計變壓器的工程師在計算反激開關電源時,反激功率做得越大,原邊電感量肯定是越小的,這跟拓撲的特性有關,我們先來分析一下反激的工作過程。

上圖為反激的基本拓撲,當 MOS 開關管開通時,變壓器原邊繞組上正,下方,此時變壓器副邊繞組上負下正,整流二極管 VD 截止,在 MOS 開通的時段,變壓器的勵磁能量由于沒有通路釋放從而全部存儲在變壓器中。當 MOS 開關管關閉之后,變壓器原邊繞組電位變成下正上負,根據同名端,此時副邊繞組的電位為上正下負,整流二極管 VD 導通,變壓器釋放能量,磁芯復位。
就是這樣周而復始,使輸出穩壓。
由于這種不斷存儲又釋放存儲又釋放的工作模式決定變壓器的是很容易飽和的,為了控制變壓器不飽和,通常的做法就是加氣隙。
為了方便,我們用反激 DCM 的公式,簡單說明一下

Lp:原邊感量,Ip:原邊電流,Vin 最低輸入電壓,D:占空比,P 輸入功率,f 開關頻率
我們通過幾個簡單的公式就可以看出,反激電源的原邊電感量是受到了限制的。

我們再通過上面的公式,可知感量和 Lp 和峰值電流定了之后,要使磁芯不飽和,我們只能通過增大 Np 匝數來降低磁通密度,Np 增大了,Lp 是定了磁芯必然要加氣隙。有計算經驗的人都知道,反激變壓器尤其是功率打了變壓器感量都是比較小的。
下面我們來看看正激:

上圖為正激電源的基本拓撲,開關 MOS 管開通時,原邊繞組 NP1 為上正下負,根據同名端判定此時副邊繞組 NS 也為上正下負,輸出整流二極管 VD1 是導通的,原邊導通的同時副邊也導通,能量每個周期都能夠得到即時釋放。變壓器不存在存儲階段,雖然原邊也有比較大的電流,但這電流大部分都是由副邊折射過來的,初級和次級是同時有電流的,而且產生的磁感應強度相等,方向相反,當負載變重,初級電流也相應加大,抵消了磁芯磁場的變化,所以正激不用考慮正激的電感量的大小,繞多大就是多大。
當然別忘記還有一部分勵磁電流,但由于電感量很大勵磁電流是很小的,開關 MOS 開通時,(不考慮功率部分,只考慮勵磁電流)變壓器原邊電感上陣下負,勵磁電流線性上升,等到開關 MOS 關閉時,NP1 繞組下正上負,此時通過同名端可知,NP2 上正下負 D1 導通,原邊電感存儲的勵磁能量通過 NP2 和 D1 釋放出去,返回到輸入大電容上,磁芯復位。當然變壓器也存在漏感,這部分漏感就生了正激的尖峰電壓。
通過上面的對比,我們可知,同樣一個功率變壓器,可得到如下結論。
1、反激變壓器的電感量很小,而正激變壓器的電感量很大。
2、反激變壓器通過副邊輸出繞組復位,正激變壓器有專門的復位繞組復位。
3、反激變壓器需要復位的勵磁能量但同時也是整個功率部分的能量,正激變壓器復位的也是勵磁部分的能量,但這個勵磁能量不包含功率部分的能量(暫且有能量這個詞,能明白就好)。
我們通過上面幾個結論急需來分析一下:
首先說反激,電感量跟正激比很小的。我們都只到變壓存在的漏感與很多因素有關,由于感量小,變壓器只要有一點漏感,這個漏感在整個原邊電感的占比是比較大的,而電感的能量 1/2*Lp*Ip^2 在電感和漏感中的比例是按照感量大小的比例來分配的,一旦漏感比例大了,漏感中存儲的能量是不能轉化到副邊,大部分是通過其他通路來消耗(轉換成損耗)的,可想而知,功率越大,感量越小,漏感比例越容易變大,造成的損耗也將越來越大,不但損耗超大而且這個漏感造成的尖峰將隨功率的增大而越來越大,非常難處理,或者說到了一定的功率量,根本無法處理。
我們再看正激,電感量跟反激比是很大的。由于感量大,變壓器就算有一定的漏感,但這個漏感在整個變壓器中所占的比例也是比較小的。漏感占比很小,浪費的能量肯定比較小,所產生的尖峰也很好處理。
通過上面的簡單描述,我相信大家也明白為何反激電源的功率就是做不大?并且還可以印證我們平時測量反激時 DS 尖峰是比較高的,而正激 DS 尖峰是非常小的。
免責聲明:本文為轉載文章,轉載此文目的在于傳遞更多信息,版權歸原作者所有。本文所用視頻、圖片、文字如涉及作品版權問題,請聯系小編進行處理。





