【導讀】近年來,太陽能等可再生能源的應用顯著增長。推動這一發展的因素包括政府的激勵措施、技術進步以及系統成本降低。雖然光伏(PV)系統比以往任何時候都更加合理,但仍然存在一個主要障礙,即我們最需要能源時,太陽能并不產生能源。清晨,當人們和企業開始一天的工作時,對電網的需求會上升;晚上,當人們回到家中時,對電網的需求也會上升。然而,太陽能發電是在太陽升起后逐漸攀升的,但在需求量大的時段,如傍晚太陽落山后,還是無法提供能源。因此,太陽能等可再生能源越來越多地與儲能系統集成,以儲存能源供后續使用。
近年來,太陽能等可再生能源的應用顯著增長。推動這一發展的因素包括政府的激勵措施、技術進步以及系統成本降低。雖然光伏(PV)系統比以往任何時候都更加合理,但仍然存在一個主要障礙,即我們最需要能源時,太陽能并不產生能源。清晨,當人們和企業開始一天的工作時,對電網的需求會上升;晚上,當人們回到家中時,對電網的需求也會上升。然而,太陽能發電是在太陽升起后逐漸攀升的,但在需求量大的時段,如傍晚太陽落山后,還是無法提供能源。因此,太陽能等可再生能源越來越多地與儲能系統集成,以儲存能源供后續使用。
與太陽能光伏發電配套的儲能系統通常采用電池儲能系統(BESS)。關于BESS的進步,如更優質、更廉價的電池已顯而易見,但較少提及的是更高效功率轉換方法的應用。在深入探討現代功率轉換拓撲結構之前,應該先討論一些重要的設計考慮因素。
隔離型與非隔離型
隔離型功率轉換拓撲在DC-DC階段通過使用變壓器來實現初級側與次級側的電磁隔離。因此,初級側與次級側各自擁有獨立的地線,而非共用接地。由于增加了變壓器,隔離型拓撲成本更高、體積更大且效率略低,在并網應用中,出于安全考慮,電流隔離至關重要。
雙向功率轉換
雙向拓撲結構減少了連接低壓 BESS 至相應高壓直流母線所需的功率轉換模塊數量。安森美(onsemi) 的 25 kW快速直流電動汽車充電樁參考設計就是利用兩個雙向功率轉換模塊的一個例子。該雙向轉換器與電網連接,為電動汽車的直流電池充電。AC-DC轉換階段采用三相 6 組(6-pack)升壓有源前端,而DC-DC階段采用雙有源橋 (DAB) 拓撲。DC-DC雙有源橋是較為流行的拓撲結構之一,稍后將對其進行討論。
硬開關與軟開關
傳統的功率轉換器采用硬開關控制方案。硬開關的問題在于,當晶體管從導通狀態切換到關斷狀態時(反之亦然),漏極至源極電壓(VDS)會降低,而漏極電流(ID)會增加。兩者存在重疊,這種重疊會產生功率損耗,稱為導通損耗和關斷開關損耗。軟開關是一種用于限制開關損耗的控制方案,其方法是延遲 ID 斜坡到 VDS 接近于零時導通;延遲 VDS 斜坡到 ID 接近于零時關斷。這種延遲被稱為死區時間,電流/電壓斜坡分別被稱為零電壓(ZVS)和零電流開關(ZCS)。軟開關可通過諧振開關拓撲(如 LLC 和 CLLC 轉換器)實現,以大幅降低開關損耗。
兩電平與三電平拓撲(單相與雙相)
三電平轉換器拓撲結構比兩電平拓撲結構更具優勢,原因有以下幾點。首先,三電平拓撲結構的開關損耗低于兩電平拓撲結構。開關損耗與施加在開關上的電壓平方(V2)成正比,在三電平拓撲結構中,只有一半的總輸出電壓被(部分)開關所承受。其他優勢來自于更低的電流紋波和 EMI。同樣,只有一半的總輸出電壓被施加到升壓電感器上,從而降低了電流紋波,使其更易于濾波。EMI 與電流紋波直接相關,降低電流紋波也就降低了 EMI。由于峰值-峰值開關電壓降低,dV/dt 和 dI/dt 也隨之降低,從而進一步減少了 EMI。

圖1.兩電平拓撲結構

圖2.三電平拓撲結構
寬禁帶技術
如碳化硅(SiC)等寬禁帶技術進一步提高了功率轉換系統的效率。由于這些器件的固有特性,它們相比傳統的硅基MOSFET具有許多優勢。其中一些重要因素包括:由于擊穿電場和禁帶能量更高,器件的擊穿電壓更高;熱傳導率更高,從而降低了冷卻要求;導通電阻更低,從而改善了導通損耗;電子飽和速度更高,從而實現了更快的開關速度。
DC-DC拓撲
同步降壓、同步升壓以及反激式轉換器
同步轉換器源自經典的降壓和升壓轉換器。之所以稱為同步轉換器,是因為它用一個額外的有源開關取代了二極管。反激式轉換器與同步轉換器類似,不同之處在于通過用耦合電感器(也稱為 1:1 變壓器)取代電感器,增加了隔離功能。增加這種變壓器可以起到隔離的作用,但可能需要一個電壓箝位緩沖電路來抑制變壓器的漏電流。由于結構和調制方案簡單,這些轉換器的成本較低,但與一些更先進的拓撲結構相比,損耗和電磁干擾(EMI)往往較高。

圖3.同步升壓

圖4.同步降壓
對稱升壓-降壓
對稱降壓-升壓轉換器是一種應用于高功率系統中的三電平拓撲結構實例。如前所述,對于標準的兩電平轉換器,開關上的電壓應力來自于總母線電壓,而對于更高功率的系統,這一數值可能達到1000V或更高。這就需要在高功率系統中使用額定電壓為1200V及以上的晶體管。與此相反,像對稱降壓-升壓轉換器這樣的三電平拓撲僅需使用額定電壓為母線電壓一半的器件,且還具有降低開關損耗、減小電磁干擾(EMI)以及更小的磁性元件體積等額外優勢。其缺點主要源于對更多開關和更復雜控制算法的要求。

圖5.三電平對稱升壓-降壓
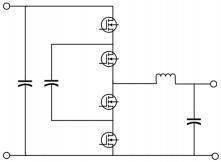
飛跨電容轉換器(FCC)
飛跨電容轉換器(FCC)是一種三電平轉換器,這種配置能夠實現雙向功率流。它由四個開關、一個電感器和一個跨接在中間兩個開關的飛跨電容組成。由于這是一種三電平拓撲結構,飛跨電容充當了箝位電容(或恒壓源)的角色,該結構還具有開關電壓應力減半的優點。因此,這種拓撲結構的優點包括使用較低電壓、具有更高性能開關、無源元件尺寸較小以及減少了電磁干擾。 這種電路拓撲結構的缺點是必須配備啟動電路,將飛跨電容的電壓調節到母線電壓的一半,從而充分利用低電壓開關的優勢。

圖6.三電平雙向飛跨電容轉換器
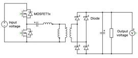
雙有源橋(DAB)
雙有源橋(DAB)是最常見的隔離型雙向拓撲之一。如圖7所示,其在初級側和次級側均采用了全橋配置。每個橋通過移相控制,即控制相對于彼此相位偏移的方波,來控制功率流方向。此拓撲的一些優點包括:每個開關上的電壓應力限于母線電壓、兩側所有開關上的電流應力大致相等,以及無需額外元件(如諧振電路)即可實現軟開關。一些缺點則是由于高電流紋波,濾波電路至關重要,且在輕載條件下轉換器的軟開關能力可能會失效。

圖7. 雙向有源橋
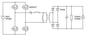
LLC諧振轉換器
LLC 轉換器是一種可利用軟開關技術的諧振拓撲結構。下圖顯示了這種拓撲結構在初級側可以采用半橋或全橋配置。LLC 轉換器通常以單向模式運行,但也可以通過將現有的二極管換成有源開關來實現雙向運行。該電路的諧振回路包括一個諧振電感器、一個諧振電容器和一個磁化電感器。與之前的 DAB 拓撲相比,該電路的一個優點是在整個負載范圍內保持軟開關特性。

圖8.半橋式LLC轉換器

圖9.全橋式LLC轉換器
CLLC諧振轉換器
CLLC 轉換器是另一種可利用軟開關技術和雙向功率流的諧振拓撲結構。 它在初級側和次級側均包含一個諧振電感器和一個諧振電容器。該電路和其他在初級側和次級側都包含全橋的電路的一個共同優點在于,其控制原理是相同的。此外,與之前的 LLC 轉換器一樣,CLLC 可在整個負載范圍內實現軟開關特性。不過,CLLC 優于 LLC 拓撲的一個原因是對稱諧振回路。LLC 拓撲具有非對稱諧振回路,導致反向操作與正向操作不同。具有對稱諧振回路的 CLLC 解決了這一問題,因此更容易實現雙向充電。

圖10.雙向CLLC轉換器
總結
電池儲能系統持續演進,并伴隨可再生能源發電技術得到更廣泛的應用,這催生了對更高效、更可靠功率轉換系統的需求。本文探討了現代功率轉換系統的重要特征以及實現這些特征的一些常見DC-DC電路拓撲。文中所討論的許多電路拓撲均可利用安森美免費在線的基于PLECS的Elite Power仿真工具進行仿真,以更深入地了解器件級和系統級效率。欲了解更多信息,請訪問onsemi.cn獲取業界領先的設計資源和能源基礎設施應用創新技術的最新動態。
(作者:安森美)
免責聲明:本文為轉載文章,轉載此文目的在于傳遞更多信息,版權歸原作者所有。本文所用視頻、圖片、文字如涉及作品版權問題,請聯系小編進行處理。
推薦閱讀:



