【導讀】差分信號適合于需要大信噪比、高抗擾度和較低二次諧波失真的電路,例如高性能ADC驅動和高保真度音頻信號處理等應用。《模擬對話》曾刊載過一篇相關文章——"多功能、低功耗、精密單端差分轉換器"1,其中介紹了一種有很大改進的單端轉差分電路,它具有很高輸入阻抗,最大輸入偏置電流為2 nA,最大失調 (RTI) 為60 μV,最大失調漂移為0.7 μV/°C。性能改進是通過在反饋環路中將OP1177與差分增益為1的AD8476級聯而實現的。

圖1. 改進的單端轉差分電路
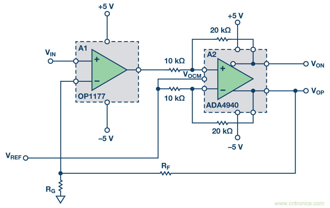
然而,許多應用需要更大的輸出動態范圍,例如溫度和壓力傳感器輸出的信號調理等。如果還能調節共模,那么該電路將能非常方便地與許多ADC接口,其基準電壓決定滿量程范圍。

圖2. 具有改進動態范圍的單端轉差分電路
將環路內部差分放大器的增益配置為大于1的值,可提高電路的輸出動態范圍(圖2)。輸出通過下式計算:

其中RG保持開路,電路的總增益為2。A1 (OP1177) 的輸出通過下式計算:

注意:VREF始終增加到OP1177的輸出上,從而會限制其輸出裕量。多數應用中,VREF(輸出共模)設置在電源的中點,以提供最大輸出動態范圍。環路內部增益大于1的差分放大器,例如2中的ADA4940(增益為2),可降低A1輸出電壓,降低倍數為A2的差分增益,這樣便有助于避免圖A1輸出飽和。采用±5 V電源時,OP1177的典型輸出擺幅為4.1 V,因此,當VREF設置為0時,圖2所示電路的差分輸出電壓擺幅約為±8 V。將A2增益配置為3可進一步改善輸出動態范圍,實現電路的最大輸出擺幅。另一個可用增益為1、2和3的放大器ADA4950,也適合用作A2。
可調輸出共模
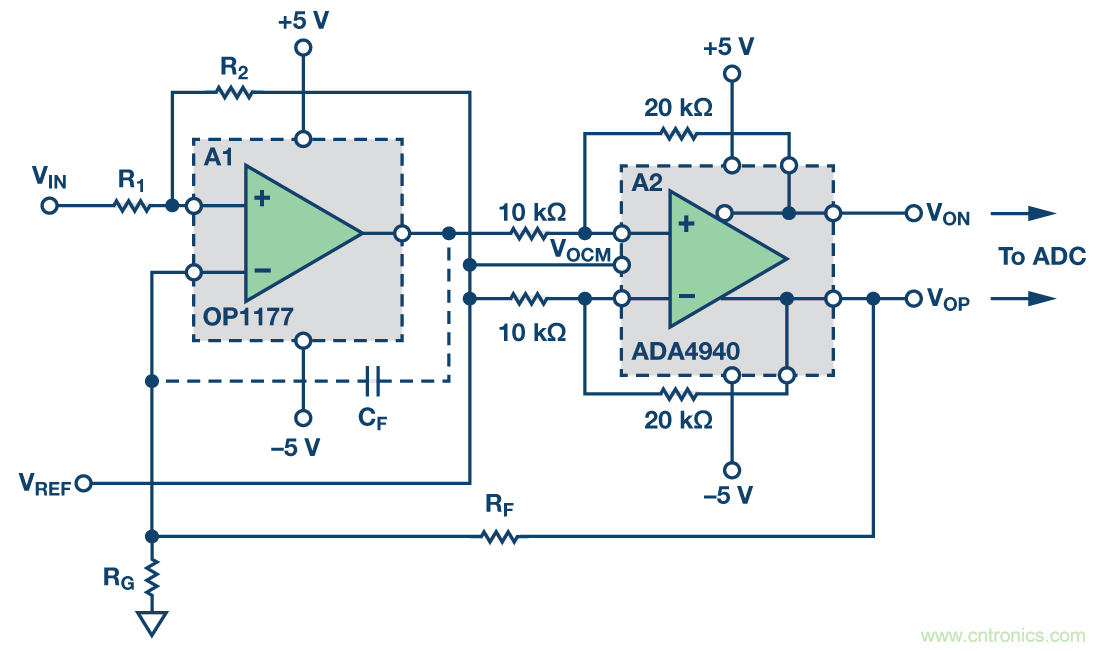
可以修改電路,使輸出共模可調且獨立于輸入信號的共模。對于輸入以地為基準且需要轉換為具有高共模的差分信號以與ADC接口的單電源應用,這樣做可帶來極大的靈活性和便利。
實現方法是在輸入端增加兩個電阻R1和R2,R2連接到VOCM。若需要,可以使用輸入放大器A1的雙通道版本OP2177,對于非常低的輸入偏置電流,可將第二放大器用作輸入緩沖器。

圖3(a) 改進的單端差分轉換器,具有可調共模。

圖3(b) 輸入和輸出圖,紅線為VOP,黃線為VON,藍線為輸入。共模為0V。

圖3(c) 輸入和輸出圖,紅線為VOP,黃線為VON,藍線為輸入。共模為2.5 V。
在圖1所示電路中,輸入以VREF為基準。參見圖3所示電路,輸入以地為基準,直接獲取后轉換為差分輸出。現在可以調節VOCM以使共模輸出偏移,而輸入仍然以地為基準。VOCM可以設為基準電壓源的一半或轉換器的中間電平。VOCM基本上像VIN一樣,用作另一個輸入。所選電阻值應滿足下式:

通過疊加,當VIN為0時,輸出值與VOCM相同。由于VOCM是設置輸出共模的值,因此差分輸出為0。若R1 = RG且R2 = RF,則輸出電壓由下式給出:

帶寬和穩定性
兩個放大器構成一個伺服環路配置的復合差分輸出運算放大器。OP1177/OP2177的開環增益和ADA4940的差分增益合并,得到電路的總開環增益,其定義電路的總帶寬。其極點的合并則使環路的相移增加。A2使用較高增益時,會降低其帶寬,并可能影響電路整體的穩定性。電路設計人員須檢查電路整體的頻率響應,評估是否需要補償。為了確保反饋系統的穩定性,經驗法則是隨頻率而變化的合并開環增益必須以–20 dB/十倍頻程的滾降速率跨過單位增益。這在最小增益(2倍增益)的應用中更為重要,因為環路增益處于最大值,相位裕量最差。提高總增益,從而減小帶寬并增加反饋環路的相位裕量,也能改善穩定性。因為環路增益減小,它會在較低的頻率跨過單位增益。環路增益由下式計算:

反饋系數β中有一個1/2 ,這 是因為輸出為差分,而反饋僅從差分輸出之一中獲得。ADA4940在2倍增益時的帶寬為50 MHz,而OP1177的單位增益帶寬約為4 MHz。受限于OP1177和閉環增益,圖3所示電路在帶寬約為1 MHz時可穩定工作。如之前文章中所指出的,當使用差分放大器無法滿足穩定性條件時,可以使用一個限帶電容,如圖3(a)所示。該電容與反饋環路內部的 RF形成一個積分器,將電路整體的帶寬限制為:
可以適當選擇電容和反饋電阻,使總帶寬受上式限制。
參考電路
1Herrera, Sandro and Moshe Gerstenhaber. "多功能、低功耗、精密單端差分轉換器.模擬對話,第46卷,第4期。
推薦閱讀:




