【導讀】在現代通信技術中,每當在傳輸高速信號的時候,特別是射頻微波信號傳輸過程中,總是不可避免的遇到因為回波損耗和輻射損耗所造成的信號衰減。如何改善這一問題?技術型授權代理商Excelpoint世健的工程師Wolfe Yu對傳輸線理論進行了科普。
在現代通信技術中,每當在傳輸高速信號的時候,特別是射頻微波信號傳輸過程中,總是不可避免的遇到因為回波損耗和輻射損耗所造成的信號衰減。如何改善這一問題?技術型授權代理商Excelpoint世健的工程師Wolfe Yu對傳輸線理論進行了科普。
各種傳輸線路的優劣分析
為了將電磁波束縛在一定橫截面內導通,防止信號向外部空間輻射,人們通常采用一種被稱為“金屬波導”的導行系統。

圖1 金屬波導的導行系統
金屬波導其實就是一個空心的金屬管,它的特點是對于高頻信號衰減少、傳輸效率高。但是波導的缺點是只能導通高頻信號,對于中、低頻信號無法傳輸。這和傳統的雙導線系統正好相反。
那么,是否有一種傳輸線,可以實現所有頻段全覆蓋呢?為了解決這個問題,科學家提出了新的解決方案——微帶傳輸和同軸傳輸技術,本文主要討論同軸傳輸技術。

圖2 同軸線傳輸線的導行系統
同軸線傳輸是由分離導體柱構成,可以傳播橫電磁波,從兩分離的導體柱結構和傳遞橫電磁波的角度來看,同軸線傳輸技術信號衰減相對較少,覆蓋頻段寬,理論上可以覆蓋全頻段,是傳輸信號的較優選擇。
同軸線傳輸還有一個優勢,高頻電磁波信號通過空間電場傳輸,主設備可以同時通過同軸線傳輸電能給從設備,這被稱之為PoC(Power-over-Coax), PoC和PoE的工作原理類似。

圖3 同軸傳輸線供電原理框圖
信道均衡技術
信道碼間串擾
在數字通信系統中,由于多徑效應、信道帶限等因素,在接收端會形成碼元拖尾。拖尾部分與相鄰碼元疊加,形成碼間干擾,導致采樣信號畸變,判決錯誤。

圖4 碼間串擾引起信號丟失及采用信道均衡技術恢復碼元
為了提高衰落信道中的通信系統的傳輸性能,工程師們往往采取的一種抗衰落措施,來消除或減弱寬帶通信時的多徑時延帶來的碼間串擾(ISI)問題,這被稱為“信道均衡”。
傳輸線網絡模型
信道均衡是為了消除碼間干擾,它的核心思想是對信道或整個傳輸系統特性進行補償,通過補償網絡使傳輸線阻抗和負載阻抗相等。

圖5 傳輸線等效模型
在高速傳輸系統中,傳輸線會產生很多寄生參數,可以采用阻容器件來建立等效分段傳輸模型。

根據信號的傳輸模型,高速信號在經過長傳輸線之后,輸出信號會產生畸變。如果不對信號作處理,信號將無法準確識別,形成碼間干擾串擾。

圖6傳輸線信號畸變引起碼間串擾
阻抗匹配的具體實現方法是,在傳輸線的基礎上,再添加一個傳遞函數,使整個傳輸系統實現阻抗匹配,這被稱為“全通濾波”或者“均衡電路”。

均衡傳輸實現方法
為了消除碼間干擾,使電路達到均衡效果,一般采用兩種方法,一種是預加重、另一種是去加重。
預加重技術就是增強信號上升沿和下降沿處的幅度,其它地方幅度不變。而去加重是保持信號上升沿和下降沿處的幅度不變,其他地方信號減弱。
根據上述分段傳輸線傳輸模型,一般會在發送端做前饋均衡FFE(Feed Forward Equalizer),在接收端做判決反饋均衡DFE(Decision Feedback Equalizer)。

圖7 均衡傳輸技術建模
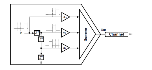
前饋均衡FFE是SerDes系統中最常用的均衡技術。通常SerDes的發送端會使用FFE技術對信號進行預均衡。FFE通過將延時的信號按不同的權重(w-1,w0,…,wn)相加。控制權重的大小調整均衡強度。

圖8 前饋均衡的預加重原理
判決反饋均衡DFE也是通過數字高頻濾波器實現的,與FFE不同的是,DFE是一種非線性均衡技術:判決后的信號為數字信號。因此,DFE可以只放大高頻信號,而不放大高頻噪聲。
圖9 判決反饋去加重原理
在DFE電路中,通常的做法,一般會在前級加上一個連續時間線性均衡CTLE(Continuous Time Linear Equalizer),CTLE的作用是作為高通濾波器和低通濾波器配合,實現信號的全通濾波。

圖10 同軸均衡傳輸技術理論可以覆蓋全頻段
Microchip基于CoaXpress一攬子解決方案
Microchip推出的一種基于CoaXpress的視頻傳輸方案就是基于均衡法的同軸傳輸。
EQCO125X40集成均衡器、CDR和電纜驅動。它可以實現在一根電纜或PCB跟蹤對上發送/接收信號,在1.25 Gbps/12.5 Gbps 8b/10b編碼下行傳輸,以及20.833 Mbps/41.666 Mbps 8b/10b編碼的上行傳輸。在ADAS圖傳應用中,視頻信號通過同軸線進行無損耗傳輸給高算力的平臺做進一步處理,這種算法已經被越來越多的客戶所接受。
圖11 Microchip基于CoaXpress技術的圖傳解決方案
這顆芯片搭載在基于Microchip PolarFire視頻平臺上,客戶可以利用Microchip提供的免費IP安裝包輕松完成產品開發,縮短開發流程,其授權代理商Excelpoint世健能提供相應的技術支持和指導,幫助客戶更高效地進行產品開發。
免責聲明:本文為轉載文章,轉載此文目的在于傳遞更多信息,版權歸原作者所有。本文所用視頻、圖片、文字如涉及作品版權問題,請聯系小編進行處理。
推薦閱讀:







