【導讀】晶振應該是陪伴我們最多而我們卻并非那么熟悉的元器件之一,其頻率對于電路的運作很重要,今天我們詳細介紹晶振的諧振頻率調整與常見應用。
晶振應該是陪伴我們最多而我們卻并非那么熟悉的元器件之一,其頻率對于電路的運作很重要,今天我們詳細介紹晶振的諧振頻率調整與常見應用。
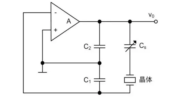
諧振頻率的調整
通常石英晶體產品給出的標稱頻率是外接一個小電容Cs(在石英晶體產品的技術手冊中常稱為負載電容)時校正的振蕩頻率,Cs與石英晶體串接如圖1所示。利用Cs可使石英晶體的諧振頻率在一個小范圍內調整。
Cs的值應選擇得比C大。

圖1 石英晶體串聯諧振頻率的調整
常見應用
石英晶體振蕩器電路的形式是多種多樣的,但其基本電路只有兩類,根據晶體在振蕩電路中的不同作用,晶體振蕩器有并聯型電路和串聯型電路。
. 并聯型電路中,石英晶體以并聯諧振的形式出現,工作在略高于fs呈感性的頻段內,用來作為三點式電路中的回路電感;
. 串聯型電路中,石英晶體以串聯諧振的形式出現,工作在fs上,等效為串聯諧振電路,用作為高選擇性的短路元件。
必須強調指出,晶體只能工作在上述兩種方式,而不能工作在低于fs和高于fp呈容性的頻段內,否則晶體的頻率穩定度將明顯下降。
以并聯晶體振蕩器為例,其交流通路如圖2所示。

圖2 并聯晶體振蕩器
從相位平衡的條件出發來分析,電路的振蕩頻率必須在石英晶體的fs與fp之間,即晶體在電路中起電感的作用。顯然,電路屬于電容三點式LC振蕩電路,振蕩頻率由諧振回路的參數(C1、C2、C3和石英晶體的等效電感Leq)決定。C1、C2直接并接在晶體兩端,是晶體的負載電容;CS為微調電容,可調節并接在晶體上的負載電容,從而改變振蕩器的振蕩頻率。
但應注意,由于C1>>CS和C2>>CS,所以振蕩頻率主要取決于石英晶體與CS的諧振頻率,與石英晶體本身的諧振頻率十分接近。石英晶體作為一個等效電感Leq很大,而CS又很小,使得等效Q值極高,其它元件和雜散參數對振蕩頻率的影響極微,故頻率穩定度很高。
對于常見的應用場景,如IC的時鐘電路,通常采用如圖3所示的電路。

圖3 IC的時鐘電路
其中C1、C2為晶體的負載電容,其值應該等于石英晶體產品的技術手冊中規定的數值。
在實際電路中,除了采用微調電容外,還可采用微調電感或者同時采用微調電感和微調電容。在頻率穩定度要求很高的場合,可將晶體或整個振蕩器置于恒溫槽內,并將槽內溫度控制在晶體拐點溫度附近,這樣頻率穩定度可提高到10^(-10)數量級。
本文轉載自:ZLG致遠電子
免責聲明:本文為轉載文章,轉載此文目的在于傳遞更多信息,版權歸原作者所有。本文所用視頻、圖片、文字如涉及作品版權問題,請聯系小編進行處理。
推薦閱讀:




