【導讀】有個笑話:朋友感慨:“現在科技發展這么快,說不準哪天電視都觸屏了。”另一朋友說:“你傻啊!有遙控器不用,非要走過去用手指戳?”反過來想想,如果能像遙控電視一樣遙控電腦,躺在床上就能遙控程序的執行或者系統的關閉,那多方便。但市場上功能稍好點的電腦遙控器都要上百元,倒不如自己動手做一個。來看看這位網友是怎么DIY的吧!
看了不少有關PC加裝遙控器的DIY文章,就尋思著也想遙控自己的電腦。但是買一個PC遙控器要花100多元,感覺很不爽,畢竟我也是DIY迷嘛,所以決定自己做一個。但是仔細看看那些文章上的遙控器,只有很簡單的功能,不能遙控軟件和相關硬件。在網上查了一些資料,有一個國外的紅外遙控軟件Grider,很好用,功能也很強,而且是免費的,也就決定針對它做一個自己的PC遙控器。
它使用AT89C2051單片機和PC串口相連接,音源切換芯片使用了CD4066,可以進行4路立體音音源的切換,4路輸入1路輸出,跟據自己的實際需要我只做了其中的兩路。我還寫了一PC軟件用來控制它。切換器外觀可以看下圖1,PC軟件外觀可以看圖2。于是在這個基礎上我加了一個遙控接收頭和遙控器,并重新改寫了單片機程序,成功的制作了超級PC遙控器。呵呵,就來一起看看我的制作過程吧。

圖1:電腦音源切換器

圖2:電腦音源切換器的PC控制軟件界面

圖2:電腦音源切換器的PC控制軟件界面

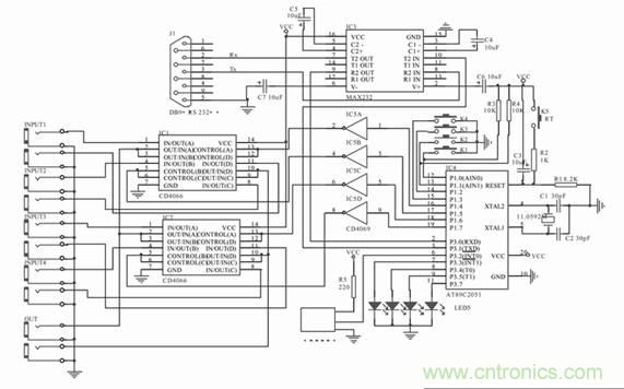
圖3:電路圖


表1:元件表
DIY電腦遙控器硬件原理
這個DIY制作要求有一定的電子知識,因為使用的元器件比較多一些,而且要用到單片機。所有沒有一定電子基礎的讀者就要小心行事了,做不好可不關我事了。先來說說電路的簡單原理,單片機AT89C2051串口通過一片MAX232轉換成可與PC串口相連接的RS232信號。IC5為一片CD4069六反相器,因51單片機上電復位后,IO口全置1,引腳高電平,如直接連接CD4066就會選通所有音源,所以要用反相器全部變為低電平去連接CD4066。K1至K4為四個常開按鍵,分別控制四個音源,P1.0和P1.1要使用10K的上拉電阻把電平拉高,另兩個不用也能正常工作。K5為復位鍵,復位后切換狀態為全部禁止。紅外遙控信號通過一體化紅外接收頭接收再通過AT89C51解碼再發到PC串口,軟件就可以根據發來的編碼和定義的操作做出反應。這里的制作主要要求有電子知識去識別元件和焊接技術,在我自己的實際制作中,元件的連接都是細銅線焊接的。
[page]
遙控器我選用了SAA3010芯片的遙控器,到電子市場買時只要告訴要買SAA3010芯片的遙控器,商家一般會知道。一體化遙控接收頭就使用普通VCD機用的接收頭就行了。所有元器件加起來就30元左右吧。遙控器和接收頭引腿說明看下面的圖4,圖5。具體焊接這里就不說了。我想大多數DIY迷還是有一定的焊接經驗的。

圖4:SAA3010遙控器(彩電用)

圖5:一體化紅外遙控接收頭引腿圖

圖5:一體化紅外遙控接收頭引腿圖
PC遙控器單片機程序
這個DIY制作要用到單片機,而單片機則相當于一臺小小的電腦,它同樣要編寫程序,還要把程序燒寫芯片上,和BIOS的升級原理是一樣的。當然燒寫需要專用的編程器,我自已是用TOP851(圖6),如果你要做這個超級遙控器而又沒有編程器的話,可以下載筆者編寫的51單片機程序到電子市場讓人燒寫,費用幾元。有編程器的話就下載下來自己燒到AT89C2051中。
這個DIY制作要用到單片機,而單片機則相當于一臺小小的電腦,它同樣要編寫程序,還要把程序燒寫芯片上,和BIOS的升級原理是一樣的。當然燒寫需要專用的編程器,我自已是用TOP851(圖6),如果你要做這個超級遙控器而又沒有編程器的話,可以下載筆者編寫的51單片機程序到電子市場讓人燒寫,費用幾元。有編程器的話就下載下來自己燒到AT89C2051中。

圖6:編程器
PC遙控器使用方法

表2:音源切換功能的遙控按鍵和功能對照表
表2是音源切換功能的遙控按鍵和功能對照表,其它按鍵則可以根據下面的Grider軟件的使用介紹去定義功能,如果你沒有使用音源切換功能的話這些鍵同樣可以定義為其它用途。圖7,圖8是最終的完成圖。

圖7

圖8
[page]

圖8
接線方式就好像普通功放的連線差不多,可以參看圖9。圖9a的連接方式好處是可以通過電腦上的聲卡進行音量和靜音控制。而圖9b的連接方式,好處是不開電腦也可使用遙控切換音源。

圖9:音源部分的連接方式
如何使用遙控功能呢?很簡單按下Grider的學習健,再按你想定義的遙控鍵,再定義所要的功能操作,就可以使用了。Grider的功能很強大,幾乎實現所有普通操作的功能,像音量調節、靜聲、關電源、重啟、鼠標操作、軟件上功能操作,太多了說不完,呵呵,看看下面對它的簡介,相信你也很快就能玩轉Grider紅外遙控了。圖10則是在我的電腦上使用Grider控制音量時的OSD屏顯截圖畫面。

圖10:Grider控制音量時的OSD屏顯截圖畫面
相關閱讀:
就那么簡單!DIY屬于自己的“賽格威”平衡車
http://www.sg1668.com/gptech-art/80021965
工科男的圣誕禮物:簡易LED圣誕樹DIY
http://www.sg1668.com/opto-art/80021999
不足10元!超低成本DIY便攜USB音箱
http://www.sg1668.com/gptech-art/80021948
就那么簡單!DIY屬于自己的“賽格威”平衡車
http://www.sg1668.com/gptech-art/80021965
工科男的圣誕禮物:簡易LED圣誕樹DIY
http://www.sg1668.com/opto-art/80021999
不足10元!超低成本DIY便攜USB音箱
http://www.sg1668.com/gptech-art/80021948




