【導讀】記得看過一個關于微波爐安全性的文章,其中訪問了美國某一著名大學的物理系教授,教授說不可能有微波從微波爐里泄露出來的,因為微波爐是一個只有一面開口的鐵盒子,而且在開口的那一面(即微波爐的門)裝有金屬網,網眼遠遠小于微波爐里電磁波的波長(~12cm)。
根據電磁波理論,電磁波無法穿過直徑比波長小的金屬孔。但是也許是因為理論中假設的金屬是沒有電阻的導體,而實際金屬并非這么優良的導體;而且微波爐產生的微波功率巨大(數百瓦量級),所以總有一些泄露出來。
最近看到一篇文章,講如何制作一個簡易的微波接收器來探測這些泄露的電磁波。裝置非常簡單但是可以體現很多物理含義,于是我也做了一個(如下圖)。

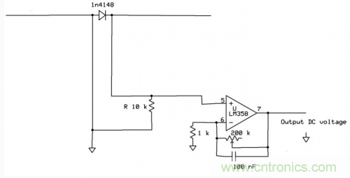
接收裝置是一個簡單的偶極天線。偶極天線的中間有一個高頻二極管(1n4148)起到整流作用,即把接收到微波頻率信號轉換成準直流。再送到一個運放組成的電壓放大(~100倍),然后用萬用表讀出直流電壓值。注意我們把它轉換成直流的原因是因為如果要直接記錄微波頻段的信號,需要非常昂貴的儀器。
電路如下圖。

DC的輸出電壓還可以用LM358上的另一個運放在進行一次放大。圖中的100nF電容起到對整流后的電信號進一步濾波的作用。
這樣就大功告成啦!我們可以把它放到微波爐附近來探測泄露出來的微波強度。
微波爐未開之前:

微波爐啟動之后(注意微波爐里應放入一杯水吸收微波,防止燒壞微波驢):

打手機產生的電磁波也能被這個裝置探測到。不過手機輻射產生的效果遠遠小于微波爐泄露的電磁波的效果。我們平時都非常提防手機的輻射,可見微波爐才是更應該值得注意的微波輻射源。
推薦閱讀:
8種IC代換技巧,助你pcb電路設計更完美
推薦閱讀:
8種IC代換技巧,助你pcb電路設計更完美
精良PCB板:是開關電源EMC的難點之一?
深度解析有效降低傳導輻射干擾的小技巧
車輛通信:英飛凌與Elektrobit攜手提升車內信息安全性
2018年CWIEME上海展高峰論壇預覽在行業變革中引領創新
深度解析有效降低傳導輻射干擾的小技巧
車輛通信:英飛凌與Elektrobit攜手提升車內信息安全性
2018年CWIEME上海展高峰論壇預覽在行業變革中引領創新




