【導讀】隨著鋰電池行業的興起,電池測試設備的市場也變得龐大,其主要應用于3C電池與動力電池的化成分容。3C電池的串數少,實際使用對每串電池要求的一致性不高,而動力電池由于串數高達數百串,并且使用環境相對極端,為保證較長的使用壽命,相比3C電池在一致性上要求高的多,因此電池在分容中要求的電流精度較高,目前按照市場要求,保持0.02%的要求是電池測試設備生產商面臨的設計挑戰,為了爭取更高的市場份額,對精度以及效率,功率密度等其他性能的追求也從未停歇。
需要知道的是在電池設備中,主要分為三大部分,分別為雙向AC-DC電能變換,數據處理單元,以及電池測試單元。本文主要剖析實現電池化成分容技術要點緊密相關的電池測試單元的功率變換部分。
功率變換
電池測試單元的功率部分主要包括模擬控制器,半橋驅動,MOSFET,輸入輸出保護器。電能變換拓撲最常用的就是半橋整流的Buck/Boost變換電路,主要是因為電路結構簡單,控制也不復雜,同時能滿足目前市面上低至0.5A或者更小以及高至上百安培的輸出電流的應用場合,不同的是在大電流應用場合,為了保證良好的散熱性能并減小體積,多采用多相Buck/Boost并聯的方式,無論單相還是兩相甚至多相,不變的是控制方案。
TL594分立方案
目前比較成熟的方案是TL594的模擬分立方案,德州儀器在之前推出過TL594方案的TI Design,如圖1所示,該方案成熟穩定,且有性價比優勢。

圖1 TI Design框圖
半橋驅動器
當測試單元的輸出電流在10A左右或以內時,驅動能力要求不大的條件下一般1A左右即可滿足要求,使用較為常見的有LM5109B和LM5106,表1。
當輸出電流在幾十上百安時,考慮MOSFET的快速切換所需要的驅動電流,UCC27282目前驅動電流2.5A source/3.5A sink電流,且HS能承受的負壓較大,可靠性較高,因為其具有的interlock的功能,所以不會變換器半橋節點的di/dt的干擾而出現半橋直通的情況。
表1:驅動器

LM5060與LM5069實現功率接口的保護器
當電池充電時,系統如果沒有電流防倒灌保護,被測試電池將放電,會產生不可靠的的系統啟動動作,同時在系統過壓過流欠壓保護時,如果只有主電路MOSFET關閉,電池仍然有電流倒灌的路徑,因此附加輸入輸出接口保護器尤為重要。LM5060與LM5069適用于輸入輸出的接口的欠壓,過壓,浪涌電流等保護,參數如表2所示。
表2:負載開關參數表

LM5170-Q1集成方案
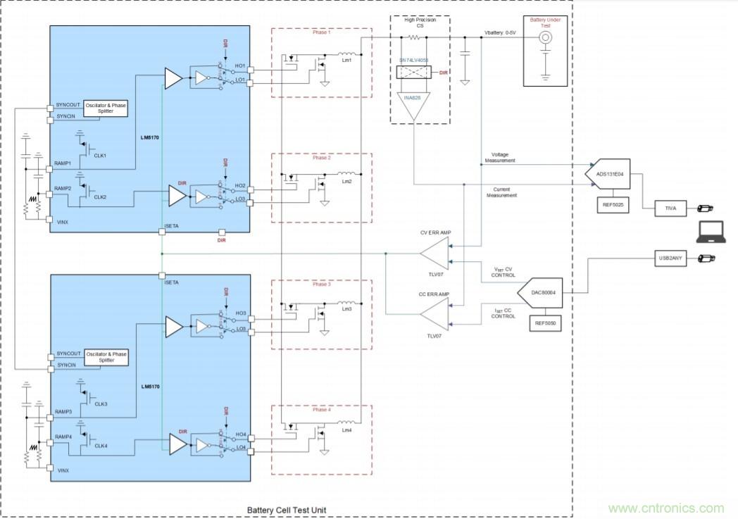
當電流較大,需要使用多相交錯并聯,而一顆TL594只能控制一相功率變換電流,同時需要外部給定給TL594同步信號,多相并聯增加了TL594分立元件方案復雜度。LM5170-Q1的方案內部含有兩路控制環路,既可獨立工作也可以交錯并聯,且集成過壓過流欠壓等保護,支持二極管仿真模式,同時也有防電流倒灌的保護電路。圖2為兩路并聯的典型應用方案TI Design: TIDA-01041,輸出電流最大100A,且具有0.02%的電流精度與0.1%的電壓精度。

圖2: TIDA-01041
LM5170-Q1方案的優勢在于不僅為信號鏈的設計留出了可自由拓展的空間,且集成度較高,為功率變換MOSFET的散熱提供了較大的空間。ti.com提供幾種不同電流大小的參考設計TID-A01041,TIDA-01042。
參考文獻:
● PMP40182: 雙向電池初始化系統電源板參考設計
● TIDA-01041: 用于多相高精度 0.5 至 100A 電池化成的電池測試儀參考設計
● TIDA-01042: 適用于 50A、100A 和 200A 應用的模塊化電池測試儀參考設計
● 電池測試設備-參考設計及 產品
推薦閱讀:




