【導讀】對于當前越來越多的高速信號設計而言,高速傳輸線基本上都是差分對(DDR5 數據線還是單端的)。差分對設計的好處就是正端和負端是幅值大小相等,方向相反的進行傳遞,當外界對其有干擾時,正負相互抵消所以抗干擾能力比較強,另外共模噪聲比較小,向外輻射的能量也少。
編者注:
到底是用緊耦合好還是松耦合好,之前也有研究過一些東西,后來無疾而終。其實這是一個比較難回答的問題,首先,緊耦合和松耦合的定義就不是非常的明確;其次,松耦合和緊耦合的可選擇性不強,因為現在大多數的產品空間都比較受限制。所以本文純粹是通過一個實驗從信號完整性方面來做一個驗證。歡迎大家一起討論。
對于當前越來越多的高速信號設計而言,高速傳輸線基本上都是差分對(DDR5 數據線還是單端的)。差分對設計的好處就是正端和負端是幅值大小相等,方向相反的進行傳遞,當外界對其有干擾時,正負相互抵消所以抗干擾能力比較強,另外共模噪聲比較小,向外輻射的能量也少。
在高速電路的設計中,往往對傳輸線的阻抗有明確的要求,比如要求為100ohm,對于差分對而言,影響阻抗的因素很多,包括傳輸線的線寬、線間距、材料的介電常數、傳輸線到參考層的距離、傳輸線導體的厚度,下圖是ADSCILD的計算阻抗的示意圖,紅色圈圈出來的參數都會影響到阻抗:
所以如果只是為了保證阻抗,設計的方式有很多種。傳輸線間距寬和窄就是大家非常常見的一種設計狀況。
上圖中線寬為5.7mil,線間距為7mil,所以,為了保證阻抗不變,把線寬和線間距的值修改為4mil和3.49mil,其它參數都保持不變,計算出來的阻抗為100ohm,如下圖所示:
從上述兩組值中可以看出來,后一組可以認為是緊耦合,前一組為松耦合。下面從無源和有源兩個方向進行對比,即對比插入損耗和眼寬、眼高。
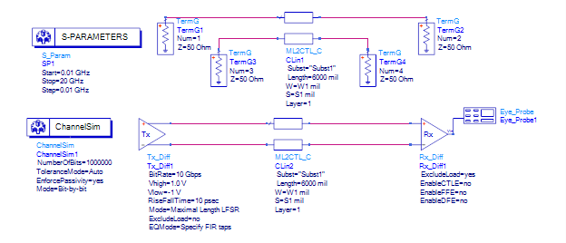
在ADS中搭建原理圖如下圖所示:
傳輸線的長度為6inch,分別針對兩組值進行仿真,獲得的仿真結果,如下圖所示為插入損耗的對比結果:
從上圖中可以看到插入損耗在低頻的時候,耦合的比較緊的時候稍微大一點,在超過5GHz之后,耦合的比較緊的時候損耗小一點。
下圖為兩種情況眼圖的對比:
從上圖中可以看到,松耦合的眼寬和眼高都比緊耦合大一點點,眼高大15mv,眼寬大0.5ps。
綜上所述,松耦合的損耗在低頻時(5GHz)稍微小一些,在高頻時(超過5GHz)大一些,但是都只相差一點點;眼圖雖然松耦合會好一點,但是相差也不大,松耦合的眼高大了15mV。理論上來講,為了保證阻抗一致性,在緊耦合時,線寬必然會細一些,在松耦合時線寬寬一點。在緊耦合時,隨著速率越高,趨膚效應越大,損耗也就會越大。
當然,以上只是從實驗上獲得的一些表象結果,也僅僅是從信號完整性的角度來分析的。如果要進一步的研究緊耦合和松耦合,可以考慮從多方面進行驗證和研究,比如保證線寬不變,改變介電常數,使線間距變化,研究結果的變化,或者再增加輻射的驗證等等。
(來源:信號完整性微信公眾號 ,作者:蔣修國)
免責聲明:本文為轉載文章,轉載此文目的在于傳遞更多信息,版權歸原作者所有。本文所用視頻、圖片、文字如涉及作品版權問題,請聯系小編進行處理。
推薦閱讀:





