【導讀】直流母線電容常用于電源轉換器。我們知道,電源轉換器的輸入源和輸出負載具有不同的瞬時功率、電壓和頻率,直流母線電容從中起到一個緩沖作用。
樓氏電容
直流母線電容常用于電源轉換器。我們知道,電源轉換器的輸入源和輸出負載具有不同的瞬時功率、電壓和頻率,直流母線電容從中起到一個緩沖作用。
在電動汽車(EV)應用中,直流母線電容有助于抵消逆變器、電機控制器和電池系統中電感的影響。它們還充當過濾器,保護電動汽車子系統免受電壓尖峰、浪涌和電磁干擾(EMI)的影響。
圖1. 電力轉換系統中直流母線電容的常見用途
(來源:Center of Reliable Power Electronics:https://vbn.aau.dk/ws/portalfiles/portal/152271344/reliability_of_capacitors_for_dc_link_applications_an_overview.pdf)
我們再來看下車載充電器(OBC),它負責為牽引電池充電,工作原理可簡單劃分為三個階段,如圖2所示:
?一階段:AC/DC轉換器通過整流和功率因素校正(PFC)將電網的交流電(AC)轉換為直流電(DC)
?二階段:中間直流電路進行能量緩沖
?三階段:DC/DC轉換器對直流電壓作調整,以提供電池適用的直流電平
圖2. OBC的交流/直流轉換簡化原理圖
如圖所示,直流母線電容Cbulk 被置于整流器和DC/DC轉換器之間。該電容器的理想特性包括:
? 高直流耐壓:300V至500V
? 極大的容值:200μF至1500μF
? 工作溫度范圍:-40°C至+150°C
? 低等效串聯電阻(ESR):< 1.5mΩ
? 高均方根(RMS)電流容量
? 高機械強度
為了獲取高容值,我們需要用到多個電容器或一個電容器陣列。針對此類應用,樓氏電容(KPD)推薦我們的StackiCap?系列高壓高容X7R電容器,規格范圍1812-3640,250V-2kV,27nF-5.6μF。直流母線電容器還必須能夠處理兩倍的電路頻率,因此,常見的電路設計包括多層陶瓷電容器(MLCC)以及與之并聯的其他類型的電容器。
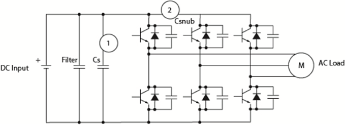
此外,電動汽車(EV)的電機驅動電路中的逆變器也會用到直流母線電容(如圖3所示)。逆變器將電池的直流電轉換為三相交流電,在加速時驅動牽引電機,然后在制動時再將交流電轉換回直流電。它還能夠檢測電機的速度和位置,并驅動絕緣柵雙極晶體管(IGBT)功率級。
圖3. 電機驅動電路中逆變器的簡化原理圖
在這個子系統中,直流母線電容器或平滑電容器Cs被并聯在電壓轉換器的直流(電池)和交流(負載)側之間。電容器的規格與之前的OBC例子大致相同,因此我們推薦使用同樣具有高均方根(RMS)電流容量的StackiCap?系列 X7R電容器。為了滿足應用的高容值需求,小尺寸的MLCC可與薄膜電容及鋁電解電容一起使用,以便更接近IGBT開關器件的集成,并改善高頻衰減問題。
鑒于電動汽車應用中需要大量的轉換器和逆變器,因此選擇合適的高壓、高容值的直流母線電容對整個系統的正常運行非常重要。欲了解更多信息,請點擊下方閱讀原文,獲取我們的白皮書《為電動汽車選擇適用的車載級多層陶瓷電容器的參考因素》。
(來源:Knowles樓氏電容公眾號,作者:樓氏電容)
免責聲明:本文為轉載文章,轉載此文目的在于傳遞更多信息,版權歸原作者所有。本文所用視頻、圖片、文字如涉及作品版權問題,請聯系小編進行處理。
推薦閱讀:
安森美和Ride Vision合作,為摩托車騎行者提供先進的安全方案





