【導讀】在追求電池管理系統(BMS)極致性能的過程中,主動均衡已超越單一的電路功能,演變為一項需要硬件架構與軟件策略深度協同的系統級工程。真正的“高效”與“簡潔”,并非僅通過優化單一方面實現,而是源于對能量轉移硬件拓撲與智能均衡管理算法的統籌設計。本文將深入解析支撐高效主動均衡的兩大支柱:一是如何審慎選型與集成關鍵IC及外圍元件,構建精簡可靠的硬件基礎;二是如何設計主導均衡過程的核心算法策略,從而在系統層面實現性能、成本與復雜度的最優平衡。
摘要
在追求電池管理系統(BMS)極致性能的過程中,主動均衡已超越單一的電路功能,演變為一項需要硬件架構與軟件策略深度協同的系統級工程。真正的“高效”與“簡潔”,并非僅通過優化單一方面實現,而是源于對能量轉移硬件拓撲與智能均衡管理算法的統籌設計。本文將深入解析支撐高效主動均衡的兩大支柱:一是如何審慎選型與集成關鍵IC及外圍元件,構建精簡可靠的硬件基礎;二是如何設計主導均衡過程的核心算法策略,從而在系統層面實現性能、成本與復雜度的最優平衡。
引言
承續本系列已闡述的主動均衡概念,接下來將從兩個維度繼續討論該主題:均衡架構和均衡算法。我們將從硬件和軟件兩個層面,探討如何設計一個高效、精簡、易于部署與評估的系統級主動均衡解決方案。
本文(本系列的第三部分)重點介紹均衡架構。設計方案中包括一個開關矩陣主板、兩個反激電源板、一個電池管理系統(BMS)控制板、一個微控制器單元(MCU)評估板和一個isoSPI隔離通信評估板。以下章節將簡要介紹每個硬件板的功能。
開關矩陣電路板
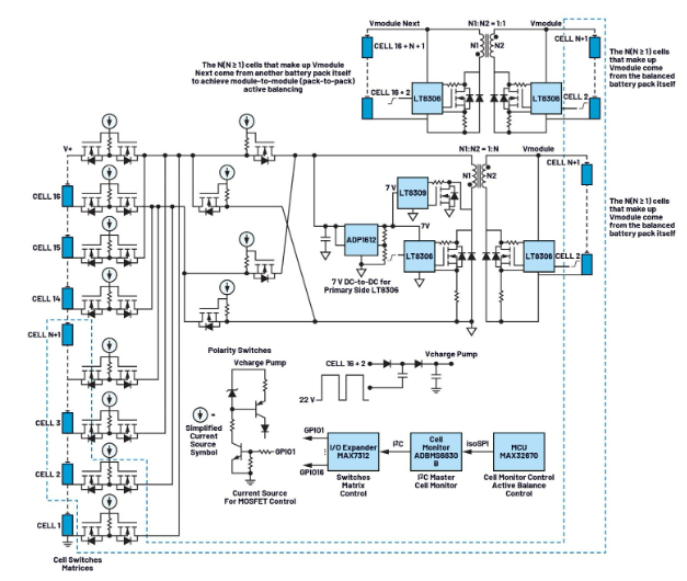
在主動均衡設計中,電荷需要在電芯之間以及電池包之間傳輸。正如本系列第二部分所述,更高效、更精簡的均衡解決方案采用多電芯電池包,并使用兩個獨立的反激電路和兩個變壓器:一個專用于電芯之間的均衡,另一個專用于電池包之間的均衡。開關矩陣以時分復用的方式,選擇性地將不同電芯連接到主動均衡電路。
該主動均衡架構中的開關矩陣是基于先前討論的概念構建而成。它包含一個16通道電芯選擇矩陣,能夠精確接入目標電芯進行均衡。此外還有四個極性選擇開關,用于在選定電芯連接到反激電路時調整電壓極性。整體均衡架構如圖1所示。

圖1.主動均衡電路架構示意圖
該架構使用單個反激電源級,通過在電池包內的多個電芯之間分時共享一個反激轉換器來實現電芯間均衡。可選擇被均衡電池包中16個電芯中的任何一個進行均衡。
反激電源級由LT8306驅動,后者是一款高集成度且高效的控制器,只需極少的外部元件,非常適合主動均衡系統中的隔離式能量轉移應用。模組電壓直接來源于已均衡的電池包,因此在運行期間,即使單個電芯電壓出現波動,占空比變化仍能保持最小。這使得充電和放電能夠接近恒流,從而帶來更穩定的硬件性能,并大大簡化主動均衡算法的開發和調試,如表1所示。
理論上,源自電池包中N個電芯的模組電壓Vmodule可能并不完全等于N × Vcell(任何單個電芯的電壓),但實際上,配置良好且運行正常的主動均衡系統能以非常高的一致性維持Vmodule ≈ N × Vcell。

圖2.基于本文所提出架構的單電芯放電的LTspice仿真
表1.電芯均衡期間的占空比變化(假設模組電壓為N個電芯的電壓之和,其中N = 8)

占空比(電芯放電)= (Vcell × N + VF) × NPS/(Vcell + (Vcell × N + VF) × NPS)
占空比(電芯充電)= (Vcell + VF) × NSP/(Vcell × N + (Vcell + VF) × NSP)
NPS = 1:N;NSP = N:1;VF = 0.3 V
反激電路設計和仿真
LT8306與Würth變壓器(產品型號749119533)和必要的無源元件結合使用,可實現隔離式反激電源級,作為主動均衡架構的一部分,用于電芯之間的能量轉移。
圖2和圖3展示了該架構中使用的反激電路的LTspice?原理圖和相應的仿真結果。仿真清楚地表明,該電路實現了預期的電芯充放電雙向均衡。
升壓轉換器和同步整流
在該架構中:
?在電芯側,LT8306由7 V穩壓電源供電。假設單個鋰離子電芯的最大電壓為4.2 V,該架構的推薦工作范圍為3.0 V至4.2 V,則7 V電源軌由ADP1612升壓轉換器對電芯電壓進行升壓來產生。該器件是一款高性價比、高效率轉換器,非常適合將均衡電路中的低電芯電壓升高至適當的電平,以確保LT8306在最佳范圍內工作。
?在電芯均衡充電期間,反激輸出與單個電芯的電壓一致。在如此低的電壓和相對較高的充電電流下,使用二極管進行續流會造成顯著的損耗和過熱問題,而且這些問題會隨著電芯電壓下降而變得更加嚴重。但是,若將LT8306與LT8309等同步整流控制器配合使用,則可實現高效率轉換路徑,同時最大限度地減輕熱應力,尤其是在低電壓、高電流情況下。

圖3.基于本文所提出架構的單電芯充電的LTspice仿真
圖4顯示了采用ADP1612升壓轉換器和LT8309同步整流以實現主動均衡的反激電源級的完整LTspice仿真。
反饋設計考量因素
利用LT8306進行主動均衡的一個關鍵因素是其反饋網絡的設計。從電芯到反激電路輸入端的路徑的總電阻(稱為RROUTE)通常不容忽略。該電阻由以下幾部分構成:電芯內阻、母線電阻、線束電阻、連接器電阻、保險絲電阻、PCB走線電阻以及六個串聯MOSFET的總導通電阻RDS(ON)。
根據元件選擇、線束質量和實際裝配條件,RROUTE可能會有很大差異,從幾十毫歐到幾百毫歐不等。其精確值通常需要現場測量才能確定。當乘以平均充電電流(ICHARGE,可達數安培)時,RROUTE兩端的電壓降可能在幾十到幾百毫伏之間。對電芯充電時,次級側LT8306以相對較高的開關頻率(Fsw)工作。在這種情況下,由電芯輸入端反激級的大布線電阻(RROUTE)和大輸入電容器(CINPUT)形成的時間常數τ = RROUTE × CINPUT變得非常重要。如果該τ超過反激開關周期(Tsw = 1/Fsw),特別是如果它超過次級LT8306關斷時間(Toff),那么當LT8306采樣保持誤差放大器對次級電壓進行采樣時,RROUTE兩端的電壓降尚未衰減到0 V。
因此,當τ較大時,必須將此電壓降的影響納入LT8306反饋電阻網絡的計算中。雖然與總模組電壓相比,此電壓降相對較小,但相較于單個電芯的電壓,此電壓降卻很大。
因此,使用LT8306設計電池充電電路時,必須將此電壓降納入反饋電阻的計算中。與數據手冊中給出的公式相比,改進后的反饋電阻計算公式為:

而原式為:

RFB = 反饋電阻
VOUT = 輸出電壓
VF = 輸出二極管正向電壓
NPS = 變壓器有效初級/次級匝數比
VROUTE = RROUTE兩端的電壓降
這種調整可確保電壓調節精準且運行穩定,尤其是在電芯充電電流較高的情況下。

圖4.基于本文所提出架構(同步整流)的單電芯充電的LTspice仿真
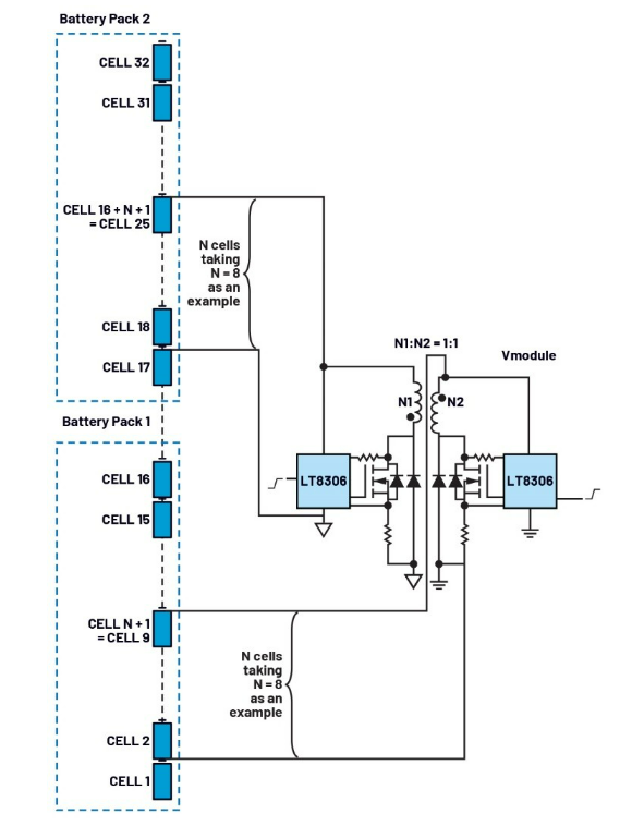
電池包間的主動均衡設計
我們還針對電池包間均衡場景進行了LTspice仿真和實驗驗證。由于核心操作與電芯間均衡非常相似,因此圖5中僅展示了仿真原理圖和關鍵結果。
實施基于電壓的電池包間均衡策略時,務必確保電池模組之間的均衡電流路徑不經過電池包的主端子(V+和V-)。這種預防措施可防止干擾電池包總電壓的測量,無論是直接在V+和V-之間測量,還是通過對電芯1至電芯16的各個電芯電壓求和來計算。

圖5.基于本文所提出架構的電池包間均衡的LTspice仿真

圖6.不同電池包間均衡連接方法對電池包電壓測量的影響
圖6展示了不同接線方法對電池包電壓測量精度的影響,而圖7顯示了針對電池包間均衡的建議連接方案。

圖7.電池包間均衡的建議連接方法
BMS控制板
主動電芯均衡的實現根本上依賴于BMS,更具體地說,依賴于BMS電芯監控單元提供的功能。在主動均衡架構中,電芯監控器發揮著幾個重要作用,包括:
1. 實時監控每個電芯的狀態——跟蹤電壓、溫度和保護限值(如過壓和欠壓狀況)。
2. 開路故障檢測和診斷——確保整個系統的安全性和可靠性。
3. 均衡開關控制——充當I2C主機,解譯從MCU通過isoSPI接收到的均衡指令,并將其轉發到I/O擴展器芯片,根據需要管理讀/寫操作。
4. 均衡狀態管理——通過I2C來處理板載EEPROM運行數據的讀寫操作。
5. 菊花鏈通信——以菊花鏈配置高效傳輸數據,盡量減少MCU的需求量。
以上只是主動均衡電路中電芯監控器眾多功能的一部分,但已然清楚地說明了其所發揮的關鍵作用。
在該架構中,ADBMS6830B用作BMS控制單元。這款高性能多電芯電池組監控器支持測量多達16個串聯電芯;在全溫度范圍內,整個使用壽命期內的總測量誤差(TME)小于2 mV。因此,它能夠對已均衡電池包中的所有16個電芯進行精確、實時的電壓監控。
ADBMS6830B的輸入測量范圍為-2 V至+5.5 V,兼容多種電池化學體系,從高電壓的鋰鎳錳鈷氧化物(NMC)電芯到低電壓的LiFePO4電芯,可靈活適配不同類型的電池。此外,所有電芯均可通過兩個獨立的ADC進行同步和冗余采樣,從而確保電壓數據高度準確可靠,使均衡算法有效運行。
MCU評估板
在此架構中,MAX32670用作主要控制單元。除非另有說明,后續提及的所有MCU均指MAX32670。它是一款超低功耗、高性價比且高度可靠的32位微控制器,能夠提供復雜傳感器和控制任務所需的處理裕量,非常適合工業和物聯網應用。
在該主動均衡架構中,控制邏輯分布在兩個主要位置:
1. 主機端控制——PC上運行的主動均衡GUI。
2. 嵌入式控制——MCU上執行的固件。
MCU通過UART與主機GUI通信,并通過SPI與BMS對接;通常采用isoSPI模塊來實現電氣隔離并提升通信穩健性。MCU還利用定時器和GPIO等內部外設來管理均衡過程中的時序、狀態控制和I/O功能。
目前,該架構未設計定制MCU板,而是采用MAX32670EVKIT評估板。這種方式可加快開發速度,固件和驅動程序代碼可利用SDK編寫和調試,然后寫入到MCU的閃存中,并與主動均衡GUI一起進行驗證,從而實現全功能系統驗證,而無需在早期階段使用定制MCU PCB。
isoSPI隔離通信評估板
在該架構中,DC2792B隔離通信評估板(基于LTC6820)用于實現MCU與電芯監控器之間的通信。LTC6820支持兩個電氣隔離器件之間通過單條雙絞線纜進行雙向SPI通信。
在運行過程中,它將MCU的4線SPI信號轉換為2線isoSPI脈沖信號,以傳輸到電芯監控器,同時能夠反其道而行,將從電芯監控器接收到的isoSPI信號解碼回MCU使用的標準4線SPI信號。
LTC6820的隔離功能并非強制要求,但它通過在電氣上隔離高壓域和低壓域,顯著提升了系統的可靠性和安全性。這可以保護電池包、BMS控制電路和MCU硬件,同時將高壓風險降至最低,從而增強系統開發人員和最終用戶的安全保障。出于這些原因,強烈建議在該架構中使用LTC6820。
均衡過程中的SOC計算
該架構實現了接近恒流的充電和放電過程,有利于電芯均衡,大大簡化了均衡過程中對荷電狀態(SOC)的估算和監控。由于該架構在整個均衡過程中維持接近恒定的電流,因此用戶通常只需要跟蹤三個關鍵參數:均衡持續時間、均衡狀態(充電或放電)和預測量的均衡電流。利用這些參數可以獲得近似的SOC估計值,而無需專用庫侖計數器IC。
當然,對于均衡過程中需要更高精度SOC計算的應用,使用庫侖計仍然是最準確的方法。
主動均衡架構的物理演示
該架構的物理實現如圖8至圖11所示。這些圖片展示了用于在由16電芯組成的電池包中實現主動均衡的硬件設置。

圖8.主動均衡架構內的主板

圖9.架構中有兩個反激電路:一個專用于電芯間均衡,另一個專用于電池包間均衡

圖10. 架構中的isoSPI通信板和MCU控制板

圖11.在使用真實16電芯電池包(每個電芯的額定容量為40 Ah)的主動均衡實驗中,該架構的物理接線和連接圖
結語
本文通過對這種高效、精簡主動均衡硬件架構的深入探討,我們清晰地看到,合理選擇和整合關鍵IC與硬件板對于開發出適配的解決方案至關重要。精心挑選的元器件相互協作,共同構建起一個簡潔而高效的主動均衡系統,為電池管理系統的穩定運行和性能提升提供了有力保障。未來,隨著技術的不斷進步,相信主動均衡技術將在更多領域綻放光彩。
推薦閱讀:
權威認證+生態合作,兆易創新車規芯片獲ISO 21434與ASPICE CL2國際認可
簡單制勝——第二部分:探索BMS設計中的高效主動均衡“最優解”
簡單制勝——第一部分:化繁為簡!BMS秉承簡單制勝原則兼顧效率與成本




