【導讀】通常采用RS-485接口的工業自動化可編程邏輯控制器(PLC)通信端口可能因為模塊熱插入PLC機架而遭受靜電放電(ESD)沖擊和通信錯誤。這些危險條件可能會妨害數據通信,或是對RS-485接口造成永久性損傷。
簡介
通常采用RS-485接口的工業自動化可編程邏輯控制器(PLC)通信端口可能因為模塊熱插入PLC機架而遭受靜電放電(ESD)沖擊和通信錯誤。這些危險條件可能會妨害數據通信,或是對RS-485接口造成永久性損傷。
RS-485規定為多點標準,意味著可在同一總線上最多連接32個收發器,并且其中的任一收發器均可將信號驅動到RS-485總線上。部分收發器,比如ADM3066E,可支持多達128個總線節點。多點系統支持完全熱插拔非常重要,因為這有助于確保在任何時候僅有一個RS-485驅動器處于有效狀態。如果RS-485總線上有多個驅動器處于有效狀態,則會存在總線爭用情況,這可能導致數據錯誤。
ADM3066E完全熱插拔功能旨在解決因意外使能RS-485收發器而導致的總線競爭問題。RS-485收發器可能由于電源或接地端與RS-485驅動器和接收器使能輸入發生電容耦合而意外使能。RS-485收發器也可能由于相鄰微控制器的漏電流導致驅動器和接收器使能輸入中產生漂移而使能。
PLC模塊通信用裸露RS-485連接器和線纜上的ESD是一種常見現象。可編程控制器的系統級IEC 61131-2標準要求最低±6 kV(接觸)和±8 kV(空氣)的IEC 61000-4-2 ESD保護。 ADM3066E超過了這一要求,提供±12 kV(接觸)和±12 kV(空氣)的IEC 61000-4-2 ESD保護。

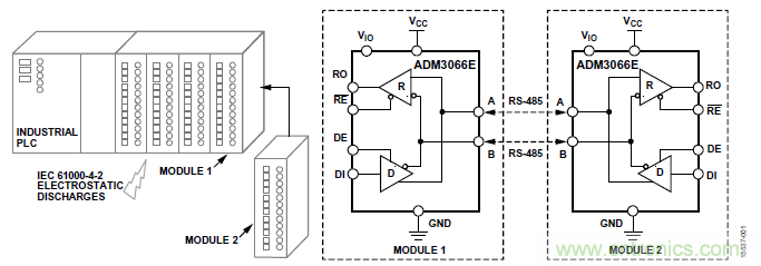
圖1.將具有RS-485通信端口的模塊2添加到通電的工業PLC總線
完全熱插拔支持 無毛刺上電和掉電
將一個模塊或一片印刷電路板插入帶電(或熱)背板時,對數據總線的差分干擾可能導致數據錯誤。在此期間,處理器邏輯輸出驅動器為高阻抗,無法將RS-485收發器的DE和RE輸入驅動到規定的邏輯電平。
如圖2所示,處理器邏輯驅動器高阻抗狀態的漏電流最高可達±100 μA,可能導致標準互補金屬氧化物半導體(CMOS)使能收發器的DE輸入和RE輸入,使其漂移到錯誤的邏輯電平。此外,如圖3所示,電路板寄生電容可能導致VCC引腳或GND引腳耦合到使能輸入。若無熱插拔能力,這些因素可能會不當地使能收發器的驅動器或接收器。為防止不當使能驅動器或接收器,ADM3066E集成了熱插拔電路。這一熱插拔電路可確保VCC上升時,內部下拉電路將DE引腳保持在低電平以及將RE引腳保持在高電平。在此配置中,驅動器和接收器被禁用的時間都很短。初始上電序列結束后,下拉電路變得透明,復位支持熱插拔的輸入。

圖2.三態漏電流可將邏輯引腳驅動到錯誤的電平

圖3.寄生電容可將邏輯引腳驅動到錯誤的電平
全面的熱插拔支持
表1列出了用于測試ADM3066E熱插拔功能的輸入和輸出引腳狀態組合。將ADM3066E電路板插入帶電(或熱)背板時,表1中列出的任一測試條件均可行。由于ADM3066E具有一個低壓邏輯電源VIO和一個VCC電源引腳,可能會出現不同的電源時序和條件。
ADM3066E的A輸出端和B輸出端在上電期間仍處于高阻抗狀態,隨后默認處于表1中所述的狀態。例如,在DE引腳和DI引腳都被拉至高電平的情況下,如果VIO和VCC同時上電且RE引腳被拉至低電平,則在A引腳確定處于預期默認的高電平且B引腳確定處于預期的默認低電平之前,A輸出端和B輸出端將仍然處于高阻抗狀態。
表1.輸入和輸出引腳狀態組合

強勁的IEC61000-4-2 ESD保護 ADM3066E系統級解決方案
PLC模塊通信用裸露RS-485連接器和線纜上的ESD是一種常見現象。可編程控制器的系統級IEC 61131-2標準要求最低±6 kV(接觸)和±8 kV(空氣)的IEC 61000-4-2 ESD保護。 ADM3066E超過了這一要求,提供±12 kV(接觸)和±12 kV(空氣)的IEC 61000-4-2 ESD保護。
圖4所示為IEC 61000-4-2標準中的8 kV接觸放電電流波形與人體模型(HBM) ESD 8 kV波形的對比。從圖4中可以看出,兩個標準規定的波形形狀和峰值電流差異很大。與IEC 61000-4-2 8 kV脈沖關聯的峰值電流為30 A,相應的HBM ESD峰值電流比該數值的五分之一還小,為5.33A。另一差異為初始電壓尖峰的上升時間,對于IEC 61000-4-2 ESD,上升時間為1 ns,相較于與HBM ESD波形關聯的10 ns時間要快得多。與IEC ESD波形關聯的功率值顯著大于IEC 61000-4-2 ESD波形的相應值。HBM ESD標準要求待測設備經受3次正放電和3次負放電,而IEC 61000-4-2 ESD標準則要求10次正放電和10次負放電測試。
與規定了多個HBM ESD保護級別的其他RS-485收發器相比,具有IEC 61000-4-2 ESD額定值的ADM3066E適合在惡劣環境中工作。

圖4.IEC 61000-4-2 ESD波形(+8 kV)與HBM ESD波形(+8 kV)的對比
推薦閱讀:






