【導讀】設計多軌電源時,每增加一個電源軌,挑戰都會成倍增加。設計師必須考慮怎樣動態協調電源排序和定時、加電復位、故障監視、提供恰當的響應以保護系統等方方面面。有經驗的設計師都知道,隨著項目從原型向生產環境轉變,成功應對這種動態變化環境的關鍵是靈活性。在開發過程中,能夠最大限度減少軟硬件更改的解決方案是理想解決方案。
理想的多軌電源設計方法是,一項設計自始至終只用一個 IC,在該產品的整個生命周期中無需更改布線。該 IC 對多個電源軌自主進行監察和排序,并與其他 IC 協作,無縫地監察系統中多個電源穩壓器,提供故障和復位管理。當系統連接到 I2C 總線時,設計師可以運用功能強大、基于 PC 的軟件,實時配置系統、實現系統可視化并調試系統。
LTC2937 正合需求。這是一款具 EEPROM 的 6 通道電壓排序器和高準確度監察器。6 個通道每個都有兩個專用的比較器以 ±0.75% 的準確度準確地監視過壓和欠壓情況。比較器門限可在 0.2V 至 6V 范圍內以 8 位分辨率單獨地設定。這些比較器速度很快,具 10μs 抑峰傳輸延遲。每個排序器通道都有一個使能輸出,可控制一個外部穩壓器或一個通路 FET 的柵極。監察器電壓和排序器定時的所有方面都是可單獨配置的,包括向上排序和向下排序順序、排序定時參數、以及故障響應。內置 EEPROM 使該器件完全實現了自主化,能夠以正確狀態加電以控制系統。此外,多個 LTC2937 可協作運行,以對一個系統中多達 300 個電源自主排序,進行所有操作時都使用單條通信總線。
通過 LTC2937 的自主故障響應行為以及調試寄存器,可控制、查看和管理電源故障。LTC2937 自動檢測故障情況,并能夠以協調一致的方式給系統斷電。該器件可保持斷電,或嘗試在故障后重新給電源排序。在具備微控制器和 I2C / SMBus 的系統中,LTC2937 提供有關故障類型和原因以及系統狀態的詳細信息。微控制器可以就怎樣響應做出決定,或者允許 LTC2937 自己響應。

表 1:具 EEPROM 的可編程 6 通道排序器和監察器
電源控制的 3 個步驟
一個電源周期有 3 個運行步驟:加電排序、監視和斷電排序。圖 2 針對一個典型系統顯示了這些階段。在加電排序時,每個電源都必須等待,然后在指定的時間內加電到正確的電壓。在監視階段,每個電源都必須保持在指定的過壓和欠壓限制之內。在斷電排序時,每個電源都必須等待 (順序常常與加電排序順序不同),然后在設定時間內斷電。在任意時刻都有可能出錯,導致系統中出現故障。設計挑戰就是,設計一個系統,其中所有這些步驟以及所有變量都可輕易配置,但必須仔細控制。

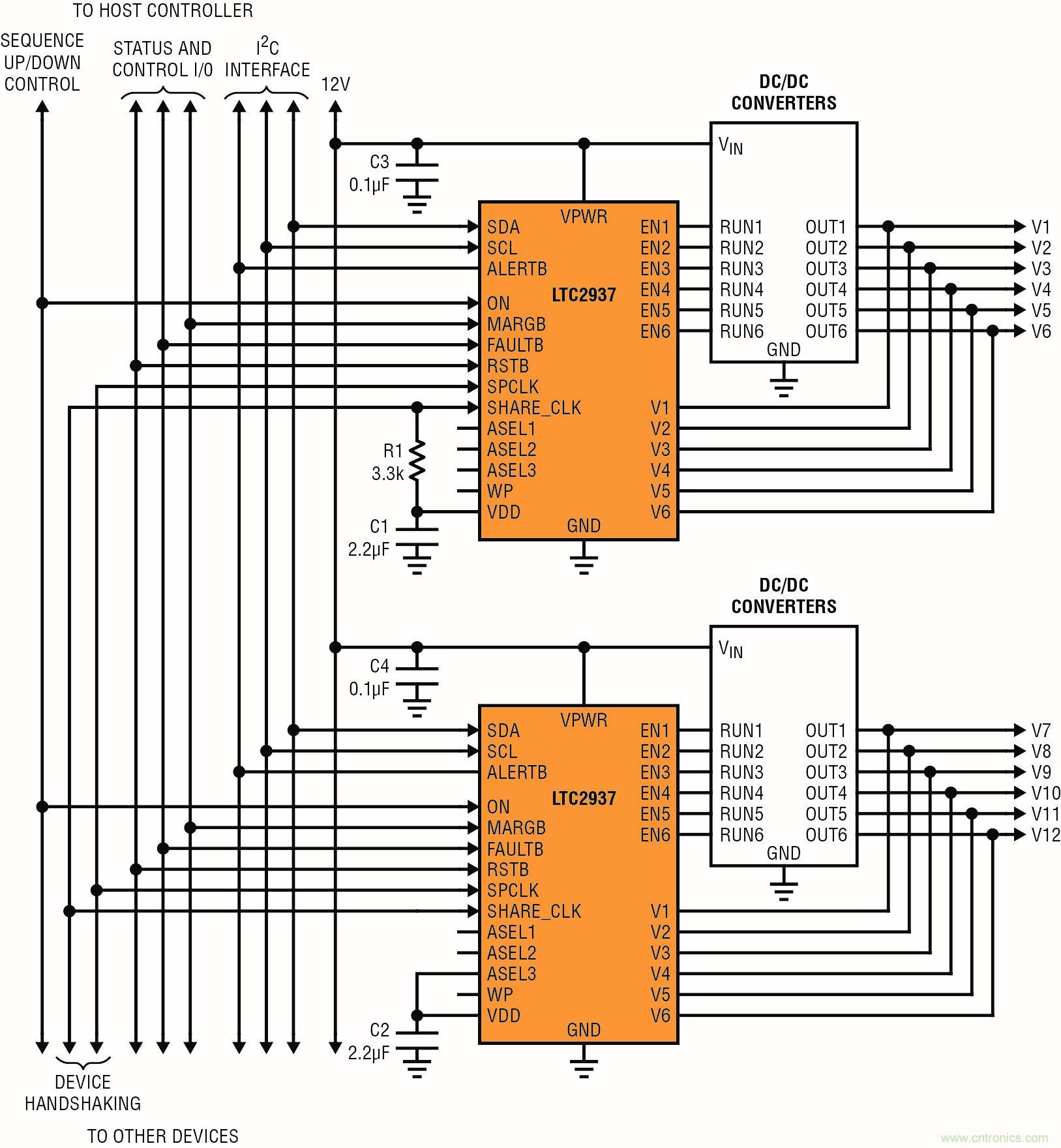
圖 1:LTC2937 對 6 個電源排序

圖 2:電源排序波形
當 ON 輸入轉換至有效時,加電排序開始。LTC2937 按照向上排序順序逐一加電,使每個電源依次啟動,并進行監視,以確保電源電壓在指定時間之前上升至高于所設定的門限。任何電源,如果未能滿足設定時間要求,都會觸發排序故障。
提供排序位置時鐘是 LTC2937 的獨特優勢。每個通道都分配了一個排序位置 (1 至 1023),并在 LTC2937 計數到給定排序位置序號時接收啟動信號。具排序位置 1 的通道總是在具排序位置 2 的通道之前啟動。如果更改了系統規定,要求這兩個通道以不同的順序排序,那么排序位置可以交換,在計數到排序位置 1 時給第二個通道加電,計數到排序位置 2 時給第一個通道加電。多個 LTC2937 可以共享排序位置信息,以便對所有 LTC2937 芯片而言,排序位置 N 同時出現,由不同芯片控制的通道可以參與到相同的排序中 (參見圖 3)。

圖 3:多個 LTC2937 的典型連接
當最后一個通道加電并跨過其欠壓門限后,監視階段開始。在監視階段,LTC2937 運用其高準確度比較器連續監視每個輸入的電壓,看其是否超越過壓和欠壓門限。該器件忽視輸入信號上較小的干擾,僅在電壓以足夠的幅度超越門限并持續足夠長時間時才觸發。當 LTC2937 檢測到故障時,會按照所設定的監察器故障響應行為,立即做出響應。在典型情況下,該器件同時關斷所有電源,向系統確定 RESETB,然后嘗試按照正常啟動順序重新加電。這可防止電源給系統的一部分供電而其他部分得不到供電,或者防止系統在故障后執行不一致的故障恢復。一個系統中的多個 LTC2937 可分享故障狀態信息,相互對對方的故障做出響應,從而在故障恢復時,保持協作通道之間完全的一致性。LTC2937 提供無數可編程故障響應行為,以滿足很多不同的系統配置需求。
當 ON 輸入轉變為低電平時,斷電排序階段開始。排序位置時鐘再次開始計數,以給電源斷電,不過所有斷電排序參數都不受加電排序參數影響。通道可以按照任何順序斷電排序,而且多個 LTC2937 芯片協調所有受控電源的排序。在斷電排序時,每個電源必須在指定時間限制之內下降至低于其放電門限,否則會觸發排序故障。LTC2937 可用一個可選電流源拉低電源電壓,以使變化速度慢的電源有效放電。
排序位置時鐘強制執行基于事件的排序順序,每個事件等待之前的事件發生之后才能繼續。LTC2937 還允許基于時間的排序,可用于在預定時間點啟動電源軌的系統中。可重新配置的寄存器既可在基于時間的排序模式、又可在基于事件的排序模式下運行。
LTpowerPlay 讓事情變得簡單了
LTC2937 有一套廣泛、功能強大的寄存器,而控制這些寄存器很簡單。LTpowerPlay 的圖形用戶界面 (GUI) 在一個簡便的界面中,顯示狀態寄存器和調試寄存器中的所有信息。GUI 在 I2C/SMBus 上與ADI的任何電源系統管理 IC (包括 LTC2937) 通信。配置一個或多個 LTC2937 只需點擊幾下鼠標這么簡單。
LTpowerPlay 將設置值保存在 PC 上,并可將設置值寫到 LTC2937 的 EEPROM 中。該 GUI 還顯示系統故障的所有調試信息。LTpowerPlay 可顯示任一電源何時出現了過壓或欠壓,或者,某個電源是否未能成功完成排序定時。故障后,該 GUI 允許徹底控制系統重啟。在設計的每個階段,即啟動、配置、調制和運行階段,LTpowerPlay 是系統性能不可或缺的窗口。

圖 4:LTpowerPlay 的圖形用戶界面 (GUI) 在一個簡便的界面中顯示狀態寄存器和調試寄存器中的所有信息。配置一個或多個 LTC2937 只需點擊幾下鼠標這么簡單。LTpowerPlay 將設置值保存在 PC 上,并可將設置值寫到 LTC2937 的 EEPROM 中。
結論
LTC2937 簡化了電源系統排序和監察。該器件僅需占用非常少的電路板空間,就可構成一個完整系統。LTC2937 非常靈活、可重新配置,而通過 EEPROM 寄存器又可自主運行。該器件可獨立運行,或者與一個大型系統中的其他芯片一起使用,無縫協調多達 300 個電源的運行。
推薦閱讀:






