【導讀】在電子電源管理領域,創新技術不斷涌現。此次為大家帶來一款突破性的新型穩壓器——高性能升壓與降壓型μModule?穩壓器。相較于上一代大電流降壓 - 升壓μModule穩壓器,它在能效比和熱性能方面實現了質的飛躍,展現出卓越的電源管理優勢。不僅如此,它還具備諸多實用特性,如支持更高功率應用的并聯配置、可選的恒流調節功能以及冗余輸入配置,為各類電子設備提供穩定、高效的電源解決方案。
摘要
在電子電源管理領域,創新技術不斷涌現。此次為大家帶來一款突破性的新型穩壓器——高性能升壓與降壓型μModule?穩壓器。相較于上一代大電流降壓 - 升壓μModule穩壓器,它在能效比和熱性能方面實現了質的飛躍,展現出卓越的電源管理優勢。不僅如此,它還具備諸多實用特性,如支持更高功率應用的并聯配置、可選的恒流調節功能以及冗余輸入配置,為各類電子設備提供穩定、高效的電源解決方案。
簡介
許多應用都需要寬輸入和/或輸出電壓范圍,例如電池供電系統。在輸入電壓可能低于或高于輸出電壓的情況下,電源需要調節其輸出電壓。只要不需要接地隔離,四開關降壓-升壓拓撲結構就能為此類應用提供超高的效率和功率密度。此外,降壓-升壓穩壓器非常靈活,可用作單純的降壓電源或升壓(帶短路保護)電源。
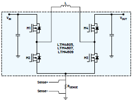
ADI公司的μModule部門開發了多款降壓-升壓穩壓器。如圖1所示,LTM8045、LTM8049、LTM8083和LTM4693旨在滿足較低電流應用的需求。而LTM4607系列、LTM8055系列以及新發布的LTM4712降壓-升壓模塊支持大電流應用(最高12 A)。LTM4607/LTM4605/LTM4609系列內部集成了控制器和MOSFET,但需要在PCB上連接外部功率電感和檢測電阻(RSENSE),以構成完整的電源解決方案,如圖2所示。
而LTM8054、LTM8055和LTM8056則將功率電感和RSENSE集成到μModule封裝中,從而簡化了客戶的設計和布局工作,如圖3所示。與LTM4607系列相比,LTM8055系列提供了更小尺寸的解決方案,但其輸出電流受限于小尺寸集成電感,因此熱性能和效率方面存在一定局限性。
2023年,ADI發布了新款大電流、四開關降壓-升壓穩壓器LTM4712。這是一款36 VIN(最大值)、12 A功率模塊,采用高密度16 mm × 16 mm × 8.34 mm BGA封裝。它采用ADI專有的先進組件封裝技術,將高性能功率電感集成到封裝中。圖4顯示了該模塊中集成的專有電流檢測方案。這不僅節省了空間,而且還有效減少了額外的功率損耗。該器件采用先進的降壓-升壓控制器和高級ADI封裝,能夠在寬輸入輸出電壓范圍內實現超高的功率水平、功率密度、效率和出色的熱性能。
表1.LTM4712、LTM4605系列和LTM8055系列總結
LTM4712具有快速逐周期電流模式控制功能,有助于實現可靠的保護和平穩的模式轉換。當采用并聯配置以支持更高電流的應用時,它有助于實現出色的均流功能。此外,這款新器件支持可選的恒定輸出電流模式,可用于電池充電應用,同時還允許冗余輸入,從而增強其作為冗余電源的通用性。
表1全面比較了LTM4712、LTM4607系列和LTM8055系列模塊。LTM4712因其大電流、高能效比和用戶友好型設計脫穎而出,非常適合可接受8.34 mm高度的應用。
圖1.ADI四開關降壓-升壓系列
圖2.LTM4607功率級原理圖
圖3.LTM8055典型應用電路
圖4.LTM4712典型應用電路
LTM4712帶來顯著的效率提升和熱性能改善
圖5比較了LTM4607、LTM8055和最近推出的LTM4712在6 V VIN、12 V VIN、24 V VIN及12 V VOUT條件下的效率。評估使用了可在線訂購的標準評估板。根據測試結果,LTM4712在效率方面明顯優于其他兩款產品,并且電流能力更強。
圖6顯示了室溫條件下無任何強制散熱措施時的熱性能比較。值得注意的是,在12 V VIN和12 V VOUT條件下,與LTM8055相比,LTM4712在功率翻倍的情況下溫度降低了30°C。對于需要12 A電流的應用,如果使用LTM8055,則根據散熱系統的不同,可能需要并聯兩到三個該器件。然而,如果使用LTM4712,那么一個器件就足夠了,PCB占用空間大大減少,電路設計也更簡單。
表2全面呈現了LTM4712、LTM4607和LTM8055在各種工作條件下的效率和熱性能,環境溫度為25°C,無強制散熱。圖7展示了電流密度與解決方案尺寸的關系。所有測試和比較均基于可在線訂購的標準演示板進行。
圖5.LTM4712、LTM4607和LTM8055之間的效率比較
圖6.LTM4712、LTM4607和LTM8055之間的熱性能比較,TA = 25°C,無強制散熱
表2.效率和熱性能比較
圖7.LTM4712、LTM4607和LTM8055之間的電流密度比較
并聯配置下實現良好的均流
LTM4712支持并聯配置,通過簡單的設置即可實現更高的輸出功率。得益于電流模式控制,它具備出色的均流性能。EVAL-LTM4712-A2Z評估套件展示了四個模塊并聯運行的情況,此時能提供48 A的總輸出電流。
當利用該器件實現并聯配置時,必須參考評估板的設計和配置。為了實現有效均流,并聯模塊時需要連接COMP引腳和FB引腳。PHMODE引腳可用于配置相移。在四個模塊并聯的情況下,PHMODE引腳連接至INTVCC可以產生90°相移,從而實現出色的交錯效果。此外,為了實現頻率同步,應將第一個模塊的CLOCKOUT信號連接到第二個模塊的SYNC引腳。
圖8展示了無強制散熱情況下的熱圖像,可以看到每個LTM4712的溫度相似,表明均流效果良好。圖9顯示了48 A負載條件下每個器件上的IMON電壓。每個IMON引腳的電壓平均值約為0.7 V,表明每個通道的負載為12 A。這些測試均在評估板上進行。
圖8.4個LTM4712并聯,在36 VIN、12 VOUT、TA = 25°C下提供48 A電流,無外加氣流
圖9.48 A負載下每個LTM4712上的IMON電壓
可選恒流調節
LTM4712可用作恒定輸出電流源,因此適用于電池充電器或LED驅動器等應用。圖10所示的示例電路設計用于提供穩定的10 A負載電流。
負載電流通過ISET引腳和輸出端附近的外部輸出電流檢測電阻來設置。公式VSENSE = IOUT × RSENSE_IOUT定義了代表平均輸出電流的電壓。最大VSENSE由ISET引腳上的電壓決定,范圍為0.2 V至1.2 V,線性對應0 mV至50 mV。ISET引腳電壓VISET由一個15 μA內部電流源和一個連接在ISET引腳與地之間的電阻RISET決定,表示為VISET = 15 μA × RISET。因此,輸出電流計算公式為:IOUT = (VISET - 0.2 V)/(20 × RSENSE_IOUT)。根據該公式,基于5 mΩ RSENSE_IOUT的輸出電流隨不同VISET的變化如圖11中的藍色曲線所示。圖11中的紫色曲線為工作臺測試結果。可以看到,測量結果與理想曲線高度吻合,表明恒流調節精度出色。
需要注意的是,當ISET引腳浮空時,或當ISET引腳電壓超過1.2 V時,內部電路會將最大VSENSE限制為50 mV。由于輸出中存在紋波電流,必須在ISP和ISN引腳上使用RC濾波器,以實現準確的平均電流檢測。此外,在選擇FB引腳和地之間的反饋電阻時,應確保其產生的輸出電壓高于目標VOUT。
圖10.10 A恒定負載電流的示例電路
圖11.基于5 mΩ RSENSE_IOUT,不同VISET下恒定輸出電流調節的工作臺測試
冗余電源
LTM4712適用于需要冗余輸入的應用。它可用于需要備用電源的系統,或是那些從不同輸入源獲取電源以支持公共負載的系統。圖12顯示了一個示例電路,其中的兩個模塊由不同輸入(VIN1和VIN2)供電,共同為24 A負載提供12 V輸出。值得注意的是,任一輸入電壓下降都不會影響輸出調節,而且通過連接COMP引腳,峰值電感均流作用始終有效。
圖13顯示了兩種不同條件下的工作臺測試波形。圖13a展示了相位1和相位2都在降壓-升壓模式下運行的情況。最初,相位1提供4 A負載電流,在相位2激活后,二者逐漸各自分擔一半的負載電流。IMON波形顯示,當兩個相位都在運行時,兩個相位平等分擔負載電流。
圖13b展示了相同負載條件但輸入不同的情況。這里,相位1以升壓模式運行,而相位2以降壓模式運行。由于COMP引腳連接在一起,兩個相位的峰值電感電流相同。因此,相位1(升壓)的輸出電流低于相位2(降壓)的輸出電流。每個相位提供的具體負載電流可以根據電感、開關頻率、VIN、VOUT和總負載電流等參數計算得出。在此示例中,相位1提供1.4 A負載電流,而相位2提供2.6 A負載電流。
設計和仿真工具
為了進一步簡化用戶的設計工作,LTM4712得到了LTpowerCAD?工具和LTspice?軟件的支持:前者用于優化電源元件、效率、環路補償和負載瞬態,后者用于執行時域動態仿真。
圖12.輸入冗余應用電路
圖13.輸入冗余應用電路
結論
LTM4712是一款性能突出的全集成式降壓-升壓型μModule穩壓器,以出色的效率、高功率密度和良好的熱性能著稱。它在并聯配置中表現出良好的均流能力,多個器件可以輕松并聯以支持更高功率的應用。該器件可以靈活配置為恒定電流輸出,因此非常適合電池充電系統或LED應用。此外,它還支持冗余輸入,從而進一步提高了其適應性。
若要全面了解如何正確使用該器件,建議參考數據手冊和相關的評估套件設計。這些資源提供了寶貴的見解和技術規范,對于用戶在不同應用中優化性能至關重要。
推薦閱讀:







