【導讀】伺服控制系統廣泛的應用在工業機器人、數控機床、電子制造、印刷機械、紡織機械等領域,在工業生產中發揮重要的作用。在工業機器人和數控機床等領域,響應速度快、轉矩抖動小和精度高的伺服控制系統越來越關鍵。伺服控制系統的由位置環、速度環和電流環組成,電流環是內環,電流環的性能決定了整個控制系統的精度和響應速度。
伺服控制系統廣泛的應用在工業機器人、數控機床、電子制造、印刷機械、紡織機械等領域,在工業生產中發揮重要的作用。在工業機器人和數控機床等領域,響應速度快、轉矩抖動小和精度高的伺服控制系統越來越關鍵。伺服控制系統的由位置環、速度環和電流環組成,電流環是內環,電流環的性能決定了整個控制系統的精度和響應速度。
一個影響電流環性能的因素是電流采樣方式,目前主流的電流采樣方式包括霍爾電流采樣、隔離運放電流采樣和隔離Δ-Σ 調制器電流采樣。TI的隔離Δ-Σ 調制器 AMC1305的精度高、絕緣等級高和抗干擾性能強,廣泛的應用在工業伺服、變頻器和太陽能逆變器等領域。
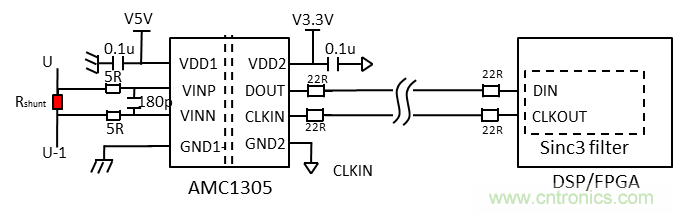
AMC1305的電流采樣方式如圖1所示,AMC1305將電流信息轉換為單線的數據流,該數據流通過DSP等控制芯片中的濾波器模塊,還原得到電流信息。相比于前兩種電流采樣方式,隔離Δ-Σ 調制器用于電流采樣,具有精度高和抗干擾能力強的優點。但是,隔離Δ-Σ 調制器的電流采樣方式的帶寬低,響應速度慢,當電機過載或短路時,需要較長的時間才能反映在電流數字量上,有可能會造成保護失效。

圖1:AMC1305的電流采樣示意圖
為了提升AMC1305電流的采樣方式的性能,兼顧電流環控制和過流保護功能,可以在DSP等控制器中,設置兩組數字濾波器(見圖2),一組具有較低的帶寬和較高的精度,用于內部電流環控制;另外一組,具有較高的帶寬和較低的精度,用于過流保護。

圖2:一種兼顧電流環控制和過流保護功能的電流采樣濾波器的方式
使用AMC1305的電流采樣方式,通常采用Sinc3 濾波器提取電流信息,Sinc3濾波器的過采樣率(Over Sample Rate,OSR)決定了電流采樣的精度和帶寬(見圖3)。采用同樣的濾波器結構,OSR和濾波器頻率響應如圖3 (a)所示,OSR越大,帶寬越低。同樣的濾波器結構下,不同OSR下的有效位數(ENOB)如圖3(b)所示,OSR越大,ENOB越大。

圖3:Sinc3濾波器的OSR、帶寬和有效位關系
AMC1305用于電流采樣時,采用Sinc3濾波器,不同的OSR,電流采樣的帶寬和ENOB如表1所示。
表1:Sinc3濾波器的OSR、帶寬和有效位關系

通過以上分析,電流環對精度要求高,Sinc3濾波器的OSR設置為128或256,ENOB大于13位;過流保護功能對快速性要求高,Sinc3濾波器的OSR設置為8或16,響應帶寬大于330kHz。
本文提出一種改進的隔離Δ-Σ 調制器電流采樣方式的方案,該方案有以下優點:
● 在滿足了電流環控制的高精度要求時,滿足了過流保護的快速性要求;
● 實現簡單,無需改動外部電路



