中心議題:
- 靜電感應晶閘管在電源電路中的應用
解決方案:
- 三種實際的開關電源應用電路
本文將驅動電路及SITH器件一起擴展成實際的開關電源應用電路,經測試,得到了比較先進的性能指標。這樣,對SITH器件的應用研究就更加全面,使得對它的推廣應用打下扎實的基礎。
1 電路研究
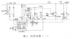
1.1 應用電路(一)
該應用電路是一個開關電源,是鑒于以下幾點考慮而設計的:(1)針對電機調速、溫度控制等大功率應用方向,確定是AC-DC變換,這里AC 專指交流50周單相電壓220V工頻電網;(2)該電源輸入必須是高功率因數0.95以上,還必須是低噪擾,符合或優于國家標準;(3)該電源效率要求在 90%以上;(4)能體現SITH管的優勢,避開其弱點。
這里采用了BOOST變換程式(圖1)。圖中 R1:1kΩ;R2:20Ω;R3:10kΩ;R 4:5kΩ;R5:5kΩ;R6:800kΩ;R7:10k Ω;R8:20kΩ;R9:1MΩ;R10:0.2 Ω;R11:50kΩ;R12:10kΩ;C1:0.01mf;C2:200pf; C3:0.1mf;C4:50mf;C5:100mf/400V; C6:2mf/~250V;C7:2000pf;D1:12V/0.5W穩壓二極管;D2: 3A快恢二極管HER308; D3、D6:2A/400V整流橋;Q1、Q3:npn三極管8050;Q2:pnp三極管8550;Q4:VDMOS 10A/30V;L1:2mH/ 1A高頻電感;L2:2mH/ 1A高頻電感;IC:UC3852。
UC3852的詳細工作原理請參閱Texas Instruments公司有關資料。要著重指出的是, UC3852是一種專門用來提高輸入功率因數的開關電源控制芯片,它的基本原理是在遠高于50周的頻率下工作, 控制開關管以一個恒定的時間Ton導通,導通時電感L2承受全部交流輸入電壓Vin 。在Ton結束時, 電感電流,也就是輸入電流I in=(Vin /L2)×Ton ,因此Iin與Vin成正比。接著,UC3852使開關管關閉, L2向負載端放電,Iin呈線性衰減, 當UC3852檢測到Iin衰減到零時,又控制開關管導通,進入下一個Ton,見圖2。
圖中, 上部是UC3852的驅動波形, 高電平是驅動開關管導通,高電平的時間Ton 是恒定的;下部是輸入電壓Vin和輸入電流 Iin的波形。在Ton時段內,Iin線性上升, 上升的速率與當時的Vin值成正比, 由于每次都是從零開始, 因此Iin的峰值也與Vin 成正比。實際上,UC3852的工作頻率要比圖中表示的高得多,約25kHz。因此可認為在每個三角形區段Vin恒定, 則Iin的平均值也正比于V in,經過L1、C6低通濾波后,輸入電流波形與輸入電壓一致, 則功率因數必然很高。這就是UC3852的簡單工作原理。
圖1的電路參數構成一個輸出為100W的電路, SITH管為主開關,采用驅動電路(一)的方案,由Q1、Q2、Q3和Q4組成SITH管的驅動電路; L2是BOOST電感;C5是輸出濾波電容;R 6、R7、R8、R9和C3組成反饋電路, 供UC3852采用, 控制輸出電壓穩定;R12和C7是UC3852工作頻率的定時電路, 這里定在25kHz左右;L1和C6是低通濾波器, 阻止Iin中的高頻成分傳回電網;R 10是電流采樣電阻, 向UC3852提供Iin的波形。

從圖2的波形上可以看出, 這是一種電流非連續方式, 它的好處是開關管總是從零電流開始導通,最終達到二倍的平均電流, 從而使SITH管避開了導通慢的弱點, 又發揚了其大電流性能好的優點。它又使二極管D2在正向電流到零后再承受反壓, 避開了反向恢復損耗的問題。D2的作用是阻止輸出電容 C5向L2和SITH管放電, 它正向流過的就是負載電流, 而反向承受的是400V電壓。測試中D2使用中速的快恢二極管, 溫升很低。 輸出電壓取400V是電路工作要求的(參閱Texas Instruments 公司有關資料),因而不能降低。 SITH管在關斷時也承受400V的反壓, 對它來說余量較大,也是優勢所在。

測得其主要指標如下:輸入電壓:AC220V 50Hz;輸入電流:0.58A;輸入功率:111W;功率因數:0.95;輸出電壓:DC410V, 紋波峰峰值:Vpp=20V;輸出負載電阻:1610Ω;輸出功率:104W; 效率:0.94。由此看來,SITH器件及其驅動電路滿足了要求,結果是令人滿意的。
然而,SITH管在工作時大約有3.5W左右的管耗,是電路中唯一有明顯溫升的器件。電路中使用的SITH管是TO-220封裝,最初加上50mm× 60mm散熱片,開機5分鐘內表面溫升達50℃, 輸入功率增加了3W。 后來, 改用帶有風扇的CPU散熱器, 風扇功率1W, 開機15分鐘后,表面溫升仍不迢過5℃, 輸入功率始終在111W左右。由此可以認為, SITH管與其它電力器件一樣,開關損耗隨溫度升高而增加。若散熱不好,會形成惡性循環。頻繁的高溫差變化還會使焊錫過早脆化, 使焊接質量變壞。因此良好散熱是保證可靠性、保證高效率的最有效最重要的手段。由于SITH管具有較強的過流能力, 因此在良好散熱下, 不必采用“降容量使用”的傳統方法, 可以選用電流額定值與工作額定值相當的器件, 以降低成本又不影響可靠性。
[page]
1.2 應用電路(二)
應用電路(一)的輸出電壓是固定直流400V, 不能靈活調整, 又沒能與輸入隔離, 往往需要加后級電路。本應用電路(二)是在電路(一)基礎上加以改動, 將輸出隔離, 又能調整電壓, 見圖3。圖中:R1:1kΩ;R2:20Ω;R 3:10kΩ;R4:5kΩ;R5:5kΩ;R6:800kΩ;R7:10kΩ;R8:20kΩ;R9:1MΩ ;R10:0.2Ω;R11:50kΩ;R12:10k Ω;R13:20kΩ/3W;R14:40Ω/10W;C 1:0.01mf;C2:200pf;C3:0.1mf;C 4:50mf;C5:2000pf / 400V;C6:2mf / ~250V;C7:2000pf;C8:0.1mf / 600V;C9:3000mf / 50V;C10:2mf / 400V; D1:12V / 0.5W穩壓二極管;D2、D7、D8、D9:3A快恢二極管HER308; D3、D4、D5、D6:2A/400V整流橋;D10:46V / 1W稻壓二極管;Q1、Q3:npn三極管8050;Q2:pnp三極管8550;Q4:VDMOS 10A/30V;L1:2mH/ 1A高頻電感; L2:2mH/ 1A高頻電感;L3:500mH/ 2A高頻電感;Tr:高頻變壓器;匝比:2:1×2;IC1:UC3852; IC2:光耦521-1。

此電路參數是48V/100W輸出的直流電源。它的工作原理與電路(一)相同,只是輸出部分用電容C 10將SITH管漏極的直流方波割直成交流方波,送到變壓器Tr的初級,然后耦合到次級改變了電壓,再經過整流濾波輸出。次級分成兩個線圈,分別通過不同的整流濾波環節,這是因為通過 C10的交流方波,是不對稱的, 正向部分實際上是電感L2放電, 是電流源, 要用副邊的上半部分整流;負向部分實際上是C10放電, 是電壓源, 要用副邊的下半部分整流。
改變Tr的匝比可以得到需要的輸出電壓, 也與輸入電網隔離。光耦521-1是負反饋的隔離元件。D2、 C5、C8、R13、R14組成上沖吸收電路, 由于漏感的原因,變壓器在接受電流源脈沖時, 上沖十分強烈, 對器件很不利, 同時還造成很大的高頻噪擾, 必須衰減它。吸收電路可以有效地衰減上沖, 但是經大量試驗表明, 這種衰減的能耗相當大, 是以降低效率為代價的。本試驗中吸收環節要消耗6W左右的功率, 上沖仍占主波的25%, 使效率從91%下降到84%, 線路板上有一塊明顯的發熱源。因此在沒解決高效吸收問題之前, 該電路應考慮在小功率應用。
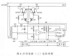
1.3 應用電路(三)
這是一個交流開關,可切換1000W的負載,應用很廣。原本是用可控硅或雙向可控硅組成,現用兩只SITH管取代。它具有過零開通和過零關斷的功能, 以減小對電網的沖擊,在需要時也可以立即關斷。由于使用了SITH管, 才具有強迫關斷, 即快速關斷的功能。這是可控硅或雙向可控硅做不到的,它可以與單片機配合使用。這里僅提供強電部分原理圖(圖4)。圖中:R1、R2:1kΩ; R3:10kΩ;R4:200Ω; R5、R6、R7:5.1kΩ; C1:300mF /16V ;D1、D2:10A/400V整流二極管;D3、D4、D5:1N4001;Q1、Q2:VDMOS (Ron=0.05W):IC1:LM393雙比較器;IC2: CD4013 D觸發器;IC3、IC4:光耦521;Tr1:電源變壓器220V/9V×2~3W。

圖中, 兩只SITH管反串聯, 而各自又與一個二極管反并聯, 兩只SITH管同時導通或同時關斷,形成了交流開關。IC1比較器產生過零脈沖信號, 作為IC2 D觸發器的時鐘信號, 因此IC2只能在交流電壓過零時改變輸出。它的一對互補輸出分別控制SITH管的柵極注入和VDMOS管, 也就控制了交流開關的過零導通和關斷。強迫關斷信號直接控制D觸發器的R復位端, 立即關斷交流開關??刂菩盘柾ㄟ^光耦輸入, 這是為了防止干擾。




