中心議題:
- 大功率直流電動機測試電源設計
解決方案:
- 主電路設計
- 控制電路設計
- 驅動電路設計
直流電機相對交流電機有調速性能優良、調速方便、平滑、調速范圍廣等優點,因此仍然廣泛應用于很多工業場合。直流調速主要有以下幾種方式:電樞串電阻調速、改變電樞電壓調速、PWM直流調整系統、雙閉環直流調速系統、數字式直流調速系統和改變勵磁的恒功率調速。
直流電動機測試電源要根據直流電動機的試驗要求進行調壓試驗、輕載試驗、負載試驗和過載試驗,還要進行動態過程試驗等。這就要求其具有連續調壓、過流功能,并要求響應速度快。本篇文章將介紹大功率直流電動機測試電源設計。
一、主電路設計
1整流電路計算
整流電路選用的是三相不控整流。這個電路的特點是簡單、快速,而且輸出波形能夠滿足逆變電路的要求。輸入整流濾波電路的主要作用是將交流電壓變為直流電壓;此外,還要具有一定的輸出電壓保持能力,既能防止來自電網的干擾進入電源,又能防止電源產生的干擾。
二極管應當按照有效值選取,如下是計算過程。
整流輸出電壓Ud的波形在一個周期內波動6次,且脈動波形相同,因此:
(1)
U2為相電壓有效值,其值為220V。
Ud=2.34×220=514V (2)
P0為50kW,效率η取0.8,所以P0=Ud×Id×0.8,Id=P0/Ud×0.8=122A。
流過整流二極管電流的有效值為:
(3)
而每只整流二極管承受的最大反壓為:
(4)
考慮到電網電壓的波動-10%~+10%,二極管最小參數應取:IA(VT)=I(VT)×1.1=78A;UFM=URM×1.1=593V,所以,二極管額定參數為:200A、1200V。因此選擇的二極管型號為ZP200-ZL20螺栓型普通整流二極管。

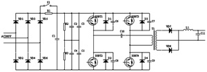
圖1 主電路圖[page]
2 濾波電容計算
電源中工頻濾波器接在工頻整流與逆變電路之間,既能將脈動電流變為平滑的直流,還能抑制高頻干擾,尤其是變換中產生的高頻干擾。
濾波電容最好選用等效串聯電阻低且電容量大的電解電容,因為等效串聯電阻值對輸出脈動電壓值有直接影響。因此,為了減少等效串聯電阻,用4個電容串并聯,獲得所需的電容量電路。
電網電壓為380V,不考慮波動,空載直流電壓Ud0約為線電壓峰值540V。在帶負載時,電壓有所下降,電容電壓:
Ud=1.35×380=513V (5)
輸入電流Id,即高頻變壓器輸入電流125A。直流側電壓在帶負載時是脈動的,如圖2所示。最大電壓降△U按10%考慮。在T1區間內,電容C向負載放電,在T/6區間完成一個充放電周期。

圖2 濾波電容濾波過程分析
假定在電容放電期間放電電流恒定,則:
Id=C△U/T1 (6)
(7)
由式(7)得
(8)
(9)
式中,Id為輸入電流125A;△U為電壓變化量(△U =Ud0×10%=54V);T1為電容放電時間; Ud0為空載直流電壓540V;T為工頻交流電周期20ms;為工頻交流電角頻率),可得:
(10)
電容承受的線電壓峰值540V。實際中,采用4個5600μF/400V的電解電容和2個大電阻并聯為一組,用2組串聯在一起組成濾波電容組。其電容量為5600μF。大于計算值,濾波效果滿足小于10%的要求。因此,選擇DCMCE 1669型電解電容,其規格為5600μF/400V。
由于電解電容不是理想的電容,它本身的阻抗對電容兩端的電壓會有影響,而且電壓是脈動的,所以為了穩定其兩端電壓,使每組電容的兩端電壓相等,分別在每組電容兩端并聯了一個均壓電阻R2、R3,選擇R2=R3=30kΩ。
至于濾波前面的去高頻干擾的電容C1,其電容量是很難確定的,因為高頻干擾包括電網的干擾,也包括電源的干擾,所以可試選取C1=(2.5±5%)μF或該數量級其他電容,只要電容C1的耐壓峰值滿足即可以,耐壓峰值Up=600V。
電容輸入式整流濾波電路在接通交流電壓時,由于電容充電,往往引起較大的浪涌電流。在此,選擇的限流電阻R1為20Ω/20W。起動后,延時一段時間后,開關S1合上,把R1從主電路中去除。
3 逆變電路計算
對于逆變電路選取的是全橋逆變電路,采用IGBT作為開關器件。IGBT集MOSFET和GTR的優點于一體,具有功率MOSFET高輸入阻抗,熱穩定性好,驅動功率小的特點,又具有GTR通態電壓低,導電損耗小而耐壓高的優點。對主電路進行計算,并根據設計目標的需要對IGBT進行選型。IGBT的作用是通過它的周期性開和關作用,把直流電壓變換成方波電壓,它是逆變電路的關鍵核心元件。由于它比較脆弱,對它的設計、選擇直接關系到整個系統的安全、可靠。所以,選擇的參數必須在其正向偏置安全區(FBSOA)。計算參數時留有的裕量較大。
① 額定電壓
輸入電網電壓整流濾波后,直流輸出的電壓最大值:
(11)
其中,Ud為IGBT承受的穩態最大電壓,U為電網電壓有效值為380V;1.1為波動系數;α安全系數取1.1。關斷時的峰值電壓Uce為988V,額定電壓應向上取,實際電壓等級值取1200V。
[page]
② 額定電流Ic
高頻變壓器一次側電流
I1=I2×N2/N1=125A
其中,I1為高頻變壓器一次側電流,I2為測試電源輸出電流,N1、N2為高頻變壓器一次側和二次側匝數。
每只IGBT管上的平均電流I為63A。額定電流Ic是IGBT手冊上給出的在結溫25℃條件下的額定值,Ics=186A。其中,Ics為IGBT額定電流計算值;I為每只IGBT管上的平均電流;1.414為峰值系數;1.5為Imin過載容量系數;1.4為Ic減小系數。額定電流Ic是根據管子電流等級按200A取。綜上所述,IGBT管的額定電壓為1200V,額定電流為200A。因此,IGBT選擇西門子大功率IGBT模塊BSM200GB120DLC。
4 輸出整流電路設計
開關整流二極管不僅應有短的反向恢復時間和小的反向恢復電流,而且反向電流的恢復速度以緩慢為好,便于減小噪聲。常用的有摻金擴散型、外延型、肖特基型和快恢復型(PIN)。其中,快恢復型的特點是正向壓降低,常溫時0.85V,隨結溫升高,正向電壓降會更低,150℃時只有0.6V,和肖特基管接近;反向時間短,不大于200ns;反向漏電流在150℃時和額定電壓下只有1mA,接近普通整流二極管。故選用快恢復型二極管。
對于單相全波整流電路,整流二極管額定電流:
IN=0.5×I2=500A
式中,IN為整流二極管額定電流;I2為電源輸出電流1000A
管上承受最大反壓:
Um=2×U2=136V
其中,U2為測試電源輸出電壓幅值68V??紤]到留有一定的裕量,因此,二極管按電壓300V,電流2000A選取。最終選擇的是ZK300-35ZT3平板型快恢復二極管。
二、控制電路設計
本設計中控制電路選用移相控制。移相式PWM控制器通過移相,使全橋的四個開關輪流導通。在同一橋臂的兩個開關管輪流導通過程中,通過變壓器的漏感與開關管的輸出寄生電容組成諧振腔使電容上的電壓以最快的速度放電,保證開關管處于零電壓開關狀態(ZVS),從而避免了開關工作過程中電壓電流的重疊。
PWM移相控制是通過UC3875的誤差放大器來實現的,在UC3875的4角上接PI調節器,利用電壓傳感器將輸出電壓與給定基準電壓相比較,從而控制A、B與C、D之間的相位,最終調整波形占空比,使電源穩定在預定值上。A/B、D/C兩個半橋,可單獨進行導通延時(即死區時間)的控制,在該死區時間內確保下一個功率開關器件的輸出電容放電完畢,為即將導通的開關器件提供電壓開通條件。圖3所示是本設計的控制電路圖。

圖3 控制電路
三、驅動電路設計
隨著IGBT在各類變流裝置中的廣泛應用,IGBT驅動模塊的選擇及其性能越來越引起使用者的重視。理想的驅動模塊除了應為IGBT提供足夠的開通和關斷柵壓外,還應具備迅速、可靠的保護功能,同時力求電路簡單、穩定。IGBT的常用驅動模塊有許多種,其中EXB系列應用最廣。EXB841驅動模塊廣泛應用于開關電源、UPS、電力傳動及電力補償等領域。圖4所示是本設的IGBT的驅動電路圖。

圖4 驅動電路
IGBT在開關過程中需要一個+15V電壓以獲得低開啟電壓,還需要一個5V關柵電壓以防止關斷時的誤動作。這兩種電壓均可由20V供電的驅動器內部電路產生。




