中心議題:
- LLC 諧振電路的工作原理和特點
- 智能充電器的軟硬件設計
- 智能充電器的性能指標測試
本文闡述半橋LLC 諧振電路的工作原理和特點,并且用MATLAB 對LLC 諧振進行了仿真,分析了其工作區域。在此基礎上,運用NCP1653 提供PFC 電路,NCP1396(壓控震蕩器)為電路提供保護功能,單片機芯片S3F84K4 通過編程為電路提供智能控制,設計了一款大功率智能充電器。通過測試,該款充電器能很好的實現充電功能。
引 言
充電器與人們的日常生活密切相關,充電器充電性能的好壞與被充電池的使用壽命、充電效率等息息相關。 由于外界溫度變化,電網電壓波動,因而大大降低了充電器充電性能的穩定性,這就需要有一種能自我調節的系統,遇到外界的干擾能實時做出回應,保證充電的穩定性,不損壞被充電的電池。 智能控制在此能提供一種很好的解決方案。電源行業已經開始在其產品中運用智能控制,通過單片機的編程對過壓、過流情況做出判斷,為電池提供保護。 LLC 諧振變換器在充電器的運用也是越來越多,LLC 諧振變換器的拓撲本身具有一些優越的性能,可以實現原邊開關管在全負載下的零電壓軟開關(ZVS:Zero VoltageSwitch),副邊整流二極管電壓應力低,因此高輸出電壓的情況下可以實現較高的效率等。 這使得LLC 諧振變換器特別適合高輸出電壓的應用場合。 今后電源的發展方向是用單片機來完成所有功能,包括:脈寬調控、反饋、過壓過流保護等等。
下面介紹的就是一款應比亞迪公司(BYD)的要求,設計出的一種基于單片機的智能充電器。 該充電器對充電過程進行智能控制,系統中的管理電路還具有保護功能,可防止電池的過充和過放對電池造成損壞。
1 LLC 諧振變換器
本充電器設計中要考慮整流濾波、能量轉換,電路保護、軟件設計等。 而LLC 諧振變換器是能量轉換中最重要的部分,關系到充電器性能的好壞。 下面著重介紹其基本結構、數學模型及時序分析。
1. 1 LLC 諧振變換器的基本結構
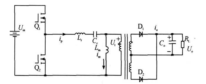
圖1 所示為LLC 諧振變換器的原理圖。 串聯諧振電感Lr 、串聯諧振電容Cr 和并聯諧振電感Lm ,構成LLC 諧振網絡, Cr 也起到隔直作用[3 ] . 在變壓器次級,整流二極管直接連接到輸出電容Co上。

圖1 LLC 諧振變換器的原理圖
當發生諧振時,LC 的本征諧振頻率為:
![]()
當Lr , Cr 和Lm發生諧振時,LLC 本征諧振頻率為:

由式(1) 、(2) 可知f1 > f2 ,當負載RL 變化時,可以調節開關(Q1 、Q2 ) 頻率在f1 和f2 間變化,使品質因數達到最大。 利用這種特性,可以方便地實現脈沖頻率模式PFM( Pul se Frequency Model) ,品質因數表示如下:

LLC 諧振網絡需要兩個磁性元件Lr 和Lm。
然而,考慮到高頻變壓器實際結構,可以把磁性元件Lr 和Lm 集成在一個變壓器內,利用變壓器的漏感作為Lr , 利用變壓器的磁化電感作為Lm , 這樣一來,可以大大減少磁性元件數目。 在設計時,只要重點設計變壓器的漏感與變壓器磁化電感即可。 因此, 為增加漏感, 需要在變壓器中加入適當的氣隙,并且控制變壓器原、副邊的繞線方式可以提高品質因素。
[page]
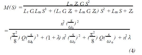
1. 2 LLC 的數學模型分析
通過上述分析,由圖1 的LLC 諧振變換器的原理圖得其LLC 等效模型如圖2 所示。

圖2 LLC 原理圖的等效模型圖
電壓傳遞函數為:

其中:
,Q 為品質因數。
利用MA TIAB 對該模型進行仿真,可以初步分析出其工作特性如圖3 所示。 其中f s 為啟動頻率( Start Frequency) f r 為諧振頻率( ResonantFrequency)。

圖3 LLC 諧振工作特性。
從圖3 中可以看到,在整個頻率圍內,既有降壓的工作區域(M < 1) ,也有升壓的工作區域( M >1) ,此LLC 諧振有著較大的應用范圍。 在輕負載時,工作頻率逐漸升高, 工作在降壓區域內; 而在重負載時, 工作頻率逐漸降低, 工作在升壓區域內。 由圖3 可知, 串聯諧振的工作區域應該為f s / f r > 1 ,才能工作在ZVS 的狀態。 在不同負載下,為獲得ZVS 的工作條件, 只要使之工作在f s / f r > 1的右側即可。 而LLC 諧振不僅僅局限于f s / f r > 1 的區域, 在某些負載下可以工作在f s / f r < 1區域。 同樣可以獲得零電壓轉換的工作狀況。 并且與串聯諧振相比,在不同負載時的頻率變化范圍更小。
[page]
1. 3 LLC 諧振變換器的時序分析
LLC 諧振變換器由兩個主開關管Q1 和Q2 構成,其驅動信號是占空比固定為0. 5 的互補驅動信號。 為了保證原邊功率MOS 管的ZVS , 副邊二極管的ZCS(Zero Current Switch) 都可以實現,工作頻率在f 2 < f ≤f 1 時, 其工作波形圖如圖4 所示。 從圖中可以看出LLC 變換器工作在半個周期內可以分為三個工作模式。
模式1 (t0 - t1):兩個開關管(Q1 、Q2 ) 都截止,Q1 的反向二級管導通續流, Lr 上的電流逐漸減小,變壓器產生感生電流,向負載供電。 反向二極管的導通將Q1兩端的電壓鉗位在零。
模式2 (t1 - t2):Lr 上的電流在t1 時刻減小到零,Q1 在此時刻導通, Lr 上的電流反向增大, 達到峰值后減小。 Lm 上的電流先減小,然后反向增加。
可以看出,t1 時刻由于Q1 的反向二極管的鉗位作用,Q1 的導通電壓為零。 此階段只有Lr 和Cr 進行諧振。

圖4 工作時序波形圖
模式3 (t2 - t3):Lm 上的電流在t2 時刻與Lr上的電流相等,此時流過變壓器的電流為零,負載與變壓器被隔離開。Q1 在此時刻關斷,Q2的反向二極管導通續流。 此階段Lm 也加入到諧振部分, 與Lr 和Cr 串聯組成諧振回路。
在下半個周期中, 電路的工作與上半個周期剛剛相似,只是方向相反。整個周期的電路工作波形:在上半個周期中,開關管Q1 為零電壓導通, 而Q1 在t3 時刻的關斷電流im 很小; 在下半個周期中,開關管Q2 為零電壓導通,而Q2 在t6 時刻的關斷電流im 很小,所以Q1 、Q2 工作時的開關損耗很小。
2 充電器硬件設計
經過上面的分析,設計中采用電流、電壓負反饋的方法來達到恒流、恒壓充電的目的,充電器硬件原理框圖如圖5 所示。

圖5 充電器的硬件原理框圖
交流電經過濾波整流后,流向NCP1653,由其提供PFC(Power Factor Correction) 操作,NCP1653是一款連續導通型(CCM) 的功率因數校正( PFC) 升壓式的上升控制電路, 它的外圍元器件數量很少,有效地減少了升壓電感的體積, 減小了功率MOS管的電流應力,從而降低了成本,且極大地簡化了CCM 型的PFC 的操作,它還集成了高可靠的保護功能。 NCP1396 電路為整個硬件電路提供保護(包括有反饋環路失效偵測、快速與低速事件輸入,以及可以避免在低輸入電壓下工作的電源電壓過低偵測等) ,NCP1396 的獨特架構包括一個500 kHz 的壓控振蕩器,由于在諧振電路結構中避開諧振尖峰相當重要,因此為了將轉換器安排在正確的工作區,NCP1396 內置了可調整且精確的最低開關頻率,通過專有高電壓技術支持。 應用S3F84K4 單片機實現智能充電器控制。
[page]
3 軟件設計
為滿足充電要求, 該充電器軟件設計除了完成充放電控制外, 還具有過流保護、過壓保護、過溫保護、短路報警等功能模塊。主程序流程圖如圖6 所示。

圖6 主程序流程圖。
程序開始執行后, 首先進行初始化并檢測電池電壓、電流、溫度等信息是否正常。 如正常則進入下一步。 否則報警并關閉電路。 如果電池電壓在充電終止電壓和放電終止電壓之間, 說明電池既可充電也可放電。 此時電路將判斷接上充電機還是接上負載。 以進行相應的充電和放電。 如果兩者都沒有接則循環檢測過程。 若電池電壓已經到達充電終止電壓。 則等待負載的接入進行放電;同樣若電池電壓己經達到放電終止電壓,則等待充電器的接入以進行充電。 在整個過程中,該電路將始終實時檢測電池信息,若有異常情況發生,則立即利用中斷信號終止正在進行的充電或者放電過程,關斷充放電回路,同時進行報警并提示報警原因。
4 測試結果
本充電器的各項指標如下:
- 輸入電流:50/ 60 Hz。
- AC/ DC 輸出電壓48 :V , AC/ DC 輸出電流:5. 0 A。
- 恒流充電電流:4. 5 A。
- 恒壓充電電壓:45 V (AC)。
- 環境溫度: - 5~45 ℃。
經分析, 按上述設計和分析結果, 最后選定LLC 的參數Cr = 0. 043 055μF,Lr = 72. 636 09μH,Lm = 435. 816 5μH。
本智能充電器經測試,充電保護措施可靠,充電狀態準確,充電時間約為6 h ,如果需要進一步縮短充電時間,只需在初始化時設定更大的充電電流即可。 因為采用PWM 控制器,所以,充電效率可以達到92 %以上,最低時在85 %左右。根據實際需要,要想達到理想的充電效率,對充器件做進一步的精確要求。
5 結 語
在智能充電器控制系統設計過程中,主要側重點是保證充電器對充電電池電壓的精確控制,設計中元器件的選型也都是圍繞著這個重點來完成的經過實驗電路的實際測試,由電源變壓器、整流電路、濾波電路及穩壓電路構成AC/ DC 變換電路。 在NCP1653 、NCP1396 與S3F84 K4 的配合控制下可實現很高的系統精度。





